| Автор | Сообщение |
|
in_ukraine
|
igor.phoenix, а смысл? а где мне взять наушники без общего провода?
ДОБАВЛЕНО 14/04/2014 18:29
| Lenchik писал: | | Может на самом деле земля неправильная. Зацепи где ни будь рядом с УНЧ. |
Цеплял где не попадя, шипит зараза! |
|
igor.phoenix
Юный радиолюбитель
Сообщения: 1416
|
in_ukraine, как правило, на наушниках каналы раздельные и соединяются на штекере.
ДОБАВЛЕНО 14 Апрель 2014, 17:31
с регулятором - не в счёт |
|
|
in_ukraine
|
| igor.phoenix, ну так я же его буду подключать и что будет при подключении? соединятся левый ШИМ- и правый ШИМ- и будут оба шипеть! |
|
igor.phoenix
Юный радиолюбитель
Сообщения: 1416
|
| igor.phoenix писал: | | in_ukraine, прицепи 4-пин джек на наушники и соответствующее гнездо в телик и не мучайся с развязкой. |
|
|
|
in_ukraine
|
| ааа... понял о чём речь... это мысль, только выход нужен именно 3-х пиновый с общей землёй, кроме наушников есть ещё и другие потребители у которых земля общая... |
|
igor.phoenix
Юный радиолюбитель
Сообщения: 1416
|
|
|
in_ukraine
|
древний саб Микролаб со входом AUX  |
|
igor.phoenix
Юный радиолюбитель
Сообщения: 1416
|
| а шо линейного выхода нет? |
|
|
in_ukraine
|
| линейного нет, только на скарте когда режим TV и громкость не регулируется |
|
igor.phoenix
Юный радиолюбитель
Сообщения: 1416
|
| Так это и есть линейный и он не должен регулироваться. Регуль должен быть на сабе. |
|
|
in_ukraine
|
| неудобно аднака, на скарт выводится только TV, а если комп по HDMI, или кино по USB, то звука на скарте ёк... |
|
igor.phoenix
Юный радиолюбитель
Сообщения: 1416
|
Сделай развязку оптопарами, как это делается в горячих шаськах ТВ.
ДОБАВЛЕНО 14 Апрель 2014, 18:18
Всё равно чё-нить воротить придётся. |
|
Lenchik
Фанат форума
Сообщения: 7937
|
| Можно на операционниках сделать усилители с дифференциальным входом. Так как это сделано у профессиональной звуковой аппаратуры. Там звук передается по изолированной от земли паре. |
|
Rom-Zecs
Передовик
Сообщения: 2900
|
добьем тему...

|
|
|
in_ukraine
|
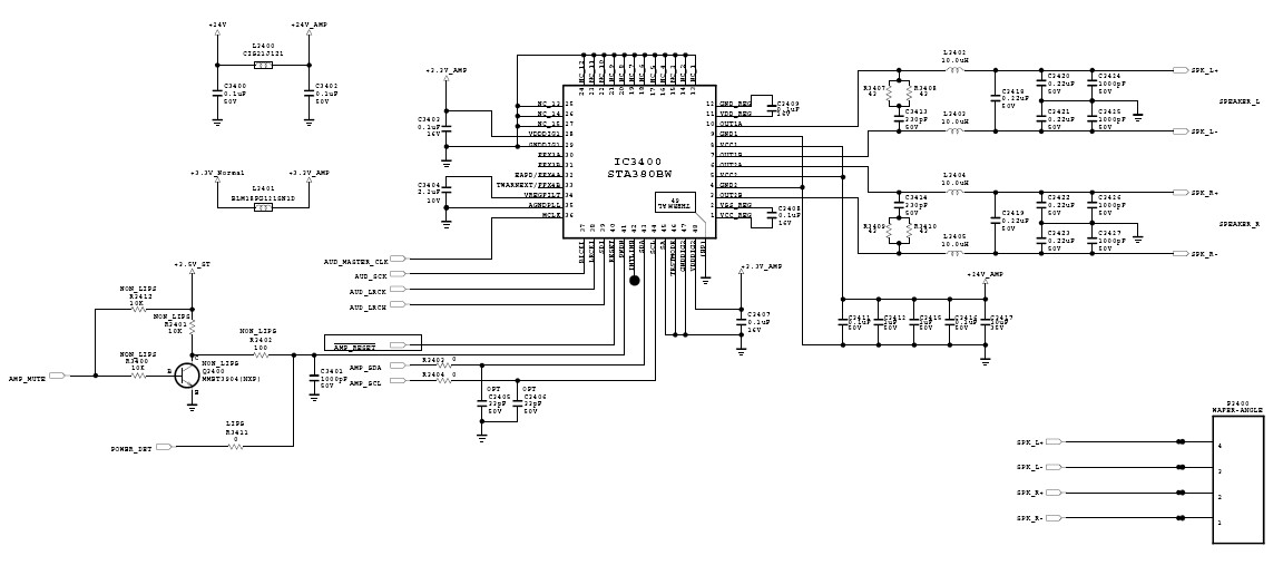
ребята, вы не поняли суть вопроса, задача снять сигнал отключая нагрузку (динамики) проблема в том, что отключая нагрузку, нарушается режим работы УНЧ, появляется сильный шум...
вот схемка моего УНЧ шасси: ld21c/lc21b, повторюсь, усилок ЦИФРОВОЙ!!! КЛАСС D
УНЧ.jpg 83.87 КБ Скачано: 193 раз(а)
|
|
Lenchik
Фанат форума
Сообщения: 7937
|
Шум появляется не от снятия нагрузки, а от земли. Подключите одно ухо вместо динамиков и послушайте. В крайнем влучае вместо динамика можно подключить эквивалент нагрузки.
А мы тебе показываем варианты как из симметрично сигнала сделать асимметричный. |
|
Rom-Zecs
Передовик
Сообщения: 2900
|
|
|
in_ukraine
|
|
Rom-Zecs
Передовик
Сообщения: 2900
|
|
|
in_ukraine
|
|