| Автор | Сообщение |
|
Konec
|
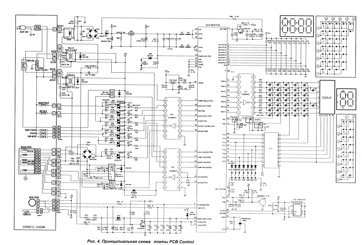
Протекла стиральная машина Samsung sensor compact S803J 800...один из шлангов просто был не закреплён хомутом по-умолчанию там почему-то - тот,что идёт от отдела со стиральным порошком и кондиционером и водой из него залило часть основной платы - выбило симистр на 800V - SM2LZ47,кандёр плёночный на 0.01мкф и 630V - 103K,2J и сопротивление на 620ом...всё это заменил - свистопляска на главной панели пропала (все лампочки моргали),но почему-то теперь стиралка жалуется на отсутствие замка и соответственно - не запускает стирку - уже купил другой замок,правда прислали совсем не тот и буду его возвращать...в итоге наткнулся на видео - как проверять такие замки,проверил - оба оказались рабочими и теперь даже не знаю,что ещё проверить - симистры остальные,вроде тоже проверил и кандёры...заменённый симистр немного отличается от остальных,конечно при прозвонке,но не думаю,что это критично и как и сказал уже выше - даже мыслей больше нету,что ещё проверить - почти всю плату прозвонил,релюшки проверил - все остальные симистры,кандёры плёночные,сопративления,диоды...единственное,что не проверил - S1P2655A03-D0,ибо даже описание того,что это и за что отвечает - не нашёл - ни в инэте,ни в сервис мануале...
Есть какие-нибудь мысли ? в какую сторону ещё копать и в чём всё-таки дело ?
Samsung sensor compact S803J 800 service manual.pdf 1.4 МБ Скачано: 85 раз(а)
S1P2655A01 - datasheet.PDF 90.69 КБ Скачано: 68 раз(а)
OMIH-SS-112LM-300-OMIH-OEG.pdf 1.14 МБ Скачано: 71 раз(а)
|
|
|
Konec
|
а почему моя тема улетела в нарушение правил ? что за бред ?!

| Samsung sensor compact S803J 800 (уменьшенное 2).jpg |
| Описание: |
|
| Размер файла: |
343.01 КБ |
| Просмотрено: |
42 раз(а) |

|
|
|
|
Konec
|
|

|