| Автор | Сообщение |
|
dymka
|
Друзья следующая проблема, включается но не запускается Daewoo hc 4130x
Сразу скажу мой уровень умею включать мультиметр и примерно знаю где + и - в общем совсем новичок.
При включении в розетку загорается индикатор на кнопке питания, но сами кнопки на панели не реагируют, пульта нет
Нашел программу для подбора пульта на телефоне с ик , реагирует одна кнопка включения. При этом запускается вентилятор охлаждения но сама панель не загорается и на кнопки также не реагирует.
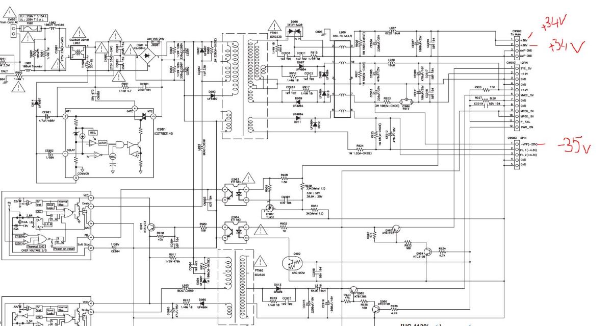
По схеме проверил питание все сходится кроме выводов на 5 pin а именно fil 1 и fil 2 по схеме на них должно быть -4.3v и +4.3v а по факту -35v и -34 v
Визуально конденсаторы не вздутые
Что проверить с чего начать
Ниже схема полная и схема блока питания отдельно
Заранее спасибо за помощь !
| 11120221108_212902.jpg |
| Описание: |
|
| Размер файла: |
433.96 КБ |
| Просмотрено: |
319 раз(а) |

|
____________hc-4130x_113.pdf 451.12 КБ Скачано: 197 раз(а)
DAEWOO HC-4130, 4150, 4160, 4180, 4230, 4250, 4260, 4280.rar 4.35 МБ Скачано: 216 раз(а)
|
|
FreddikMerfi
Автокран Ивановец
Сообщения: 4091
|
| dymka, был такой с пол года назад. Если память не изменяет, то там стаб кончился в левой нижней части! Лучше блок запустить принудительно на столе и нагрузить его по выходам. |
|
|
dymka
|
| FreddikMerfi писал: | | dymka, был такой с пол года назад. Если память не изменяет, то там стаб кончился в левой нижней части! Лучше блок запустить принудительно на столе и нагрузить его по выходам. |
Ткните по фото где он находится примерно
И как его нагрузить ?
121220221108_212854.jpg 137.11 КБ Скачано: 258 раз(а)
|
|
igme
Передовик
Сообщения: 1126
|
| dymka писал: | | Ткните по фото где он находится примерно |
Если вдруг не поняли сленга, "стаб" = интегральный стабилизатор напряжения. На входе одно постоянное напряжение, на выходе - другое. Ну посмотрите, какие у вас там в принципе в БП есть, типа 7805, 7812, и с другой маркировкой бывают. На схеме вижу только один стаб 7912, на отрицательную напругу. А +\-4.3 В вообще выходят напрямую с транформатора, странно, что там целых 35 В у вас, если остальные напряжения в норме. Проверьте также диоды в этой цепи D911, D912.
| dymka писал: | | И как его нагрузить ? |
"Нагрузить" - повесить нагузку на выходы БП вместо штатной, элементарно же. Часто цепляют лампочки 12-вольтовые. Можно и мощные резисторы, если есть... |
|
FreddikMerfi
Автокран Ивановец
Сообщения: 4091
|
| igme, помоему автор темы меряет напругу на режиме измерения переменки на мулте! Вот такие и есть показания! Там должно быть 2 стаба или я ошибаюсь по блоку! Но такой же плеер был в ремонте пару месяцев назад. |
|
|
dymka
|
| igme писал: | | dymka писал: | | Ткните по фото где он находится примерно |
Если вдруг не поняли сленга, "стаб" = интегральный стабилизатор напряжения. На входе одно постоянное напряжение, на выходе - другое. Ну посмотрите, какие у вас там в принципе в БП есть, типа 7805, 7812, и с другой маркировкой бывают. На схеме вижу только один стаб 7912, на отрицательную напругу. А +\-4.3 В вообще выходят напрямую с транформатора, странно, что там целых 35 В у вас, если остальные напряжения в норме. Проверьте также диоды в этой цепи D911, D912.
| dymka писал: | | И как его нагрузить ? |
"Нагрузить" - повесить нагузку на выходы БП вместо штатной, элементарно же. Часто цепляют лампочки 12-вольтовые. Можно и мощные резисторы, если есть... |
Да пробиты два диода 911, 912, получается их заменить или проблема в другом еще?
Кстати забыл скаазть перввый пин -VPP тоже показывает -34v хотя по схеме -28v . его диоды проверил d909 910 в порядке
ДОБАВЛЕНО 09/11/2022 00:31
| FreddikMerfi писал: | | igme, помоему автор темы меряет напругу на режиме измерения переменки на мулте! Вот такие и есть показания! Там должно быть 2 стаба или я ошибаюсь по блоку! Но такой же плеер был в ремонте пару месяцев назад. |
Нене точно постоянным меряю
ДОБАВЛЕНО 09/11/2022 00:39
Еще вопрос а как его запустить блок питания, отдельно без проводов какие пины замкнуть нужно ? |
|
|
dymka
|
Снял плату питания и лицевую плату управления c индикатором на которые идут пины fil 1 , fil 2 и -VPP ,
вобщем fil 1и fil 2 замыкают друг с другом , это конец индикатору? Его возможно починить ?
Эти контакты fil 1 и fil 2 как я понял питают индикатор + и - 4.3v а на них идет 35v по этому они замыкают ?
shema.JPG 199.65 КБ Скачано: 251 раз(а)
indikator.JPG 86.11 КБ Скачано: 214 раз(а)
|
|
|
pasha-4
|
| dymka, fil1 и fil2- это накал индикатора. Нет там кз |
|
igme
Передовик
Сообщения: 1126
|
dymka, красный кружочек с вопросиком называется геттер. На досуге почитайте, что это и для чего...
| dymka писал: | | Нене точно постоянным меряю |
Ну после диодов меряли, надеюсь? Так после замены диодов напряжение в норме на этих пинах?? Если туда реально прилетало +\-35 - индикатору могло и поплохеть, фиг знает, будем надеяться, но на кнопках это не должно было отразиться по идее, значит ещё есть косяк, если кнопки всё ещё не работают... |
|
|
dymka
|
| igme писал: | dymka, красный кружочек с вопросиком называется геттер. На досуге почитайте, что это и для чего...
| dymka писал: | | Нене точно постоянным меряю |
Ну после диодов меряли, надеюсь? Так после замены диодов напряжение в норме на этих пинах?? Если туда реально прилетало +\-35 - индикатору могло и поплохеть, фиг знает, будем надеяться, но на кнопках это не должно было отразиться по идее, значит ещё есть косяк, если кнопки всё ещё не работают... |
Я не знаю как запустить блок питания без монтирования в корпус и подключения всех шлейфов ? Как определить какие контакты замкнуть для включения из пилотного режима?
Спасибо за геттер! почитаю |
|
|
dymka
|
В общем по питанию все впорядке контакты fil 1 и fil 2 которые питают индикатор + и - 4.3v тоже в порядке неправильно померил ( нужно было относительно друг друга) а я относительно земли
Диоды 911, 912, были исправны, после отключения шлейфа и выпаивания диодов проверил они в порядке, |
|
|
dymka
|
По питанию все в порядке кроме небольших погрешностей ( отмечены на фото )
Из видимого после включения с пульта реагирует вентилятор охлаждения, еле видно загорается на дисплее AM-FM, пытается стартануть CD.
Из нерабочего - не реагируют кнопки на панели, не реагирует и светит красным ( как в режиме ожидания) кнопка включения питания
pit.JPG 124.24 КБ Скачано: 234 раз(а)
|
|
birluk
Передовик
Сообщения: 2209
|
| dymka, что имеется на пине(12)pwr on в бп при нажатии кнопки вкл девайса? |
|
|
dymka
|
| birluk писал: | | dymka, что имеется на пине(12)pwr on в бп при нажатии кнопки вкл девайса? |
При включении с панели ничего нет , при включении с пульта на пине(12)pwr on +3.3V
На соседнем пине (11)P_Fail при включении +4V |
|
igme
Передовик
Сообщения: 1126
|
| dymka писал: | | при включении с пульта |
Будьте добрый помедленнее
вы втихаря жени...в смысле нашли пульт и нам не сказали? Так с пульта аппарат включается? Или внешне ведёт себя так же??? |
|
|
dymka
|
| igme писал: | | dymka писал: | | при включении с пульта |
Будьте добрый помедленнее
вы втихаря жени...в смысле нашли пульт и нам не сказали? Так с пульта аппарат включается? Или внешне ведёт себя так же??? |
В самом первом посте написал, пульт в телефоне приложении , реагирует только на кнопку вкл. в программе этой. После этого запускается блок питания, включается вентилятор и немного дёргается CD. Все дальше ничего не реагирует, кнопка включения на панели также в режиме ожидания красная, горит красный диод. И не включается панель ( при разборе панели видно еле горит АM-FM надпись) |
|
igme
Передовик
Сообщения: 1126
|
| А, ёпрст, понятно. Тогда надо разбираться с кнопками на панели... |
|
birluk
Передовик
Сообщения: 2209
|
dymka, а с остальными питаниями -12/+12/5V что?
ДОБАВЛЕНО 10/11/2022 19:24
dymka, а с остальными питаниями -12/+12/5V что? | Цитата: | | Визуально не вздутые | а не визуально? |
|
|
dymka
|
| birluk писал: | dymka, а с остальными питаниями -12/+12/5V что?
ДОБАВЛЕНО 10/11/2022 19:24
dymka, а с остальными питаниями -12/+12/5V что? | Цитата: | | Визуально не вздутые | а не визуально? |
С остальным питанием все впорядке, по конденсаторам их там 100+ что все выпаивать и мерить esr? |
|
birluk
Передовик
Сообщения: 2209
|
| dymka писал: | | birluk писал: | dymka, а с остальными питаниями -12/+12/5V что?
ДОБАВЛЕНО 10/11/2022 19:24
dymka, а с остальными питаниями -12/+12/5V что? | Цитата: | | Визуально не вздутые | а не визуально? |
С остальным питанием все впорядке, по конденсаторам их там 100+ что все выпаивать и мерить esr? | здесь принято писать в Вольтах,Омах и тд. ,,норма" понятие растяжимое. |
|