| Автор | Сообщение |
|
ДимаX
|
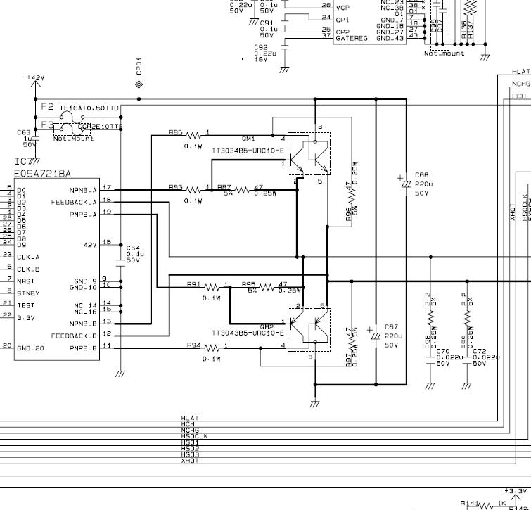
| Доброго времени суток! У кого есть 100% рабочая E09A7218A? Нужно замерить сопротивления между 20 ножкой и 17,18,19. Есть сомнение, что у меня рабочая, т.к. у меня между 20 и 18 ногами 830 Ом |
|
валентин-сибиряк
Фанат форума
Сообщения: 8951
|
| ДимаX, жди я скоро доберусь ,у меня есть новые не паянные. |
|
валентин-сибиряк
Фанат форума
Сообщения: 8951
|
| ДимаX, между 20-17,18,19 ногами сопротивление в обе стороны -бесконечность.А между 20 и 21 ногой в обе стороны 32,6 ком. |
|
|
ДимаX
|
| валентин-сибиряк писал: | | ДимаX, между 20-17,18,19 ногами сопротивление в обе стороны -бесконечность.А между 20 и 21 ногой в обе стороны 32,6 ком. | Спасибо за помощь! |
|
|
StaPerRa
|
| SavageOd писал: | | Доброго времени суток, может у кого есть полная схема материнской платы для П50, Т50. Зарание спасибо |
Приветствую! Вы сам пробовали ТАК припаивать аналоги трнзюков? Если да, то как показала себя схема? |
|
|
mlt
|
| У меня риторический вопрос. Почему нет предохранителя перед коллектором QM1? Имеет ли смысл запилить таковой, скажем на 3А, чтоб только его пришлось менять при залитой голове, а не горку резисторов, транзисторы и микросхему? |
|
|
Чудаков
|
| Здравствуйте, у меня похожая проблема, только принтер T 50 тый (пишу конечно поздно, эра этих принтеров на закате). Проблема похожая, но легче чем у многих левая часть транзисторных сборок накоротко, поэтому и E09A7218A по сопротивлению вродь жива, и хрон еёшный не сгорел но 2 из 4 резюков тоже в мусор. В месных магазинах нашёл только КТ972/3 то только с префиксом "Б" подойдут ли они? Может ктото подсказать? Просто их предел 45В а питание будет 42В это вродебы не очень 😔 |
|
|
Чудаков
|
|

|