ESpec - мир электроники для профессионалов


Как мультиметром проверить работоспособность ПГ ?

  Список форумов » Периферийные устройства

Следующая тема · Предыдущая тема
АвторСообщение
kokos76 
Заглянувший
Сообщения: 3
 
Сообщение #1 От 05/05/2014 17:26 цитата  

Собственно, сабж. Плохо просушил головку после УЗ ванны, и, похоже, ей хана. Есть вторая плата от принтера (sx130) , но неохота жечь её сдохшей головкой. Как бы головку проверить, не цепляя к МФУ?
KolanSky 
Завсегдатай
Сообщения: 352
KolanSky
 
Сообщение #2 От 05/05/2014 21:56 цитата  

А как узнали, что ей хана? После УЗ ванны епсоновским струным ПГ в большинстве случаев хана, по моему?!! смех
kokos76 
Заглянувший
Сообщения: 3
 
Сообщение #3 От 05/05/2014 22:03 цитата  

Ну у меня щадящая "ванна" - уз ингаллятор "муссон-1" :-) Да просто принтер не пашет...
KolanSky 
Завсегдатай
Сообщения: 352
KolanSky
 
Сообщение #4 От 05/05/2014 22:12 цитата  

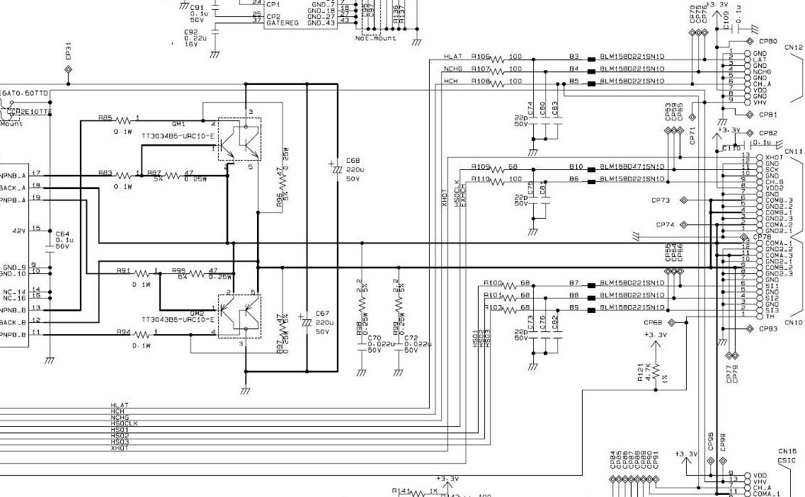
Как вариант -> подключить рабочую ПГ, и замерить сопротивление на контактах разъема что идет к ПГ. Потом подключить "убитую" и сравнить.

  88b7fd84074b.jpg  133.11 КБ  Скачано: 390 раз(а)
kokos76 
Заглянувший
Сообщения: 3
 
Сообщение #5 От 06/05/2014 13:35 цитата  

спасибо, попробую классно!

Перейти: 
Следующая тема · Предыдущая тема
Показать/скрыть Ваши права в разделе

Интересное от ESpec


Другие темы раздела Периферийные устройства



Rambler's Top100 Рейтинг@Mail.ru liveinternet.ru