ESpec - мир электроники для профессионалов


Помощь по схеме Sony KV-3400D

  Список форумов » Некомпетентные вопросы

Следующая тема · Предыдущая тема
АвторСообщение
Savva Pavlov 
Заглянувший
Сообщения: 3
Savva Pavlov
 
Сообщение #1 От 25/01/2013 21:13 цитата  

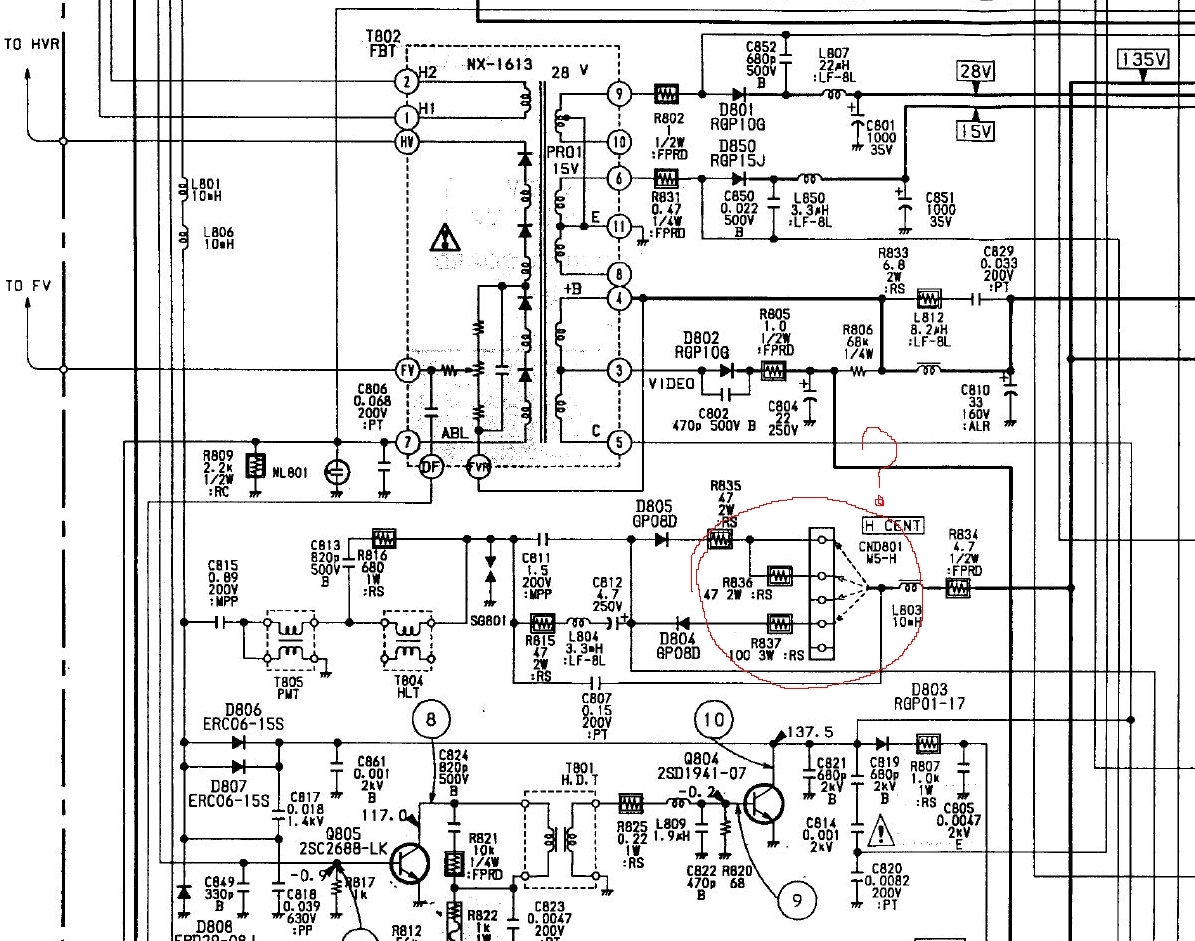
ТВ Sony KV-3400D. Так как он старый меняю старые электролиты особенно в силовых цепях. Наткнулся в схеме около HOT на непонятную мне развязку. Подскажите пожалуйста назначение странного конектора из пяти штырьков, к которому приходит только одна фишка. Схема во вложении. Причем странно, фишка одета на средний контакт, к которому ничего не подсоединено, а на соседних контактах сидят резисторы 835 и 836, которые хорошенько прогорели.

Извините, что оказался почему то в этой ветке, начинал писать вопрос в ветке CRT телевизоры\Sony.

Снимок.JPG
 Описание:
 Размер файла:  683.24 КБ
 Просмотрено:  244 раз(а)

Снимок.JPG


n max 
Модератор
<B>Модератор</B>
Сообщения: 17334
 
Сообщение #2 От 25/01/2013 21:43 цитата  

центровка. перемычка переставляется в процессе регулировки. Соответственно изображение сдвигается на 5-10мм
makeym 
Фанат форума
Сообщения: 9737
makeym
 
Сообщение #3 От 25/01/2013 22:29 цитата  

Savva Pavlov, А рядом абревеатура H CENT тебе ни очём не говорит??? подшучивать, дразнить
Nik_Al 
Старый таёжник
Старый таёжник
Сообщения: 33804
 
Сообщение #4 От 25/01/2013 23:27 цитата  

Savva Pavlov писал:
Извините, что оказался почему то в этой ветке, начинал писать вопрос в ветке CRT телевизоры\Sony.

С такими вопросами.. самое место здесь голливудская улыбка

Перейти: 
Следующая тема · Предыдущая тема
Показать/скрыть Ваши права в разделе

Интересное от ESpec


Другие темы раздела Некомпетентные вопросы

888
ZZZ


Rambler's Top100 Рейтинг@Mail.ru liveinternet.ru