| Автор | Сообщение |
Staker
Завсегдатай
Сообщения: 870
|
| Здарова всем. Народ, ткните плз носом в печатки к РЕЗОНАНСНОМУ ПОЛУМОСТУ НЕГУЛЯЕВА, так, как сижу с телефона и искать очень напрягает. И что вы думаете об этой схеме? Заранее благодарен! |
|
Jorg63
Передовик
Сообщения: 1185
|
| Staker писал: | | Здарова всем. Народ, ткните плз носом в печатки к РЕЗОНАНСНОМУ ПОЛУМОСТУ НЕГУЛЯЕВА, так, как сижу с телефона и искать очень напрягает. И что вы думаете об этой схеме? Заранее благодарен! | Полумост урезанный мост всего лишь. включите фантазию!!!!! В полумосте ключики надо блокировать доп. шустрым диодом. полтинники не очень подходят. надо по мощнее,так как импульсные токи в 2 раза выше. управа любую на выбор ищите на форуме,данные ТГРа аналогично мосту только не 4 а 2 вторичные обмотки. данные дросселя аналогично мосту,витков транса в 2 раза меньше чем в мосте. |
|
Staker
Завсегдатай
Сообщения: 870
|
| С фантазией у меня все нормально). Схему буду делать из 2 книги Негуляева. Когда Перепалил транзисторы в Бармалейнике отпало всякое желание его делать. |
|
Jorg63
Передовик
Сообщения: 1185
|
| Staker писал: | | С фантазией у меня все нормально). Схему буду делать из 2 книги Негуляева. Когда Перепалил транзисторы в Бармалейнике отпало всякое желание его делать. |
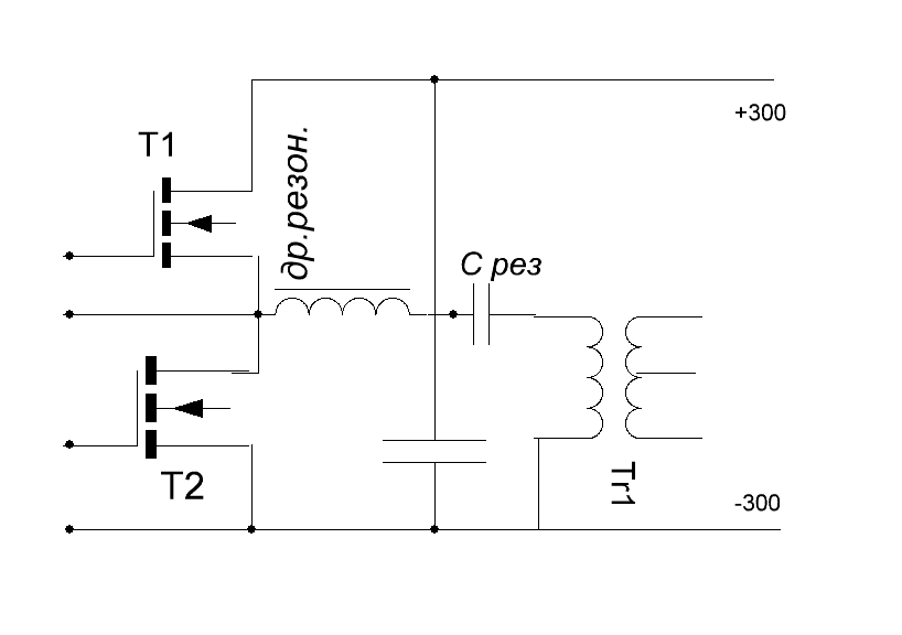
если будете косячить то и в негуляеее по палите ключи. это не аргумент что если в бармалее горели ключи то здесь не будут. резонер тоже специфический аппарат,хватает подводных камней. вот реализация резонера Негуляя без расщепленного конденсатора резонансного как в книге Негуляя.. проверено -работает
полумост.gif 6.05 КБ Скачано: 594 раз(а)
|
|
Staker
Завсегдатай
Сообщения: 870
|
| Понимаю. Ну а что скажете если я поставлю 2х330мк параллельно вместо 470мк? Или ето не имеет смысла., можно ставить 330мк ? |
|
Jorg63
Передовик
Сообщения: 1185
|
| Staker писал: | | Понимаю. Ну а что скажете если я поставлю 2х330мк параллельно вместо 470мк? Или ето не имеет смысла., можно ставить 330мк ? | По более емкость надо для резонера. 5*330 будет нормаль для тока 130-140 ампер может и в бармалее у вас горели ключи как раз по этой причине от недостатка фильтрующей емкости по силе. Литов по силе много не бывает емкости. |
|
Staker
Завсегдатай
Сообщения: 870
|
не многовато ли... ? На схеме 470мкф 200в. И скока ампер можно получить из вашей схемы без конденсаторов?
ДОБАВЛЕНО 15/06/2013 14:38
p.s...я не об фильтрующих a о ращепительных |
|
Jorg63
Передовик
Сообщения: 1185
|
| Я рассчепительные не использую, включаю как указал выше. лит по силе 1500 микрофарад,блокировочный кандюк прямо на ключах.1-2 микрофарада на 630 вольт. Тип 73-17 или аналог CL21. остальные опробованные типы кандюков греються. Ток получите аналогичен. но в полумосте нет смысла ток задирать выше 140 ампер. если надо более току то только мост и без вариантов! да и на провальных сетях полумост хуже работа чем мост. |
|
Staker
Завсегдатай
Сообщения: 870
|
Я бы сказал это общепринятые схемные условности что для Бармалейника , что для ре3она.
ДОБАВЛЕНО 15/06/2013 14:50
Спасибо за советы ! А как насчет моточных данных в вашей схемы? Вашы описания рание приемлимы к ней? |
|
Jorg63
Передовик
Сообщения: 1185
|
| Staker писал: | Я бы сказал это общепринятые схемные условности что для Бармалейника , что для ре3она.
ДОБАВЛЕНО 15/06/2013 14:50
Спасибо за советы ! А как насчет моточных данных в вашей схемы? Вашы описания рание приемлимы к ней? | данные моточных узлов по дросселю как в мосте, трансформатор витки уменьшить в 2 раза первичка. витки зависят на каком феррите мотаете. в резонере транс на 2 комплектах феррита обязательно.сечение первички немного увеличить.так как импульсные токи в полумосте в 2 раза выше.емкость резонансная тоже как в мосте.Читайте форум внимательно,рекомендов настройки хватает процедура настройки ничем не отличается от моста. |
|
Staker
Завсегдатай
Сообщения: 870
|
| ок. Все понятно. А вот насчет феррита... На транс пойдет 1 ш20х28 2000нм? Негуляев писал надо 30 витков первички(ет для моста). |
|
Jorg63
Передовик
Сообщения: 1185
|
| Staker писал: | | ок. Все понятно. А вот насчет феррита... На транс пойдет 1 ш20х28 2000нм? Негуляев писал надо 30 витков первички(ет для моста). |
Херовый ферит для резонера-купите нормальный. на одном комплекте феррита для транса не очень хорошо работа резонеров. будут проблемы на первой с ЕБУКАМИ. для дросселя можно пробовать но там тоже может быть с этим ферритом вылет в большие токи КЗ
гляньте личку,там вам сообщение |
|
Staker
Завсегдатай
Сообщения: 870
|
|
Jorg63
Передовик
Сообщения: 1185
|
на личку не пошло,отправил на почтовый ящик-смотри |
|
Vovak
Завсегдатай
Сообщения: 400
|
| Staker писал: | | ок. Все понятно. А вот насчет феррита... На транс пойдет 1 ш20х28 2000нм? Негуляев писал надо 30 витков первички(ет для моста). |
30 витков в первичку и тогда естественно 6+6 витков во вторичку? Не влезет! Негуляев конечно большой шутник, но такую херню точно не писал.  |
|
Staker
Завсегдатай
Сообщения: 870
|
| в какой то книге Негуляева... Работает на 1 феррите ш20х28 2500нм но сильно греется... |
|
Jorg63
Передовик
Сообщения: 1185
|
| Staker писал: | | в какой то книге Негуляева... Работает на 1 феррите ш20х28 2500нм но сильно греется... | но и диоды выходные там горят с завидной частотой!!!! да и ключики тоже вероятно.Для транса в резонере надо 2 комплекта ферита чтобы получить хорошую сварку и долговечность в работе. |
|
Staker
Завсегдатай
Сообщения: 870
|
| Че печаток к полумосту нет не у кого? Народ, не жлобитесь... Очень надо. С телефона толкового ниче тут не найду. Спасибо. |
|
Skif
Завсегдатай
Сообщения: 876
|
| жлобство тут непричем. никому нахрен тут полумост не нужен, потому нет смыла просить платы. скорее жлобство это именно полумост. Причем экономии по большому счету нет. |
|
Staker
Завсегдатай
Сообщения: 870
|
ок. Понятно.
ДОБАВЛЕНО 15/06/2013 23:01
Если не трудно подскажыте где можно посмотреть и скачать печатки на полный мост. Заранее спасибо. |
|