| Автор | Сообщение |
|
step1207
|
BBK LD1906SI
MATRIX: M190A1-L02 Rev.C1
MAIN:21903-7
CPU: MT1389FE
RAM:hunix HY57V641620FTP-7
SOUND: TDA7266SA
TUNER: JS-6B2/L121
Доброго времени суток.
На полной громкости звук еле слышно зато фон с шумами сильный. При убавлении звук не меняется а фон уходить и пропадает полностью если убавить до ноля. В обвязке TDA7266SA менял все конденсаторы электролиты и в блоке питания тоже, прошивку не менял! Где копать дальше не знаю. |
|
iv-9
Фанат форума
Сообщения: 6359
|
| Что значит фон? Гудит или как в другой системе? |
|
|
step1207
|
| Можно сказать шум, шипение |
|
iv-9
Фанат форума
Сообщения: 6359
|
| Системы звука в меню нет? |
|
viktor_ramb
Сам себе начальник
Сообщения: 23835
|
step1207, | Цитата: | | Где копать дальше не знаю. |
Канал звука до УНЧ. |
|
|
step1207
|
| iv-9 писал: | | Системы звука в меню нет? | Есть но не помогает
ДОБАВЛЕНО 14/07/2014 20:07
Когда диск въезжает и выезжает это слышно в динамиках. А как войти в сервисный режим ? А то что то я этого найти не могу |
|
|
B.B.
|
| step1207 писал: | | А как войти в сервисный режим ? | Он тебе не нужен. Бери осцил и раздели проблему до УНЧ и после УНЧ, коль системы не помогают. |
|
|
step1207
|
| viktor_ramb писал: | step1207, | Цитата: | | Где копать дальше не знаю. |
Канал звука до УНЧ. | Покажите пожалуйста где начать смотреть
ДОБАВЛЕНО 14/07/2014 20:41
| B.B. писал: | | step1207 писал: | | А как войти в сервисный режим ? | Он тебе не нужен. Бери осцил и раздели проблему до УНЧ и после УНЧ, коль системы не помогают. | У меня нет осциллограмм, с чем сравнивать да и точки мне неизвестны к которым тыкать.Осциллографом пользуюсь крайне редко
| 44.jpg |
| Описание: |
|
| Размер файла: |
214.56 КБ |
| Просмотрено: |
373 раз(а) |

|
|
|
|
step1207
|
|
|
step1207
|
Эти сигналы нужно замерять?
6.jpg 117.35 КБ Скачано: 323 раз(а)
|
|
|
B.B.
|
| step1207 писал: | | Эти сигналы нужно замерять? | Можно и эти, но лучше вызвать мастера.  |
|
|
step1207
|
| B.B. писал: | | step1207 писал: | | Эти сигналы нужно замерять? | Можно и эти, но лучше вызвать мастера.  | Если бы мне нужен был мастер я бы сюда не стал писать! Опыт ремонта с такой проблемой уже был но с телевизором CRT. А вот на этом телевизоре я завис. |
|
|
step1207
|
| Буду выяснять сам в чем дело, о результатах отпишусь. |
|
|
step1207
|
В схеме наткнулся на эти участки подскажите я на правильном пути или нет? Выпаял конденсаторы для проверки . Шум пропал и соответственно звук тоже.В описании к схемам есть контрольные точки к которым я цеплял мультиметер. Напряжения по мануалу что относится к звуковой схеме присутствуют без каких либо занижений.Конденсаторы C783,C784 имеют небольшие отклонения от номинала в сторону уменьшения . Подскажите что еще можно сделать?
bbk_lcd_LD1906SI.pdf 9.08 МБ Скачано: 551 раз(а)
|
|
Boris Gorbunkov
Семён Семёныч
Сообщения: 7529
|
| Выкинь транзистор в цепи MUTE |
|
|
step1207
|
| Борис Горбунков писал: | | Выкинь транзистор в цепи MUTE | Заранее прошу прощения , а что мне это даст ?
ДОБАВЛЕНО 17/07/2014 07:43
| Борис Горбунков писал: | | Выкинь транзистор в цепи MUTE | Q119? |
|
Boris Gorbunkov
Семён Семёныч
Сообщения: 7529
|
step1207, да Q119.
Вот и посмотрим что тебе это даст. |
|
|
step1207
|
| Борис Горбунков писал: | step1207, да Q119.
Вот и посмотрим что тебе это даст. | Выкинул не помогло((
ДОБАВЛЕНО 17/07/2014 13:23
Этот транзистор судя по схеме должен выключать звук. |
|
pion
Передовик
Сообщения: 1602
|
| step1207 писал: | Покажите пожалуйста где начать смотреть
|
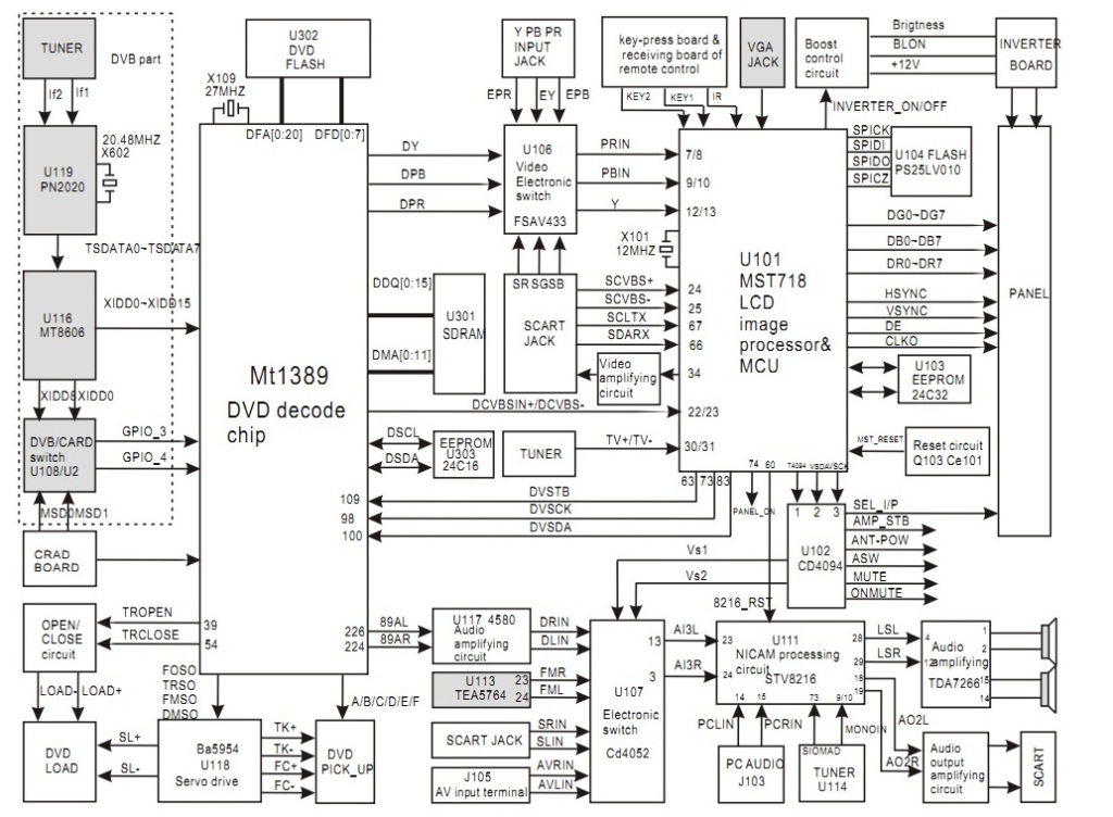
Ну вот можно начать смотреть. Это из мануала на этот ТВ:
Example 4 ]
symptom: TV has no sound output
Trouble description: insert antenna, TV can receive
program, but speaker has no sound output.
External input audio is normal.
Analysis and troubleshooting: NICAM
signals are received from
tuner, which is used to receive TV
signal and decompose the
received signal to audio/video
signal to output. When
meets this kind of
trouble, do not hurry to repair,
firstly confirm whether there
is sound output when
in SCART, AV input
mode. After
confirming, there is sound
output in other mode now, which
means that U11 and speaker are
good. Use oscillograph to
test pin 14 of
tuner MOINOIN and waveform
is normal. This
signal is coupled
through Ce134 to pin
73 of chip U111
(STV8216), after processing inside
chip, output from pin
28, 29 of
U9 to U112 for amplifying output.
Test pin 18, 19
and they are normal.
Test pin 28, 19
and there is no
waveform output. From this
, we decide that
the chip U111
may probably have trouble.
Test power supply
voltage of pin 20
and it is normal
and crystal oscillation waveform
output of chip is
normal. Observe
carefully and find that
pin 28, 29 has
the possibility of rosin
joint. Use iron to
add tin and weld
again. After
power on again, trouble
is removed |
|
|
step1207
|
| pion писал: | | step1207 писал: | Покажите пожалуйста где начать смотреть
|
Ну вот можно начать смотреть. Это из мануала на этот ТВ:
Example 4 ]
symptom: TV has no sound output
Trouble description: insert antenna, TV can receive
program, but speaker has no sound output.
External input audio is normal.
Analysis and troubleshooting: NICAM
signals are received from
tuner, which is used to receive TV
signal and decompose the
received signal to audio/video
signal to output. When
meets this kind of
trouble, do not hurry to repair,
firstly confirm whether there
is sound output when
in SCART, AV input
mode. After
confirming, there is sound
output in other mode now, which
means that U11 and speaker are
good. Use oscillograph to
test pin 14 of
tuner MOINOIN and waveform
is normal. This
signal is coupled
through Ce134 to pin
73 of chip U111
(STV8216), after processing inside
chip, output from pin
28, 29 of
U9 to U112 for amplifying output.
Test pin 18, 19
and they are normal.
Test pin 28, 19
and there is no
waveform output. From this
, we decide that
the chip U111
may probably have trouble.
Test power supply
voltage of pin 20
and it is normal
and crystal oscillation waveform
output of chip is
normal. Observe
carefully and find that
pin 28, 29 has
the possibility of rosin
joint. Use iron to
add tin and weld
again. After
power on again, trouble
is removed | Все что там описано сделано! Но увы |
|