| Автор | Сообщение |
Boris Gorbunkov
Семён Семёныч
Сообщения: 7525
|
| buget9, на ПК есть кондёр между ускоряющим и землёй - поменяй для начала. |
|
|
buget9
|
| Выпаял из платы кинескопа VG2, все равно 40 вольт. |
|
Boris Gorbunkov
Семён Семёныч
Сообщения: 7525
|
| А крутик ускоряющего покрутить - меняется? |
|
|
buget9
|
| Меняется, примерно до 75 вольт в крайнем положении, при этом экран темнеет, немного зеленит появляются линии обратного хода. |
|
Boris Gorbunkov
Семён Семёныч
Сообщения: 7525
|
Чо-то не то пальто - или ЛОХи или примерно до 75
При 75В не может быть ЛОХов. |
|
|
buget9
|
Может показометр не то показывает?
| IMG_20170118_202612.jpg |
| Описание: |
|
| Размер файла: |
570.59 КБ |
| Просмотрено: |
158 раз(а) |

|
|
|
Boris Gorbunkov
Семён Семёныч
Сообщения: 7525
|
| buget9 писал: | | Может показометр не то показывает? | Может. |
|
|
buget9
|
Кстати, экран темнеет значительно когда меряешь, показометр не годится для таких измерений  |
|
|
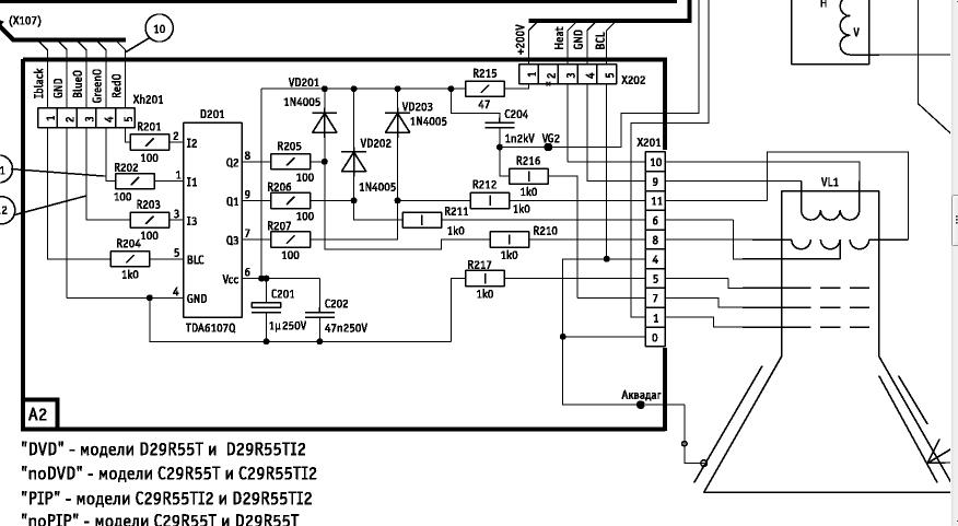
buget9
|
При запитаном накале КЗ не обнаружил.
Токи
G1-KG 26 мкА; (попугаев)
G1-KR 28 мкА; (попугаев)
G1-KB 28 мкА; (попугаев)
При измерении потрескивает статикой.
ДОБАВЛЕНО 18/01/2017 20:41
Борис Горбунков, Выкинул кондер на землю, С204, Ничего не изменилось.

.png 40.79 КБ Скачано: 179 раз(а)
|
|
|
buget9
|
Что еще можно проверить и покрутить или кинескопные так и показывали раньше, а я избаловался LCD?

| IMG_20170118_222615.jpg |
| Описание: |
|
| Размер файла: |
873 КБ |
| Просмотрено: |
169 раз(а) |

|
| IMG_20170118_222616.jpg |
| Описание: |
|
| Размер файла: |
716.77 КБ |
| Просмотрено: |
174 раз(а) |

|
| IMG_20170118_222613.jpg |
| Описание: |
|
| Размер файла: |
825.75 КБ |
| Просмотрено: |
166 раз(а) |

|
|
|
БЕЗЫМЯННЫЙ
Бегущий по граблям
Сообщения: 7608
|
| Добавь ему накал любым доступным способом, мож продлишь агонию. |
|
Joiner
Фанат форума
Сообщения: 3612
|
| buget9 писал: | При запитаном накале КЗ не обнаружил...
Токи
G1-KG 26 мкА; (попугаев)
G1-KR 28 мкА; (попугаев)
G1-KB 28 мкА; (попугаев)
При измерении потрескивает статикой... | При таких токах даже
логически яркое изо не получишь. Имхо - такая метода проверки кина
не подходит. Ток второго анода около 1 мА, а тут суммарный ток
катодов и до 0,1 мА не вытягивает. Кто плавал - помнит УН 9/27 - 1,3мА.
И довольно часто попадаются основательно подсевшие 72-е не
только ролсены, но и лыжи, и самсунги, и проч., и геморно с ними,
если АББ.
ТСу - надежный упрощенный метод проверки кина: 6,3в переменки
(6,0в постоянки) на накал (выпаяв родной гасящий R от флайбека),
выпаять по одному пину резисторов, идущих на катоды и стрелочным
тестером смотреть R модулятор-катоды. Нормально показывают
кины, где R ~ до 4-5 кОм.
10 кОм и больше - уже хлам. |
|
|
Teltron
|
| размер изображения как то великоват. 25000 нету. |
|
|
buget9
|
Joiner, Подавал 6,3 В постоянки .
Всем спасибо, тушка ушла за шоколадку. |
|