| Автор | Сообщение |
|
Rocksolaan
|
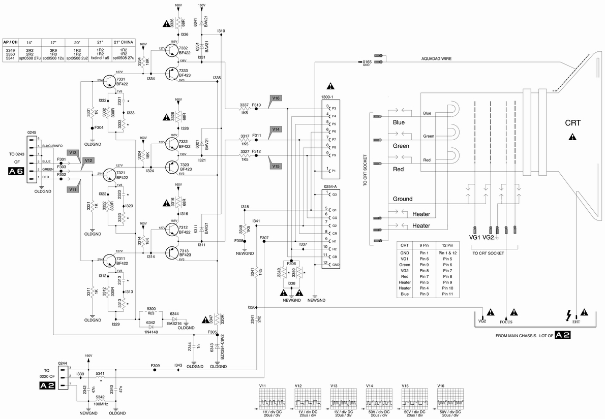
Шасси L01.2A_AB (просто схема сходится, на плате же указано 3139 127 21161)
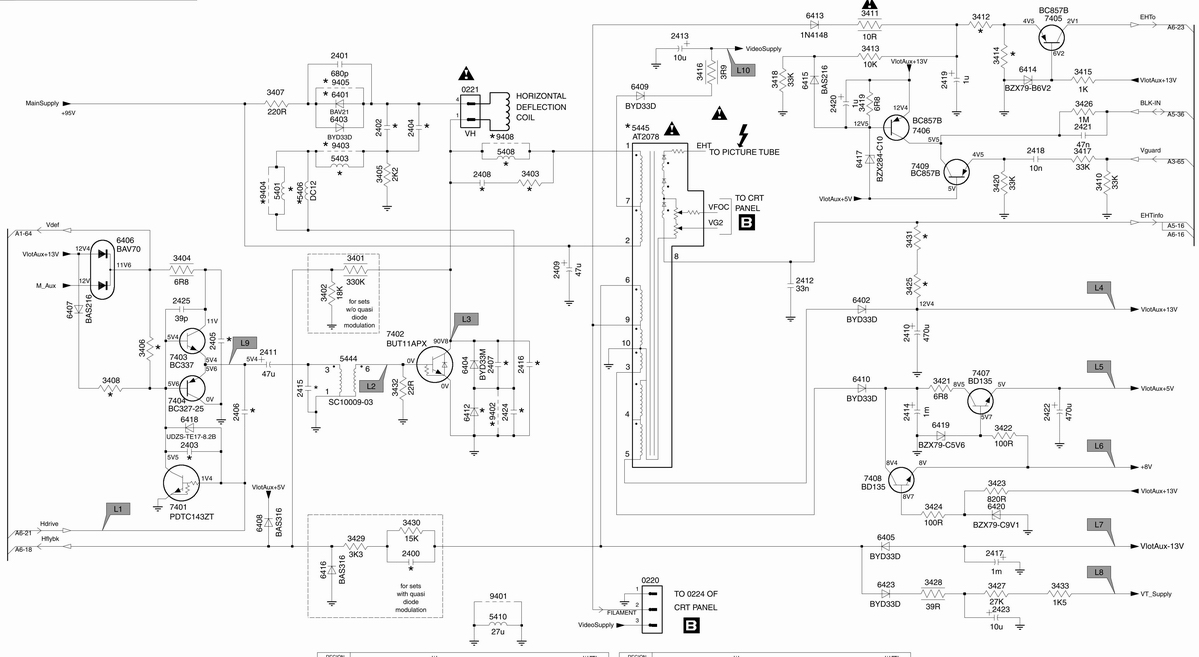
ТДКС - 1142.5093d
HOT - BUT11APX
Процессор - TDA9552h/N1/3/0741
Кадровая - TDA9302H
Tuner - UV1317/AIG-3
При включении слышно привычные звуки запуска, но вдруг их перебивают прострелы/треск в районе платы кинескопа. Накала нет, но от автономного питания нити светятся. На ТДКС приходит 96 В. На накал не уходит ничего. Всякая мелочевка в строчной проверена - проблемного ничего не выявлено.
Умер ТДКС, или я что-то пропустил?
| crt.jpg |
| Описание: |
|
| Размер файла: |
221.31 КБ |
| Просмотрено: |
294 раз(а) |

|
line deflection.jpg 198.41 КБ Скачано: 216 раз(а)
|
|
Yuritsh
Фанат форума
Сообщения: 18498
|
| Rocksolaan писал: | | прострелы/треск в районе платы кинескопа (вроде бы). | И кто, кроме тебя, будет их искать? Включи в темноте, может что увидишь.
| Rocksolaan писал: | | Накала нет, | При чем тут накал, если у тебя высокого нет? |
|
|
Rocksolaan
|
Да-да, включал в темноте. Внизу разъема кинескопа (внутри) увидел бирюзовое свечение. Поправил контакт фокусного провода - проблема ушла.
Только что снимал присоску. Положил отвертку в 1,5 см от контакта. При включении видна синевато-красная дуга, шипение, улавливается озон... Высокое есть? Подскажите/намекните пожалуйста. |
|
виктор-теледоктор
Фанат форума
Сообщения: 13900
|
| Rocksolaan, на плату кинескопа напряжение накала приходит ? |
|
|
Rocksolaan
|
| виктор-теледоктор писал: | | Rocksolaan, на плату кинескопа напряжение накала приходит ? |
Нет. Ровно 0.00 В. |
|
непоседа
Передовик
Сообщения: 1939
|
| А ты цепь накала от ТДКС проверь,а не на концах.Если придешь к выводу что обмотка накала виновата то думай как подать накал.Надеюсь схему читать умеешь. |
|
|
Rocksolaan
|
Конечно, проверял. Нули уже на самом трансформаторе. Вести накал отдельно? Но мне кажется, что ТДКС полностью не запускается: нарастающий свист начинает пульсировать, потом стабилизируется. Потрескивания кинескопа нет. Водя рукой, по экрану, тоже ничего не слышу/не ощущаю...
Поделитесь опытом: бывает ли такое, что на присоске есть высокое, но когда её поставить в кинескоп - ситуация меняется? |
|
VStar47
Завсегдатай
Сообщения: 829
|
| Иногда обрываются резисторы 3349 и 3350 ( оба - по 1 Ом). |
|
непоседа
Передовик
Сообщения: 1939
|
Ты уж определись Кто виноват-нет ВВ или накала? Неужели так трудно проверить ТДКС если ты мастер.  |
|
|
Rocksolaan
|
Начинающий мастер. Наличие высокого я проверял описанным выше способом. Об отсутствии накала свидетельствуют и нити, и показания тестера.
| VStar47 писал: | | резисторы 3349 и 3350 | Спасибо, проверил. Целы оба... |
|
непоседа
Передовик
Сообщения: 1939
|
| Слушай а ты проверил поступление импульсов драйвера,осцила наверно нет.Если 8в на 9кон. МС -Д7200.И вообще озвуч все пит напруги . |
|
|
Rocksolaan
|
Осциллограф завтра будет.
Тем временем разбираюсь с питанием: с блока вместо 12,4 В поступает 9,8. Еще не разобрался, критично ли это; может ли это влиять настолько негативно. |
|
VStar47
Завсегдатай
Сообщения: 829
|
Можно сделать косвенную проверку наличия СИ на базе 7402 (BUT11APX) :
- если отриц.постоянное напряжение( от 0,3V до 1,0V) на базе 7402( BUT11APX) присутствует, то и строчные импульсы запуска там есть. |
|
jonster
Передовик
Сообщения: 1176
|
| Rocksolaan писал: | Да-да, включал в темноте. Внизу разъема кинескопа (внутри) увидел бирюзовое свечение. Поправил контакт фокусного провода - проблема ушла.
Только что снимал присоску. Положил отвертку в 1,5 см от контакта. При включении видна синевато-красная дуга, шипение, улавливается озон... Высокое есть? Подскажите/намекните пожалуйста. | Бирюзовое свечение - как романтично.
Только полтора сантиметра на присоске в 24 кВ - будешь валяться в дальнем углу, или вообще ты нам тут не товарищ. Ты - камикадзе и завязывай с ремонтом, пока не получил, что можно получить. Имхо. |
|
Вано
Передовик
Сообщения: 2156
|
| найди перемычки сервиса SDM (там 2 перемычки окрашены белым и подписаны. что SDM.) примерно расположения зад тюнера и 2 см под 45 градусов. замкни их и включай тв в сеть. у тебья поотключается куча защит. и будет дольше времья чтото увидеть. проц очень капризный если чтото неправильное. сразу уходит в аут строка. |
|
jonster
Передовик
Сообщения: 1176
|
| Вано писал: | | найди перемычки сервиса SDM (там 2 перемычки окрашены белым и подписаны. что SDM.) примерно расположения зад тюнера и 2 см под 45 градусов. замкни их и включай тв в сеть. у тебья поотключается куча защит. и будет дольше времья чтото увидеть. проц очень капризный если чтото неправильное. сразу уходит в аут строка. |
Ты бы его от этих опасных измерений то бы отговорил? Нам нужен потенциальный завсегдатай, или как? |
|
Вано
Передовик
Сообщения: 2156
|
| Цитата: | | Поделитесь опытом: бывает ли такое, что на присоске есть высокое, но когда её поставить в кинескоп - ситуация меняется? |
да вчитался. если есть высокое без установки. то тогда уже все кинескоп разгерметизирован.. накал с посторонего источника будет виден но слабый. . это еще чтото в нем осталось. . неполная разгерметизация при полной он отгорает.
ДОБАВЛЕНО Декабрь 16 2017
фиолетовое свечени потверждение... |
|
jonster
Передовик
Сообщения: 1176
|
| Вано писал: | | ...фиолетовое свечение потверждение... | И высокое есть, только не такое, которое высокое, а не сильно высокое и это спасает ТСа от ВВ-удара. Куда он прется со своей отверткой в рабочий телек? Особенно на ВВ?
Rocksolaan, выкинь его нафиг.
Недавно был плоскомордый филипок, так кино - хламьё и при чем быстро сдох (со слов заказчика), аки сдыхают самцы за неделю, 72-е и чуть поменьше. Наверное АББ их быстро приговаривает, но факт на лице.
Ладно - покажи токи пушек для начала. Осцил в сторону, он тут пока не нужен. |
|
непоседа
Передовик
Сообщения: 1939
|
| Откуда токи пушек если он ТДКС завести не может по простому. |
|
валентин-сибиряк
Фанат форума
Сообщения: 9042
|
| Цитата: | | Внизу разъема кинескопа (внутри) увидел бирюзовое свечение. |
Ну и всё.Меняй кин.  |
|