ESpec - мир электроники для профессионалов


ТВ SHARP DV6332 -чем заменить МС БП.

  Список форумов » Некомпетентные вопросы

Следующая тема · Предыдущая тема
АвторСообщение
электрик21 
Заглянувший
Сообщения: 9
электрик21
 
Сообщение #1 От 23/01/2018 09:44 цитата  

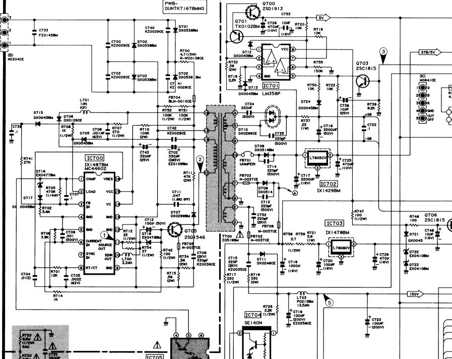
Вобщем по тв ситуация след.Сопроты диоды и стаб.целы-кроме 1го D716-стаб.4.7в в цепи базы тр-ра Q705-2SD1546-он показал обрыв. Вместо этого тр-ра стоит BU2520AF. Он целый.Стаб.заменен а также заменил С712. С743.Питание +270-280. На МС приходит 31.3в.На 1-2.3в на 11-0.2в.ВСЕ.Судя по даташиту мс имеет стабилитрон 20в=а там 31в.Какой вывод?

  .SHARP.JPG  140.24 КБ  Скачано: 226 раз(а)
REKKA 
Фанат форума
Сообщения: 3722
REKKA
 
Сообщение #2 От 23/01/2018 11:20 цитата  

электрик21, а где состав аппарата?https://www.rlocman.ru/forum/showthread.php?p=275201 и зачем клонировать темы?!
Telik 
Модератор
<B>Модератор</B>
Сообщения: 1962
Telik
 
Сообщение #3 От 23/01/2018 11:46 цитата  

Начните с оформления темы по правилам. Укажите, какой дефект в телевизоре. Есть ли выходные напряжения? Иначе - корзина!
электрик21 
Заглянувший
Сообщения: 9
электрик21
 
Сообщение #4 От 23/01/2018 15:52 цитата  

ТВ SHARP-мод.DV6332S шасси BCTV-A .66см. пG1032BMSA Состав-MC44602 2SD1546 HEF4021 HEF4053 HEF4094 SA8832 24CO8 27CO1A SN74ALS573N TDA2030 Выходных напряжний нет-есть входные 220-перемен.280- пост.Все что есть на мс 44602 в пост№1. А насчет клонирования пока промолчу.

  .SHARP.JPG  140.24 КБ  Скачано: 203 раз(а)
vadim3008 
Мастер Добрых Дел
Мастер Добрых Дел
Сообщения: 5819
vadim3008
 
Сообщение #5 От 23/01/2018 16:30 цитата  

электрик21 писал:
ТВ SHARP DV6332 -чем заменить МС БП.


А,что проблема купить новую?
REKKA 
Фанат форума
Сообщения: 3722
REKKA
 
Сообщение #6 От 23/01/2018 16:32 цитата  

-Выходных напряжний нет-почему? Что, говорит ГЕНЕРОТТОР? Мот ящик и ремонтить уже не надо?
электрик21 
Заглянувший
Сообщения: 9
электрик21
 
Сообщение #7 От 23/01/2018 16:50 цитата  

Да в данный момент это проблема.Там где нахожу дорого.Я думаю-поймете ЛНР-Стаханов.Какая может-быть почта.Сам 12 лет особо не ходун.Есть старые друзья гсвг-в Москве.Не найду подходящий магазин-чтобы прикупить в одном месте.все что нужно.А други тоже......возраст свое берет да и в електронике не особо.так что гонять их не хочется.И платить за достаку трижды тоже как-то??? Вот такие дела.

ДОБАВЛЕНО 23/01/2018 18:02

Не совсем понял.На выходе МС-должен быть первоначальный сигнал.После этого она питается от тр-ра и /деж.и раб./.а этого сигнала невижу.
Цитата:
Что, говорит ГЕНЕРОТТОР?
vorion 
Бывалый
Сообщения: 43
 
Сообщение #8 От 23/01/2018 18:12 цитата  

Какое напряжение на 14,15 ножках? Датчик тока целый?
Вот здесь глянь http://uacargo.com.ua/zona-ato-in-ukraine
электрик21 
Заглянувший
Сообщения: 9
электрик21
 
Сообщение #9 От 23/01/2018 19:38 цитата  

На 14-15 ножке порядка ка 30-31в. А датчик тока -это кто и где ?Насчет доставки-это мутные компании .Никаких гарантий.Также и после прочитанных отзывов.Раньше пользовался Новой почтой .Никаких проблем-одно удоволствие.2-3 дня с любой точки Украины.Брал в Харькове Киеве Ровно даже тюнер где-то в селе рядом с Румынией /от 1 микрухи до автоаккумулятора/.Прекрасно работает логистика. А сейчас?????7
REKKA 
Фанат форума
Сообщения: 3722
REKKA
 
Сообщение #10 От 23/01/2018 20:46 цитата  

тема не о чем Если афффффффтор мастер то он должен знать о чем я его спросил Смысл долбиться с аппаратом делать БП если, сам аппарат ТРУП!!!!!!!!
электрик21 
Заглянувший
Сообщения: 9
электрик21
 
Сообщение #11 От 23/01/2018 22:15 цитата  

Все стали такие умные.На хрена тогда форум.
электрик21 
Заглянувший
Сообщения: 9
электрик21
 
Сообщение #12 От 24/01/2018 13:30 цитата  

Что переместили тему. Легче договорится с бендеровцами чем Харьскими ЖИДАМИ.

Перейти: 
Следующая тема · Предыдущая тема
Показать/скрыть Ваши права в разделе

Интересное от ESpec


Другие темы раздела Некомпетентные вопросы

1


Rambler's Top100 Рейтинг@Mail.ru liveinternet.ru