ESpec - мир электроники для профессионалов


определить элемент. диод

  Список форумов » Даташиты

Следующая тема · Предыдущая тема
АвторСообщение
agrlin 
Новичок
Сообщения: 14
agrlin
 
Сообщение #1 От 09/06/2014 05:19 цитата  

Помогите определить зверя. сгорел в автомобильном генераторе (митсубиси) диод. Корпус такой

Маркировка. в две строки
LS
6324
serega-64 
Старший модератор
<B>Старший модератор</B>
Сообщения: 10180
serega-64
 
Сообщение #2 От 09/06/2014 06:55 цитата  

Да не сгорел, а защитил. Супрессор это. В какой цепи стоит?

ДОБАВЛЕНО 09/06/2014 07:59

Забыл добавить, что может быть была переплюсовка, хотя мало вероятно, а то бы предохранитель силовой вылетел, скорей всего гена пошел в "разнос", т.е. без ограничения напряжения, что еще часто бывает при откл. аккуме.
sheva0000 
Передовик
Сообщения: 1296
sheva0000
 
Сообщение #3 От 09/06/2014 08:10 цитата  

ставил недавно на 900W генератор 2 шт 40V (в место двух) шотки с БП компа
agrlin 
Новичок
Сообщения: 14
agrlin
 
Сообщение #4 От 09/06/2014 08:33 цитата  

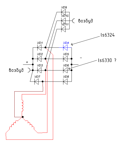
По схеме на супрессор не похож, схема


Шоттки нельзя ставить. Если и ставить шоттки, то все. На шоттки падение очень маленькое.
Поставил щас диод близкий по падению. Но както работает коряво, а именно. При старте генерирует еле еле, после минут 5 выдает 13,6 и плавает с 12,4 до 14.
Думаю или менять возбудитель (600 тайвань) или диодный мост (900 тайвань). Всё остальное в норме. Правда есть выработка на кольце ротора, может бъет по щетке (щетки новые)
Rom-Zecs 
Передовик
Сообщения: 2900
 
Сообщение #5 От 09/06/2014 09:01 цитата  

agrlin писал:
Шоттки нельзя ставить. Если и ставить шоттки, то все. На шоттки падение очень маленькое.
)

кто это говорит? продвинутый пользователь ключа и отвертки?
sheva0000 
Передовик
Сообщения: 1296
sheva0000
 
Сообщение #6 От 09/06/2014 09:03 цитата  

и что что маленькое? за то не греется, а для обмотки лишние 0.4V не так уж и страшно.

ДОБАВЛЕНО 09/06/2014 08:07

вместо VD4 поставь диод VD8, только потеряешь 100W, думаю не критично!
agrlin 
Новичок
Сообщения: 14
agrlin
 
Сообщение #7 От 09/06/2014 09:23 цитата  

Спасибо за ответы.
Rom-Zecs, как минимум классно!
Sheva0000, для обмотки может и не страшно, но для запитываемого оборудования, вопрос. На осциллограмме амплитуда плеча, где стоит шоттки, будет больше чем в других. Я не знаю как поведет себя оборудование на эти скачки. И как отработает регулятор напряжения в гене. В машине скоро будет стоять рация и такие мелочи думаю не к чему. Поэтому и ищу именно такой диод.
Диоды VD1-VD8 намертво припаяны. VD9-VD11 навесуха.
Rom-Zecs 
Передовик
Сообщения: 2900
 
Сообщение #8 От 09/06/2014 09:29 цитата  

поставь кондер, специальный автомобильный
serega-64 
Старший модератор
<B>Старший модератор</B>
Сообщения: 10180
serega-64
 
Сообщение #9 От 09/06/2014 09:30 цитата  

agrlin, Чё та у меня картинка не грузится, ладно, смею предположить, что сгорел один из дополнительных 3х диодов на питание регулятора напряжения. В начале темы об этом не сказано, проехали. Эти диоды должны быть с одинаковыми параметрами, т.к. от этого зависит выходное напряжение гены, для регулятора напряжение после этих диодов является опорным.
agrlin писал:
Думаю или менять возбудитель

Возможно, это легко проверяется, В общую точку этих диодов подать + с силовой клеммы и тогда увидишь плавает или нет. При выгорании 1 или более доп. диодов (были случаи когда они стояли недоступно, залиты в общую "подкову") делал просто - подавал + через реле от вкл. зажигания.
agrlin 
Новичок
Сообщения: 14
agrlin
 
Сообщение #10 От 09/06/2014 09:43 цитата  

serega-64, нет, те диоды в норме. Неисправный был в обмотке статора.
Собственно интересует даташит на диод. Сейчас вот обсуждаем тему и понимаю, что что-то именно с возбуждением. Скорее всего сниму на диагностику регулятор.

  гена.GIF  8.36 КБ  Скачано: 279 раз(а)
serega-64 
Старший модератор
<B>Старший модератор</B>
Сообщения: 10180
serega-64
 
Сообщение #11 От 09/06/2014 10:03 цитата  

agrlin писал:
Скорее всего сниму на диагностику регулятор.

Тут надо в паре с геной отдавать, на столе регулятор может себя вести вполне адекватно, не раз было такое, замена решает пролему. Интересное вкл. регулятора, мой метод не подходит, у регулятора опорное "-", япошки как всегда в своем стиле, называется почуствуй разницу. Ну а параметры примерно 50в 40а, сопр. перехода мона по рядом стоящим сравнить.
roges 
Передовик
Сообщения: 1197
 
Сообщение #12 От 09/06/2014 10:19 цитата  

agrlin писал:
Собственно интересует даташит на диод.

Желательно фото, с читаемой маркировкой, в тему.
Можно, на сторонний ресурс, только не Радикал!
sheva0000 
Передовик
Сообщения: 1296
sheva0000
 
Сообщение #13 От 09/06/2014 15:25 цитата  

agrlin писал:
Sheva0000, для обмотки может и не страшно, но для запитываемого оборудования, вопрос.

какая амплитуда? Ув, знаете внутреннее сопротивление акб?
хотел бы увидеть на живом акуме импульсы подшучивать, дразнить
даже если они будут на выходе генератора, то они упадут на проводе до акб. Обратная связь на на регулятор идет с акб.
Я делал отцу на Хундай Галлопер такой же генератор, 900W, сзади еще вакуумный насос стоит (новый от 450до 800уе стоит). Реле поставил Я112 какое то.
agrlin 
Новичок
Сообщения: 14
agrlin
 
Сообщение #14 От 10/06/2014 11:19 цитата  

смотря какой генератор. есть с контролем от акб, есть от бортового компа (P-D). У меня точно не PD, тк +12 идет на этой колодке.
На выходных буду опять разбирать генератор, зафотаю параметры диодов. поменяю регулятор всё же.

Перейти: 
Следующая тема · Предыдущая тема
Показать/скрыть Ваши права в разделе

Интересное от ESpec


Другие темы раздела Даташиты



Rambler's Top100 Рейтинг@Mail.ru liveinternet.ru