| Автор | Сообщение |
|
ANNNo
|
Доброго времени суток.
Help. Помогите опознать.
V-02-000-008-4500K VARTON Там она стоит
| IMG_0278.jpg |
| Описание: |
|
| Размер файла: |
396.59 КБ |
| Просмотрено: |
215 раз(а) |

|
|
|
Yuritsh
Фанат форума
Сообщения: 18498
|
| Распиновку озвучь. Хотя-бы 3-х, 4-х ног. |
|
AlexP
Передовик
Сообщения: 1146
|
|
AlexP
Передовик
Сообщения: 1146
|
|
|
ANNNo
|
Не похоже.....
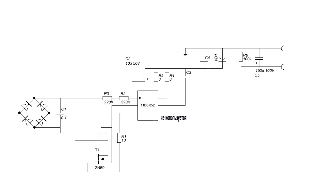
Отрисовал вот.
115D052_low.jpg 104.04 КБ Скачано: 188 раз(а)
|
|
roges
Передовик
Сообщения: 1197
|
| ANNNo писал: | Не похоже.....
Отрисовал вот. |
ANNNo, это что? Схема китайского фейерверка?  |
|
|
ANNNo
|
| Нет. Светильник. V-02-000-008-4500K VARTON. Отрисовал чтоб понятно было какая нога куда. |
|
Yuritsh
Фанат форума
Сообщения: 18498
|
|
|
ANNNo
|
|
roges
Передовик
Сообщения: 1197
|
| ANNNo писал: | | Нет. Светильник. V-02-000-008-4500K VARTON. Отрисовал чтоб понятно было какая нога куда. |
Светильник говоришь.... Но, если собрать светильник по твоей нарисованной схеме, то вместо светильника, будет "маленький" фейерверк.  |
|
|
ANNNo
|
Очень похожа. Но не понятно где взять или чем заменить.
ДОБАВЛЕНО 20/09/2018 12:26
Да это часть светильника (Не вся это схема). Меня попросили распиновку, я отрисовал то, что микросхеме относится. |
|
roges
Передовик
Сообщения: 1197
|
|