БИБЛИОТЕКА
•
ФАЙЛЫ
•
ФОРУМ
•
ССЫЛКИ
•
ЧАТ
Регистрация
•
Вход
Поиск
•
Пользователи
•
Справка
Помогите опознать микросхему so8
Список форумов
»
Даташиты
Следующая тема
·
Предыдущая тема
Автор
Сообщение
mushfiqs
Заглянувший
Сообщения: 2
#1 От 04/06/2019 11:08
цитата
Помогите опознать smd микросхему so8
20190604_110906.jpg
Описание:
Размер файла:
215.11 КБ
Просмотрено:
368 раз(а)
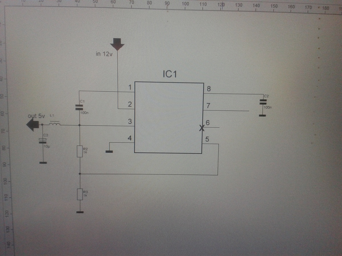
20190604_114853.jpg
Описание:
схема примерно так выглядит
Размер файла:
380.93 КБ
Просмотрено:
358 раз(а)
AlexP
Передовик
Сообщения: 1146
#2 От 04/06/2019 11:24
цитата
mushfiqs
, BL8092
http://www.icgu.com/file/upload/201506/18/17-49-07-80-1.pdf
mushfiqs
Заглянувший
Сообщения: 2
#3 От 04/06/2019 11:41
цитата
спасибо
Список форумов
»
Даташиты
Перейти:
Выберите форум
CRT-телевизоры
LCD-телевизоры и плазменные панели
Проекционные телевизоры
Сервисные меню телевизоров
TFT-мониторы
CRT-мониторы
Настольные компьютеры
Ноутбуки и КПК
Периферийные устройства
DVD-проигрыватели и видеомагнитофоны
Видеокамеры
Фотоаппараты
Стационарные и радиотелефоны
Мобильные телефоны и смартфоны
Стиральные и посудомоечные машины
Холодильники и кондиционеры
Газовые и электроплиты
Микроволновые печи
Газовые котлы
Прочие бытовые приборы
Музыкальные центры и усилители
Автомобильные аудиосистемы
Портативная аудиотехника
Раскодировка
Цифровые приставки, спутниковое оборудование
Измерительные приборы
Медицинская техника
Другая аппаратура
Схемы и сервис-мануалы
Прошивки
Даташиты
Торговые ряды
Стол заказов
Свободное общение
Программаторы
Электроника от А до Я
Мастерская Самоделкина
Программное обеспечение
Новости, обьявления, важные темы
Центр связи и информации
Некомпетентные вопросы
Нарушения правил
Следующая тема
·
Предыдущая тема
Версия для печати
Ваши права в разделе
Вы
не можете
начинать темы
Вы
не можете
отвечать на сообщения
Вы
не можете
редактировать свои сообщения
Вы
не можете
удалять свои сообщения
Вы
не можете
голосовать в опросах
Вы
не можете
добавлять файлы
Вы
можете
скачивать файлы
Интересное от ESpec
Другие темы раздела
Даташиты
t-con плата bn41-01939c к тв samsung ue40F6100ak
Автомагнитола VOLVO CR-502
Аналоги на ШИМ W6052S
ищу инфу по UC16206-SNAR5-N, цифробуквенный ЖКИ фирмы Samsun
Ищу мосфет 45A 40V
Ищу параметры и логотип производителя диода 6DRR4P
какие есть аналоги у этих релюшек
Микросхемы HCF4094 HCF4517 HEF4020 аналоги?
Номинал конденсатора C502. T/v PHILIPS 37PFL5405H/60 ...
Нужна помощь в подборе аналога транзистора
Опознать элемент R502 на планке t-kon матрицы CLAA185WA03
Определить микросхему БП монитора Dell SE2219H
помогите с даташитом на B58019
Помогите опознать SMD в корпусе SOT23-5
Помогите опознать деталь.
Помогите опознать элемент.
Помогите подобрать аналог микросхемы MR4500
Помогите подобрать микросхему. TSSOP.
Принтер hp1018 ; опознать smd питатель платы CB 440 60001
телевизор SAMSUNG CS-29Z56 SLIM FIT TV. Нет звука.