| Автор | Сообщение |
|
Almatarix Play
|
Доброго времени!, помогите опознать деталь H2F в инверторе SVC BI-1000
| 2.jpg |
| Описание: |
|
| Размер файла: |
245.25 КБ |
| Просмотрено: |
385 раз(а) |

|
|
|
|
BigUh
|
|
|
Almatarix Play
|
Благодарю! но странно что деталь не как транзистор прибор показывает к посту выше, может прибор не тянет?, опознание деталь H2F в инверторе SVC BI-1000
| 3.jpg |
| Описание: |
|
| Размер файла: |
258.19 КБ |
| Просмотрено: |
393 раз(а) |

|
|
|
|
profvr
|
Доброго времени суток! Подскажите что за компонент 3VTAA плата блютуз наушников.

|
|
|
BigUh
|
|
|
Nahren
|
Здравствуйте, помогите опознать компонент с маркировкой на корпусе 035Z (Z - подчеркнут) на плате обозначен буквой Q, напряжение на нем, предположительно, в диапазоне от 5 до 24 вольт. Установлен на плате матрицы HSD190ME12-A11


|
|
|
DVDROMa
|
Здравствуйте! Прошу помочь в опознании. Это входная линия свитча D-Link. Читаема первая цыфра 2 с верхним подчеркиванием. Похоже, что маркировка из 3-х знаков. Над третим верхнее подчеркивание. Спасибо

| smd2.png |
| Описание: |
|
| Размер файла: |
765.35 КБ |
| Просмотрено: |
196 раз(а) |

|
|
|
|
BigUh
|
|
|
DVDROMa
|
| BigUh писал: | | DVDROMa, TPS562200? |
Да, скорее всего. Просто огромное спасибо! А как Вы нашли, или из практики по обвязке? Еще раз спасибо! |
|
|
kumip
|
[quote="kumip"]Чо за микруха ? Уже 3 день ищу инфу
На нем написано 04 = e04
[img]https://ibb.co/Xpny1Vz[/img][/img]
ДОБАВЛЕНО 27/09/2020 10:00
Чо за микруха ? Уже 3 день ищу инфу
На нем написано 04 = e04
https://ibb.co/Xpny1Vz |
|
|
Койкого21
|
|
|
Glu
|
|
|
kostya35
|
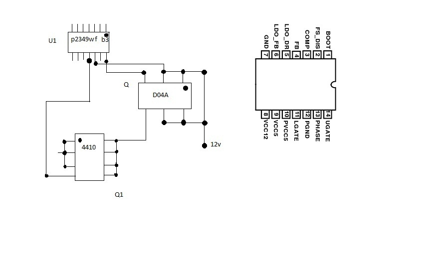
Помогите опознать элемент d04a в корпусе SOT23-6 на плате обозначено как Q3. Идет на микросхему p2349wf B3 на 12(pgnd) и 14(ugate) ноги. Видеокарта ВИДЕОКАРТА msi n295gtx. Если поможете опознать и микросхему p2349wf B3 то будет вообще прекрасно, я только нашел как пишут ее аналог 6549cbz.
Прилагаю картинку, а то на фото ни чего не видно
602743.jpg 38.81 КБ Скачано: 198 раз(а)
|
|
|
Койкого21
|
|
|
kostya35
|
| Спасибо большое всем кто принял участие в решение данной проблемы. |
|
|
Magnigor
|
Доброго дня форумчане. Прошу Вас помочь опознать микросхему. Это блок питания ъвидеокамеры наблюдения, фирма GKB (Тайвань) . Самостоятельный поиск не увенчался успехом. Буду признателен за любую помощь!
 |
|
|
BigUh
|
|
|
WOOWOO
|
Здраствуйте! Помогите опознать компонент маркировка :EY1, на плате Q802
 |
|
|
Hristo79
|
Здравствуйте.
Помогите определить smd компонент. Установлен на плате PoE видеорегистратора (видеонаблюдения) купленного на али.
| IMG_18012.JPG |
| Описание: |
|
| Размер файла: |
250.37 КБ |
| Просмотрено: |
236 раз(а) |

|
|
|
стопыч
Фанат форума
Сообщения: 3167
|
LR и ниже справа H. Стоит в преобразователе из 5в в 15в на плате Y тв LG. SOT89.

|
|