| Автор | Сообщение |
|
Койкого21
|
стопыч, Привет Володя! Ну ты же не новичек
RHP020N06 MOSFET N-Channel 60v 2A SOT-89 marking LR

|
|
стопыч
Фанат форума
Сообщения: 3167
|
|
|
dersp
|
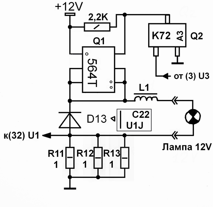
Доброго всем здоровья.
Прошу помощи у знатоков форума в опознании элементов схемы управления лампой освещения камеры микроволновки SMEG SC45MNE2. При нормальной работе этой схемы, лампа зажигается и гаснет плавно. Сейчас лампа горит в любом состоянии печки, стоит только вставить вилку питания в розетку. Со слов хозяев она вдруг погасла, а после замены стала гореть постоянно.
Мною был выявлен пробитый элемент схемы Q1, судя по схеме, это Р-канальный полевик. Имеет маркировку на корпусе 564Т (корпус SOT-26). Скорее всего переход SD был пробит КЗ, созданного дугой при перегорании лампы. Пробоя с В и S на затвор нет, последний запитан от элемента Q2 (обозначение на его корпусе имеется на приложенном рисунке), судя по тому, что как обычный транзистор он не прозванивается, это т.н. цифровой транзистор. Сигнал управления на его базу приходит к вывода (3) U3 (MC74HC132A - четыре триггера Шмидта). С токовых резисторов R11, R12, R13, через R10, сигнал о целостности лампы подаётся на вывод (32) U1 (МК - MC9S08AW32).
Чтобы найти замену Q1, мне нужно знать, что это за зверь, также, желательно узнать информацию и о Q2. Хочу инвертировать сигнал, приходящий на затвор Q1 и воткнуть вместо него N-канальный мосфет, которых у меня куча.
Пишу сюда потому, что найти информацию по этим двум элементам схемы я найти не смог.
камеры.JPG 119.82 КБ Скачано: 187 раз(а)
|
|
|
Койкого21
|
|
|
dersp
|
| Койкого21, большое спасибо за информацию, здорово помогли. |
|
|
opexow
|
Друзья, помогите, пожалуйста опознать транзистор... Маркировка ALY 11
 |
|
|
Койкого21
|
|
|
opexow
|
Спасибо!  |
|
|
Beka8206
|
Здравствуйте, подскажите что за детали
| IMG_20210108_153214.jpg |
| Описание: |
|
| Размер файла: |
676.39 КБ |
| Просмотрено: |
207 раз(а) |

|
|
|
AlexP
Передовик
Сообщения: 1146
|
Beka8206, ECLL = MEM2301 P-Channel Power MOSFET 20V, 2.8A
ДОБАВЛЕНО Январь 08 2021
CFCC распиши ноги. Это случайно не LED driver ? |
|
|
Койкого21
|
|
foxter-x
Передовик
Сообщения: 1503
|
|
AlexP
Передовик
Сообщения: 1146
|
foxter-x, у SY8101 5 знаков в маркировке, а здесь только 4.
ДОБАВЛЕНО Январь 08 2021
да и корпус другой, ноги под брюхо завернуты. |
|
foxter-x
Передовик
Сообщения: 1503
|
| AlexP, согласен. Тогда да, APW7136C? |
|
|
Beka8206
|
|
|
Beka8206
|
| Здравствуте . подскажите чем можно заменить транзистор ECLL название и код на корпусе? |
|
|
maxim.costin
|
Доброго времени суток!
Помогите пожалуйста опознать сгоревший элемент на плате. На просторах инета не смог найти ничего подходящего кроме BFS17R, но там в маркировке нет буквы "М". Да и найти BFS17R в продаже проблематично.
| E4M.JPG |
| Описание: |
|
| Размер файла: |
232.95 КБ |
| Просмотрено: |
253 раз(а) |

|
|
|
foxter-x
Передовик
Сообщения: 1503
|
maxim.costin, по базам бьется еще E4=Si2323DDS
Так что лучше схему разрисовать, чтобы прикинуть, что там могло стоять. |
|
|
BigUh
|
| maxim.costin, скорее всего IRLML6402PbF |
|
|
maxim.costin
|
| BigUh писал: | | maxim.costin, скорее всего IRLML6402PbF |
Действительно, маркировка из даташита IRLML6402PbF максимально совпадает (с учетом предполагаемой даты производства), за исключением возможных нечитаемых символов в выгоревшем месте.
Большое спасибо за помощь! |
|