| Автор | Сообщение |
|
Атман99
|
Доброго времени суток.
Проблема запуска импульсного блока питания на ШИМ контролере UC3845BN выходной каскад на P4NK60ZFP (N - канал).
При ремонте источника питания были обнаружены вышедшие из строя МОП транзистор и ШИМ контролер вышеуказанные, также разрывной резистор 0.11R (идущий с истока на общий), резистор идущий на затвор с 6 ноги UC3845BN номиналом 22R.
В схеме генератора также сконструированном на двух P4NK60ZFP (N - канал) транзисторах, вышел из строя один из них, также вышел из строя диод с вторичной обмотки импульсного трансформатора (тороидального).
Поменял транзисторы P4NK60ZFP на аналогичные
и ШИМ UC3845BN на UC3845B, заменив диод и вышеуказанные резисторы предварительно проверив
обвязку ШИМа и МОП.
Выпаяв из ИБП выходной МОП включил в сеть, на
7ноге ШИМа(питание) 8 V, на 6 ноге около 0.3-0.6V.
Измерил осциллографом выход с 6 ноги идущей на затвор
частота следования пачек импульсов 14Гц, сама пачка
10ms. Впаивать назад МОП не стал (есть сомнения),ибо
я подавал на ШИМ 12V с автономного БП и тогда частота
шла не пачками а пилой 33кГц.
Вопрос:
Какая частота и скважность должна приходить на затвор МОП? Если где то в чем ошибся, прошу любезно помочь мне,в этом вопросе.
Спасибо большое. |
|
serega-64
Старший модератор
Сообщения: 10180
|
| Атман99, Ошибка в том, что при подаче из-вне 12в вы тем самым лишаете ее своего вторичного питания от транса, там должна быть обмотка питания ШИМ. Подключайте транс и ставьте лампу после сетевой банки на транс в разрыв, лампу 15-25вт. |
|
|
Nabi
|
| Атман99 писал: | | Какая частота и скважность должна приходить на затвор МОП? |
Это зависит от RT и CT (см графики)

Схема ШИМ.jpg 73.87 КБ Скачано: 671 раз(а)
|
|
|
Атман99
|
Доброго времени суток.
Спасибо Вам serega-64 и Вам Nabi.
Припаял лампу в разрыв первичной обмотки импульсного трансформатора после сетевого конденсатора. Включил в сеть лампа мигает с частотой приблизительно 14 - 17 Гц ( измерял осциллографом период следования импульсов он составил 58ms (17Hz) ). Меня настораживает тот факт, что на 7 ноге 8V вместо 12 - 15Vcc. Следующим этапом подключил автономный блок питания и подал 12 V на 7 ногу, на затворе пила 33кГц лампа 35Вт 220В засияла ярко.
Вопрос: Возможен ли вариант что UC3845BN отличается от UC3845B по питанию или все же проблемы с обвязкой питания ШИМа, хотя я проверял выпаивая со схемы радиокомпоненты обвязки? Может упустил чё?
Спасибо Вам большое. |
|
serega-64
Старший модератор
Сообщения: 10180
|
| Атман99, Дело в том, что нам неизвестна конструкция, а тем более схема вашего ИБП. Со своей "колокольни" могу лиш посоветовать прокачать или проверить трансформатор ИБП, а конкретнее "генеротором" или же другим ИБП. Желательно выложить схему вашего ИБП, неважно, что от руки, было бы достоверно. |
|
|
YuriK1
|
| А не мало ли напряжение питания микрухи? Посмотри внешнюю цепочку - оно ведь, как правило, совсем примитивно делается - резючком со стабилитроном. ИМХО - судя по тому, что пишешь - собака там порылась. И почему "пила"-то на затворе? Пила на Ст будет, а на выходе микрухи - прямоугольник... |
|
|
Атман99
|
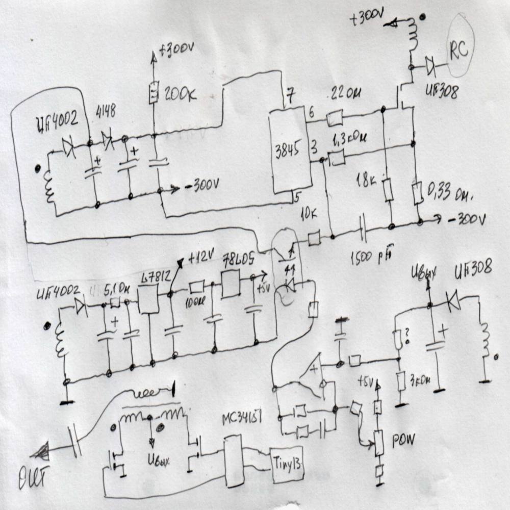
Доброго времени суток.
Перерисовал от руки импульсный блок питания. Проверил импульсный трансформатор генератором НЧ на частотах от 100Гц до 30 - 50кГц . На частотах от 5кГц амплитудных искажений не наблюдается с повышением частоты амплитуда сигнала падает и становиться трудно проследить сигнал так как НЧ генератор выдает на выходе около 10 Вольт. Проверял с подключением конденсатора 0,1 - 1,0мкФ последовательно первичной обмотке, потом параллельно сигнал снимал осциллографом.
Просьба помочь в вопросе, какая частота должна идти на затвор МОП транзистора (хотя бы приблизительно). У меня сейчас на затворе 14гЦ. Обычно ИБП работает на частотах от 20 - 200кГц (Имхо).
Спасибо.
ШИМ ДТС - 02.jpg 76.1 КБ Скачано: 807 раз(а)
|
|
|
YuriK1
|
прежде чем лезть в частотные глубины, введи микруху в нормальный режим работы...
схема ее питания в этом БП - не айс, обычно стабилитрончик на это дело не жалеют... резисторы гасящие все целы?если хоть один в обрыве, то получишь то, что имеешь |
|
|
Атман99
|
скачал нормальный datasheet UC3845 и по нему выходит что напряжение питания включения ШИМа 8,4В , отключения 7,6. Конструктивно схема данного ИБП составлена скажу мягко не совсем хорошо в сравнении с образцами которые разработанные для данной серии ШИМа(ИМХО). Пробовал запустить ИПБ как результат сгоревший МОП (хорошо ШИМ остался целым). Резисторы целы и конденсаторы целы. 8,4 вольта запускают ШИМ далее идет подхват от обмотки питания импульсного трансформатора (два диода последовательно и 2 кондера). Возникают сомнения на предмет замены номиналов деталей до меня.
Стабилитрон полагаю советуете поставить в цепь питания ? |
|
|
YuriK1
|
Атман99, Вы очень упрямый человек То, что Вы увидели в "нормальном" даташите, не напряжение питания драйвера, а параметры защиты от защелкивания при низких напряжениях питания и управления (Under Voltage LockOut - UVLO). Для ключей выходного каскада понижение напряжения управления очень опасно. В этом случае транзистор может перейти в линейный режим и может произойти катастрофа.
ДОБАВЛЕНО 20/04/2012 06:34
Судя по режимам питания Вашего драйвера, он работает в диапазоне срабатывания защиты.. Защита силового транзистора на Вашей дикой схеме почему-то не предусмотрена - обычно падение напряжения на резисторе в истоке полевика (пропорциональное току через него) заводят на 3 ногу драйвера (Iконт). Все параметры для этой микрухи, судя по даташиту, сняты при питании 15В - чувствуете разницу?
ДОБАВЛЕНО 20/04/2012 06:35
Проверьте электролит на питании драйвера - может высох давно... Удачи |
|
|
YuriK1
|
|
|
Атман99
|
Спасибо Вам YuriK1.
Электролиты поменял все на новые (за исключением сетевой банки). Проследил некую закономерность, подал на ШИМ напряжение питания с автономного источника питания и измерил ток при стартовавшем ШИМе он составил 30-45мА. По входу питания ШИМа стоит 5 параллельно соединенных резисторов по 1мОм, вместе 200кОм, соответственно при напряжении при 310DC ток 1,5мА вот и не стартует ШИМ, по даташиту он должен стартовать при 1мА. Выходит ШИМ дохлый? это уже второй (предыдущий тоже так себя вел). Может стоит переделать схему? Задействовать защиту силового ключа и сделать как в даташите. Еще пробовал делать делитель напряжения и дать ШИМу этих 30мА, делитель греется, зато ШИМ стартует, на 6 ноге 33кГц амплитудой 2Вольта. Оно и очевидно при 1мА и 310В Р=0,3Вт а при 30мА в десять больше.
Спасибо. |
|
|
Атман99
|
| Еще запамятовал добавить, что лампа 220В 35Вт в разрыв импульсного трансформатора и 220В 15Вт в разрыв выхода вторички. |
|
|
YuriK1
|
| что означает "лампа в разрыв выхода вторички"? И про питание драйвера от внешнего источника Вам уже писал serega-64 ... |
|
|
Атман99
|
| прибор пришел в ремонт сгоревшим как по питанию (МОП, ШИМ, резистор затвора и резистор истока) так и выходной каскад (один из МОП, диод в цепи индуктивности, резистор). Все вышеперечисленные компоненты заменил на новые. Лампа в разрыв импульсного трансформатора понятно ( проблемы с запуском ИБП), вторую подцепил на выходе с ИБП перед нагрузкой инвертора так как тоже не совсем уверен в исправности последнего. |
|
|
Alabama
|
Приходилось восстанавливать DTC-02 после попадания внутрь корпуса жидкости.
Судя по вашей информации, у вас немного другой, скорее очень старый вариант прибора. Кроме того в
нарисованной вами схеме есть существенная неточность - резистор 1,3кОм идет на 3 ногу 3845 с низкоомного
резистора 0,33 Ом в истоке 4NK60, а с 3 ноги 3845 на минус идет конденсатор 1500pF.
Порядок оживления следующий:
1. Отключить сеть 220В!!!
Проверяем исправность цепи подпитки 3845 ( оба диода и емкость конденсаторов). Судя по вашим сообщениям там может
быть граната . Диоды должны быть с малым временем восстановления, это ВАЖНО!!, особенно если их меняли.
Проверяем резистор 0,33 Ом в истоке 4NK60, 1,3кОм на 3 ногу 3845 и 22 Ом на затвор.
Проверяем исправность вторичной цепи. Желательно стрелочным тестером. При подключении его к С-И одного из полевиков
плюсом на С (центральный) минусом на И - должно быть порядка десятков килоом, в обратном направлении - диод. Также
прозваниваем выходной мощный диод (д.б. с малым временем), для чего выпаиваем его одним концом.
Проверяем живучесть цепи питания L7812 ( диод и конденсатор). Диод тоже с малым временем восстановления.
2. Соединить перемычками 5 ногу 3845 с корпусом L7812, а 7 ногу 3845 с выходом L7812 (12вольт).
3. Подключить переменный резистор номиналом 3.....10кОм крайними выводами на выход 78L05 (5вольт),
а ползунком - на нижний резистор делителя выходного напряжения ( примерно 3кОм ). Обратить внимание,
чтобы ползунок был подключен именно к горячему выводу резистора, ибо второй его конец сидит на земле.
4. Подать на вход L7812 примерно 15Вольт(НЕ ПЕРЕПУТАТЬ ПОЛЯРНОСТЬ!!!!, бо сгорит).
В такой схеме проверяется работоспособность всей цепи управления.
На 6 ноге 3845 должен быть меандр частотой около 30 кГц. Если на датчике напряжения с помощью подключеного
потенциометра увеличить напряжение - при некотором его значении меандр пропадет, в этом случае на 3 ноге 3845
будет около 1.1В, уменьшим напряжение на датчике - меандр на 6 ноге 3845 появится опять и на 3 ноге напряжение
сильно уменьшится. В связи с большим коэффициентом усиления в цепи обратной связи схема работает в пороговом
режиме - это нормально. После этого нажать на педаль. Должна быть слышна трель пищалки. На затворах выходных
полевиков 4NK60 должны быть импульсы частотой около 1.7мГц амплитудой около 12вольт. Импульсы должны быть
с хорошими не заваленными фронтами. При замыкании переключателя SOFT - они превращаются в пачки импульсов.
И в заключение - у меня на обслуживании имеется такой прибор. Врачи хвалят. Если очень надо - могу померить
некоторые параметры, но только ближе к выходным. |
|
|
Атман99
|
Спасибо Вам Alabama,
Диоды были разными, явно кто-то менял, я поменял на два однотипных 1N4935. Я завтра еще раз все перепроверю и испытаю схему по предложенному Вами алгоритму. |
|
|
Alabama
|
У меня сохранились некоторые записи, даже куски схемы. Особое внимание советую обратить на полярность
подключения обмоток трансформаторов. По поводу диодов могу сказать следующее - чем меньше у них время восстановления,
тем лучше. Мы долго с этим провозились. Оказалось, что на холостом ходу импульсы 3845 становятся короче 200нС и
я не уверен, что 1N4935 с ними справится. В оригинале стояли UF4002, в которых время восстановления меньше 50нС.
У нас после попадания физраствора внутрь корпуса (вопрос в том, как он туда попал ), выгорела дорожка
возле 3845 вместе со всей ее обвязкой. Меняли саму 3845 и все диоды и резисторы о которых я упоминал выше.
В результате уже год, как полет нормальный. Банки с физраствором на прибор больше не ложат и прибор используется
по назначении.
DTC-02a.jpg 103.2 КБ Скачано: 812 раз(а)
|
|
|
YuriK1
|
как всё сложно-то...  |
|
|
Alabama
|
Атман99, небольшое уточнение:
выход L7812 (12вольт) необходимо соединять не с 7 ногой 3845, а с точкой соединения диодов цепи подпитки (куда оптрон подключен).
Это я вспомнил, когда взглянул на схему. Больше всего меня в этом приборе удивило то, что схема работоспособна в условиях
мощнейшего излучения. Ведь это по сути сварочный аппарат c частотой под 2мГц. Как бедная Tiny13 не сбоит  |
|