ESpec - мир электроники для профессионалов


Compaq P70, не запускается

  Список форумов » CRT-мониторы

Следующая тема · Предыдущая тема
АвторСообщение
predatorufo 
Заглянувший
Сообщения: 8
 
Сообщение #1 От 17/03/2005 13:01 цитата  

При включении в сеть загорается индикатор питания, срабатывает петля размагничивания и всё. Переходит в ждущий режим... при последующем нажатии "сети" все повторяется: размагничивается и спать. В чем причина? С чего начать ?
MICHAIL 
Передовик
Сообщения: 2440
 
Сообщение #2 От 17/03/2005 13:19 цитата  

Начать с выяснения его настоящей фамилии - шасси и изучения по возможности схемы.Затем проверять нагрузки БП - нет ли коротыша.
predatorufo 
Заглянувший
Сообщения: 8
 
Сообщение #3 От 18/03/2005 08:05 цитата  

Тезки улыбка ...
Год назад он умер таким же странным образом. Полугодовой ремонт в авторизированном сервис-центре все таки оживил его. Но только на четыре месяца. Не знаю почему, но у ремонтников так же не было схемы на этот монитор. Так же по неизвестным причинам от меня были скрыта истинная неисправность. Уже позже, произведенное мною вскрытие показало, что была произведена замена микросхемы в блоке "кадровой развертки". Наименование паяной микросхемы сообщу позже.
Сейчас же, замена той паяной микросхемы, на заранее исправную, ничего не дала. Была бы схема, а пока: FCC ID: IEY447N
Punto 
Завсегдатай
Сообщения: 337
 
Сообщение #4 От 18/03/2005 08:49 цитата  

predatorufo,
Это Нокия. Вооружаемся поиском и читаем о Нокии 447N. Кстати, одолеть такой прибор, не имея навыков ремонта, трудно.
predatorufo 
Заглянувший
Сообщения: 8
 
Сообщение #5 От 18/03/2005 12:41 цитата  

Увы, легких путей не ищем. И о Nokia 447N в сети немного. Надеюсь на понимание и сотрудничество.
Трям 
Завсегдатай
Сообщения: 987
 
Сообщение #6 От 18/03/2005 12:56 цитата  

Искать надо просто по слову NOKIA, причём и в разделе Поиска схем..
А тка же пропаять его.. проверить СР.. и так далее.. пока что Вы не произвели никаких измерений, а если и произвели, то не сообщили никаких результатов..
MICHAIL 
Передовик
Сообщения: 2440
 
Сообщение #7 От 18/03/2005 12:58 цитата  

Да я -б не сказал,что нокия страшна на свету ....улыбка . Знаете,по пословице - что и зайца можно научить на пианино играть.Всё зависит от навыков и желания .
predatorufo 
Заглянувший
Сообщения: 8
 
Сообщение #8 От 19/03/2005 07:03 цитата  

Ну что ж, господа, свежие новости. Была найдена схема Nokia 447E. Вскрытие показало, что она, увы, не подходит. Подскажите, что может быть похожим Nokia 447N? так же на плате обнаружена следующая информация SMA183F (D3110H).
Не знаю, радоваться или нет, вскрытие-закрытие как-то повлияло на весь девайс в целом.
появилось "высокое", но слабоватое. Экран засветился тремя яркими полосками по центру улыбка - красной, зеленой, синей. Беглый осмотр платы показал, что TDA8351 весьма холодна. Кстати, именно она трижды подвергалась замене.
На выходных займусь ею... Может, есть у кого какие нибудь замечания по этой микросхеме, на что обратить внимание в первую и последнюю очередь?
predatorufo 
Заглянувший
Сообщения: 8
 
Сообщение #9 От 23/03/2005 09:45 цитата  

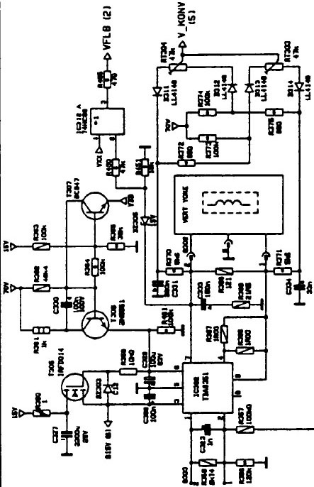
Есть примерная обвязка TDA8351. Лучшего качества найти не удалось.
После очередной замены микросхемы на исправную появилась красная широкая полоса (6-7см). Напряжение на всех выводах TDA8351примерно в два раза меньше. На ножках транзистора IRFD014 кипит припой! Вероятно он уже неисправен.

Пара вопросов:

1. Посоветуйте, чем можно заменить IRFD014?
Есть предположение: 2N6600 и КП907Б.

2. Центральный на фрагменте схемы транзистор - неразборчив. На плате впаян 2N555, смотрел аналоги - это П216В(прямой!). Но на схеме Обратный транзистор!!! Кто встречался с TDA8351 - проясните, что за транзистор должен быть (с 6-го вывода на эммитер)?

  CompaqP70_tda8351.jpg  89.63 КБ  Скачано: 1923 раз(а)

Перейти: 
Следующая тема · Предыдущая тема
Показать/скрыть Ваши права в разделе

Интересное от ESpec


Другие темы раздела CRT-мониторы



Rambler's Top100 Рейтинг@Mail.ru liveinternet.ru