| Автор | Сообщение |
|
Самаритянин
|
Помогите опознать деталь,предположительно это стабилизатор,но хотелось бы знать точно.
На корпусе написано 30A вверху, внизу 275
Картинка прилагается

|
|
|
jek
|
можеть это 2SK30A (N channel fet)  |
|
|
Самаритянин
|
| Это не 2sk30A,точно т.к. на плате рядом с деталюхой стоит обозначение IC |
|
-20 dB
Фанат форума
Сообщения: 7674
|
| Самаритянин, срисуй фрагмент схемы, где ОНО стоит... Может, по смыслу что-то предположить удастся? Это с одинаковым успехом может быть и какой-то супервизор питания (формирователь сигнала RESET для контроллера при снижении питания), и источник опорного напряжения (регулируемый прецизионный стабилитрон). По крайней мере, по марккодам "30A" и "275" все известные мне справочники либо молчат, либо выдают несусветную ересь. |
|
|
Самаритянин
|
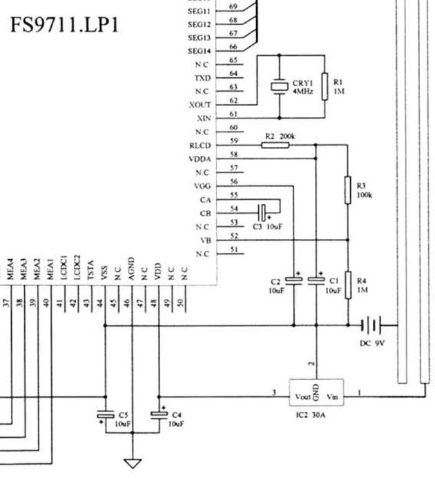
Вот кусок схемы от sinometer VC97,стоит точно такое же чудо.Но как его полное название для покупки?
vc97_p01.jpg 44.42 КБ Скачано: 1905 раз(а)
|
|
-20 dB
Фанат форума
Сообщения: 7674
|
Ну, учитывая, что Vdd для FS9721-LP2 должно быть 3В, это - любой маломощный трёхвольтовый стабилизатор в корпусе TO-92, учитывая батарейное питание - скорее всего Low Drop...
Например,
LM2950L-3,0
LM2931L-3,0 и т.д, в общем-то, по большому счёту - без разницы.. Обе перечисленные с выходным током 100 мА, ток потребления FS9721-LP2 по Vdd я не нашёл, но скорее всего хватит с запасом. |
|
|
Самаритянин
|
|