| Автор | Сообщение |
|
adam7
|
Большая просьба,
помочь определить правильность расположения ползунковых контактов в Mastech MY-65.
Фото мультиметра и высыпавших контактов прилагаю.
Просмотрел множество форумов, но к сожалению ничего не нашёл.
Спасибо, заранее.
MY- 65.jpg 127.88 КБ Скачано: 544 раз(а)
6 - контактных ползунков.jpg 171.1 КБ Скачано: 557 раз(а)
|
|
igme
Передовик
Сообщения: 1126
|
| А что, по следам от кручения не видно? Дайте фото платы с контактами кручения... |
|
|
adam7
|
| igme писал: | | А что, по следам от кручения не видно? Дайте фото платы с контактами кручения... |
Я тоже думал вычислить расположение контактов по следам, но к сожалению следов четких нет.
плате.jpg 195.73 КБ Скачано: 467 раз(а)
|
|
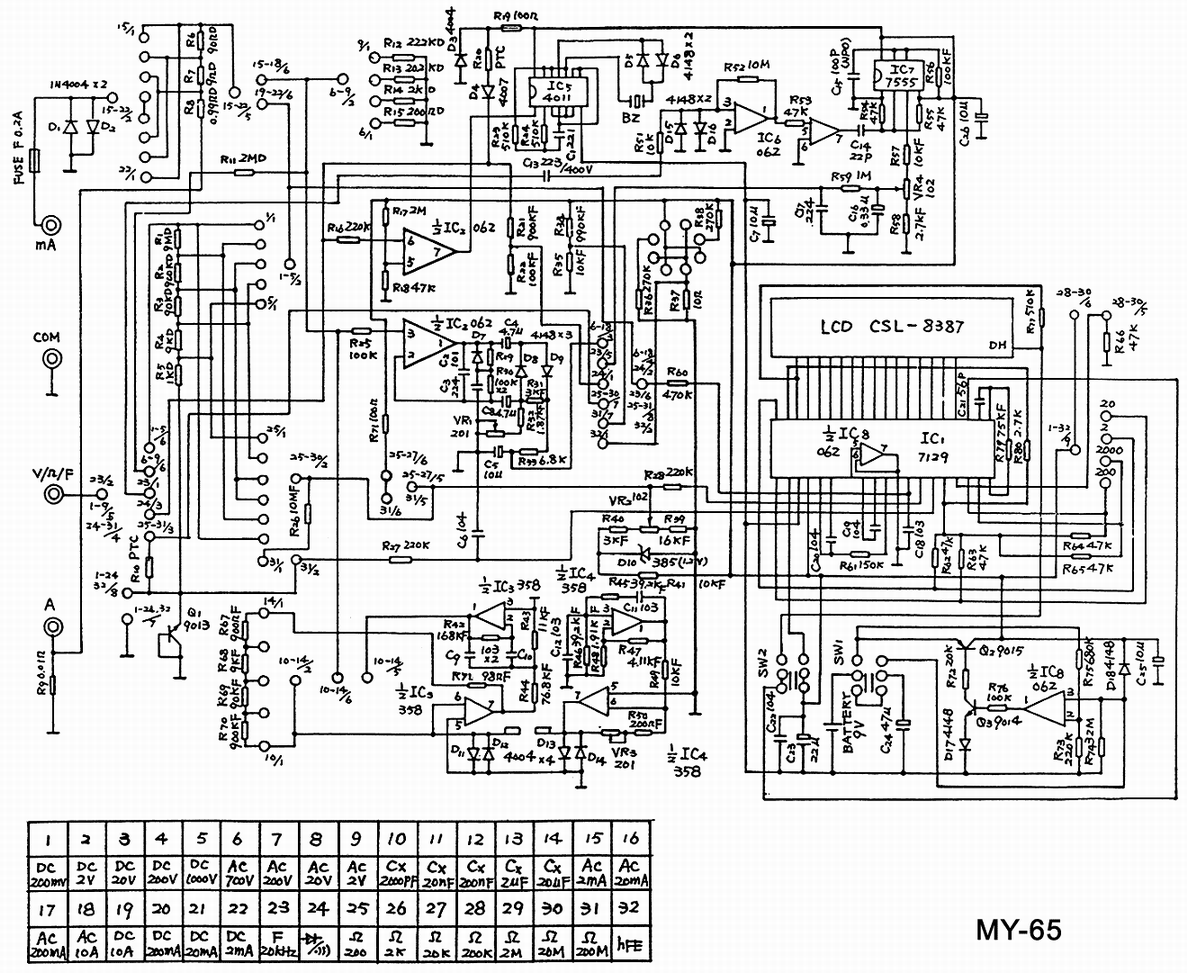
Витькан
Завсегдатай
Сообщения: 610
|
| igme писал: | | А что, по следам от кручения не видно? Дайте фото платы с контактами кручения... |
| adam7 писал: | | Я тоже думал вычислить расположение контактов по следам, но к сожалению следов четких нет. |
Следы должны быть по-любому... Другое дело, что они могут "перекрываться", поскольку переключатель режимов вращается на 360 градусов, а контакты снизу и сверху могут быть смещены, поэтому следы могут быть по всей окружности...
Вот смотри схему, которая найдена в инете. Соответствует или нет - неизвестно... Но в ней понятно, что с чем должно замыкаться... Ну например, при измерении напряжения - переключаются резисторы делителя... и так в каждом режиме где-то переключаются делители... И также переключаются символы на дисплее... И само собой включается питание АЦП.
Теоретически, разобраться можно! Успехов.
| Mastech MY-65.jpg |
| Описание: |
|
| Размер файла: |
264.33 КБ |
| Просмотрено: |
462 раз(а) |

|
| Mastech MY-65.gif |
| Описание: |
|
| Размер файла: |
516.91 КБ |
| Просмотрено: |
392 раз(а) |

|
|
|
igme
Передовик
Сообщения: 1126
|
| adam7 те, что на фото, стоят правильно? Ну значит 95% и остальные цепляете так же через один по такой же схеме. Вообще цепануть, собрать, проверить и если что переделать - недолго... |
|
FreddikMerfi
Автокран Ивановец
Сообщения: 4088
|
| igme писал: | | adam7Вообще цепануть, собрать, проверить и если что переделать - недолго... |
прикольно! А если на режиме измерения напряжения что то пойдёт не так, то уже после этого переставлять ползунки будет поздно! |
|
|
adam7
|
| FreddikMerfi писал: | | igme писал: | | adam7Вообще цепануть, собрать, проверить и если что переделать - недолго... |
прикольно! А если на режиме измерения напряжения что то пойдёт не так, то уже после этого переставлять ползунки будет поздно! |
Неее, напряжения измерять, особенно в розетке я не буду. Разве что на таблетках (1,5в и 3в)  |
|
Витькан
Завсегдатай
Сообщения: 610
|
| adam7 писал: | Неее, напряжения измерять, особенно в розетке я не буду. Разве что на таблетках (1,5в и 3в)  |
Начни отлаживать для режимов измерения сопротивления... Резисторы с известным сопротивлением сможешь найти в своем "хозяйстве"?!
Или с напряжения, но как ты сказал от низковольтных батареек, но ЧЕРЕЗ РЕЗИСТОР... |
|
|
adam7
|
| Витькан писал: | | adam7 писал: | Неее, напряжения измерять, особенно в розетке я не буду. Разве что на таблетках (1,5в и 3в)  |
Начни отлаживать для режимов измерения сопротивления... Резисторы с известным сопротивлением сможешь найти в своем "хозяйстве"?!
Или с напряжения, но как ты сказал от низковольтных батареек, но ЧЕРЕЗ РЕЗИСТОР... |
В "хозяйстве" имеется все, что нужно. Только вот с ремонтом мультиметра Mastech MY-65 впервые сталкиваюсь. Похоже, схемы что мне скинул "Витькан" на другую разновидность Mastech MY-65. Я видел в желтом кожухе с таким же названием. На всякий случай, прикладываю фото моей платы .
| MY65.JPG |
| Описание: |
|
| Размер файла: |
605.2 КБ |
| Просмотрено: |
325 раз(а) |

|
|
|
Витькан
Завсегдатай
Сообщения: 610
|
| adam7 писал: | | В "хозяйстве" имеется все, что нужно. Только вот с ремонтом мультиметра Mastech MY-65 впервые сталкиваюсь. Похоже, схемы что мне скинул "Витькан" на другую разновидность Mastech MY-65. Я видел в желтом кожухе с таким же названием. На всякий случай, прикладываю фото моей платы . |
Ну что нашел, то и прикрепил... У меня имеется на руках MY-63, но это совсем другой уровень...
А на самом переключателе (на пластике), где выступы для установки контактов - есть какие-то следы эксплуатации? Ну может царапины на пластике? углубления? ну хоть что-то есть? |
|
|
adam7
|
Спасибо "Витькан","igme", за помощь.
Установил контакты через один, заработал но частично.
Работает диодная прозвонка, измерения сопротивлений, измерение постоянного и переменного напряжения, но измерение емкости не показывает.
На дисплее всё по нулям при измерении емкости, никакой реакции по всему диапазону.
Похоже где-то обрыв или контакты не там.
Прикладываю фото ползунковых контактов в таком состоянии.
| ползунков.jpg |
| Описание: |
|
| Размер файла: |
537.2 КБ |
| Просмотрено: |
703 раз(а) |

|
|
|
|
adam7
|
Нашел причину, почему мультиметр не измерял емкости.
Оказывается сгорел предохранитель Fuse1 на 250 мА.
Почему он сгорел, когда - понятия не имею.
Для измерения емкостей я использую другой прибор, поэтому никогда Mastech MY-65 не использовал.
Правильное расположение ползунковых контактов, как на фото выше, ничего не менял.
Прикладываю фото, где указан оборванный предохранитель, из-за которого не измерял емкости.
Спасибо "igme" и "Витькан", благодаря Вашим советам удалось починить этот прибор. 
| MY65.jpg |
| Описание: |
|
| Размер файла: |
696.51 КБ |
| Просмотрено: |
396 раз(а) |

|
|
|
Витькан
Завсегдатай
Сообщения: 610
|
| adam7 писал: | ...Оказывается сгорел предохранитель Fuse1 на 250 мА.
Почему он сгорел, когда - понятия не имею. Спасибо "igme" и "Витькан", благодаря Вашим советам удалось починить этот прибор.  |
Предохранитель сгорел, потому что, ты когда-то измерял силу тока (выводы COM-mA) значение которой намного превосходило допустимые 200мА. Вход (mA) имеет защиту в виде предохранителя. Она очень полезная, спасает прибор от гибели... На моем MY-63 стоит предохранитель на 500mA - он очень много раз спасал мой прибор от повреждений (то ли по моей глупости, то ли по ошибке, то ли по спешке). А вот в приборах, где нет такой защиты, в более простых, просто "отгорают" измерительные цепи - и прибор если и работает после этого, то не во всех режимах, и цифры может показывать очень странные... |
|
igme
Передовик
Сообщения: 1126
|
"он очень много раз спасал мой прибор от повреждений "
Да, у меня тоже бывало, но всего 2-3 раза за двадцатилетнюю (!!!!!) историю эксплуатации моего мультиметра. А всё потому, что у меня правило - сначала мерить на диапазоне 10А незннакомую технику. Сразу переключаюсь на мА только на уже знакомых схемах, где точно не превысит. Но вот тоже случались "осечки"
"прикольно! А если на режиме измерения напряжения что то пойдёт не так, то уже после этого переставлять ползунки будет поздно!"
Естессно предполагалось мерить маленькие значения токов\напряжений сначала, а пассивными компонентами сжечь невозможно и вовсе. |
|
Витькан
Завсегдатай
Сообщения: 610
|
| igme писал: | Да, у меня тоже бывало, но всего 2-3 раза за двадцатилетнюю (!!!!!) историю эксплуатации моего мультиметра. А всё потому, что у меня правило - сначала мерить на диапазоне 10А незннакомую технику. Сразу переключаюсь на мА только на уже знакомых схемах, где точно не превысит. Но вот тоже случались "осечки"  |
У меня, цепи с которыми я экспериментировал - были "знакомыми". В установившемся режиме ток не превышал предела в 250мА. А вот пусковой ток, как показывала практика, хоть и был кратковременным, но сжечь предохранитель успевал... И к тому же бывали случаи, что рука "дрогнула" и щупом мог попасть "рядом", а именно, на "силовой" контакт с большой разностью потенциалов... Поэтому, всякое бывает, где-то что-то не учел или по неосторожности. Важно, что прибор "живучий", и ошибки простительны... |
|
Valeriynew
Передовик
Сообщения: 1792
|
[quote="Витькан"]| igme писал: | | Поэтому, всякое бывает, где-то что-то не учел или по неосторожности. Важно, что прибор "живучий", и ошибки простительны... |
Вот из-за этого и имею несколько приборов. Если один СЛУЧАЙНО (именно так и бывает, так как уже давно не "мальчик") сжег, то с помощью второго ремонтирую первый. А после ремонта, еще и сверяю показания. |
|
|
User_000
|
adam7, А Вы не подскажите ,по поводу, калибровки MY-65 !
За что "отвечают" R1 - R5 ?
У меня частоту сети 220В ( с учётом погрешности ) показывает не правильно ! 53-54 Гц.
Каторый из R подкрутить ?
Спасибо.
P.S.
Может кто из ребят знает ? |
|