| Автор | Сообщение |
|
gerr07
|
Приветствую уважаемые форумчане. История такая: отдали мне осциллограф с1-73, который пролежал в гараже более 20-ти лет. Я вскрыл крышки осмотрел и продул воздухом платы. Никакой коррозии, зелени и прочих следов влаги не замечено. Все чисто и сухо. При включении прибор заработал но поработав около 5-ти мин. отключился с сильным нагревом 2-х транзисторов П215 (один из них греется особенно сильно). Я их отпаял и прозвонил. Из криминала заметил только что переход Э-К и обратно имеет сопротивление всего 50-55 Ом в одну и 65-70 Ом в обратную сторону. Но в инете пишут, что вроде как это для них нормально. На этом мои скудные познания в ремонте такой техники заканчиваются. Посему хотел бы обратиться за помощью к кому-то, кто в этом хорошо понимает, и сможет отремонтировать девайс за приемлемые деньги, ибо выбрасывать жалко, а осцилл иногда бывает нужен (работаю автоэлектриком и иногда надо посмотреть сигнал на ДПКВ, ДПРВ или на шине CAN).
Территориально нахожусь в Москве в Тушино, электропочта: |
|
KRAB
Распугиватель клиентов
Сообщения: 21704
|
Присылай в Харьков ... раз твои земляки молчат в теме  |
|
|
gerr07
|
2KRAB Да, что-то земляки не откликаются. Даже не знаю что-и делать Как отправлять в Харьков, честно говоря смутно себе представляю, да и во что это выльется в итоге? Может все-таки откликнется кто-то поближе? А может никто связываться с этим антиквариатом не хочет, задешево ковыряться неинтересно, а дорого за эту рухлядь не возьмешь. А за сколько бы Вы взялись починить? |
|
KRAB
Распугиватель клиентов
Сообщения: 21704
|
| gerr07 писал: | | за сколько бы Вы взялись починить? | - около 25-30 у.е. работа по такому + детали. |
|
tynalex
Фанат форума
Сообщения: 16963
|
| KRAB писал: | | gerr07 писал: | | за сколько бы Вы взялись починить? | - около 25-30 у.е. работа по такому + детали. |
Правильная цена на данное изделие! У меня аналогично -200-250украинских рублей+за деталюшки! |
|
STIPLER
Халтурщик
Сообщения: 5865
|
| gerr07 писал: | | в инете пишут, что вроде как это для них нормально. |
Нет. Меняй.Проверь+19"опорное" |
|
|
gerr07
|
Нет. Меняй.Проверь+19"опорное"
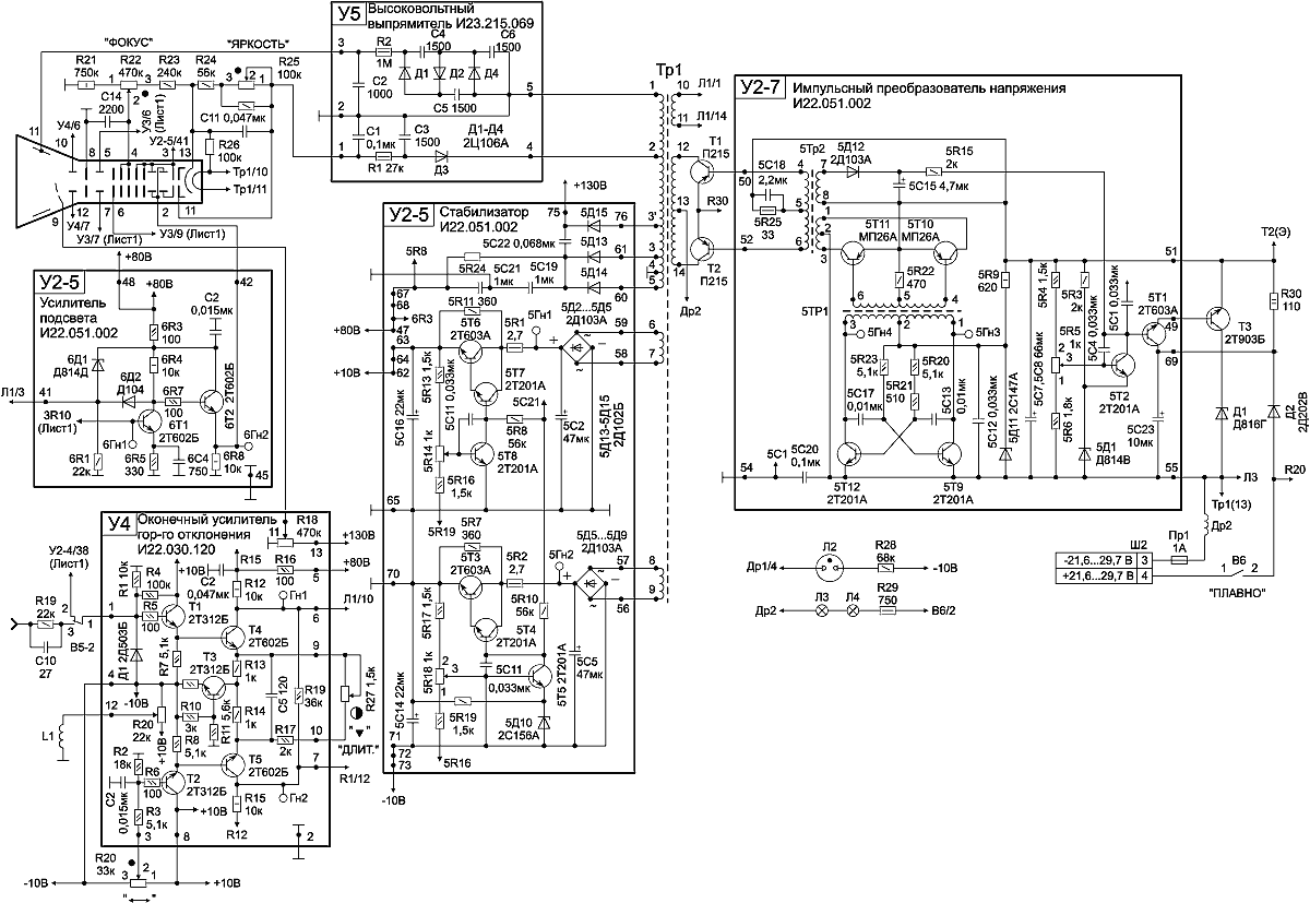
Раз уж я их отпаял, есть мысль поменять их на КТ837. Поеду на днях на радиорынок, по результату отпишусь. По поводу опорного: мерил между точками 51и55 на У2-7(импульсный преобразователь напряжения), намерил какие-то странные 20,5в При этом, при включении от отдельного стабилизированного БП 27в, напруга проседает до 25,5в, как-будто где-то КЗ. |
|
KRAB
Распугиватель клиентов
Сообщения: 21704
|
| gerr07 писал: | | есть мысль поменять их на КТ837. Поеду на днях на радиорынок, по результату отпишусь | - чем больше ты так будешь "усердствовать в ремонте", тем ВЫШЕ потом ценник у Мастеров ... это тебе просто добрый совет ... упашешь - потом сразу на драгмет неси ... |
|
tynalex
Фанат форума
Сообщения: 16963
|
Краб, а ему пох.й, что германий, что кремний- главное транзистор! Какая нах.й разница 0,3 или 0,7 ?! А вдруг заработает? Всё может быть.... |
|
STIPLER
Халтурщик
Сообщения: 5865
|
А в кадровой у"семёрки"ставили?  |
|
|
gerr07
|
| tynalex писал: | | А вдруг заработает? Всё может быть.... |
Махнул П215 на КТ837 - не помогло, буду дальше издеваться. Пока чешу репу, че бы такое придумать. Да, кондеры проверил, правда без отпайки (текой гимор, что-то там отпаивать), неисправных не нашел, к слову сказать, там все электролиты танталовые. При подаче стабилизированных 27-ми вольт, при включении осцилла напруга проседает до 5-6 вольт. Если отпаять R30 от точки соединения эммитеров Т1,Т2, напруга держится на уровне 27,2В. При этом опорное вместо 18-19В, составляет 24В. Сопротивление первички Тр1, между коллектоами Т1,Т2, всего 0,8 Ом. Такие дела.
fig6.gif 58.31 КБ Скачано: 457 раз(а)
|
|
STIPLER
Халтурщик
Сообщения: 5865
|
Проверь транзисторы стабилизатора +19 в.
2т603 часто коротит на крышку прибора.
Коллекторы 5Т1 и Т3 соединены(на схеме отсутствует точка) |
|
|
szh
|
| Если тема ремонта С1-73 актуальна,то можете позвонить 89636373836.Постараюсь отремонтировать гораздо дешевле.Уважаю данный аппарат,сам пользовался несколько лет. |
|
KRAB
Распугиватель клиентов
Сообщения: 21704
|
| szh писал: | | можете позвонить 89636373836 | - демпфируешь ... ню-ню ... "чини" за ПЭпсЮ ....  |
|