| Автор | Сообщение |
|
valkad-off
|
Lg 32LK451
Шасси: LD01U
Main: EAX64290501(0)
Матрица: T315HW04 v.9
Блок питания: LGP32-11P
Состав блока питания
шим дежурки: ICE3BR4765JZ
основная шим: L6599AD
PFC: HS01G
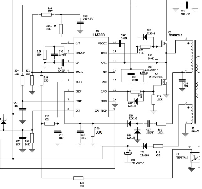
Телевизор со временем стал выключаться, включаться через раз. Сейчас не включается совсем. Блок питания отдельно ведет себя так же. Напряжение PFC в дежурке 300 в., при включении 390 в. Дежурное питание 3.5 в. Отсутствуют 12 вольт и 24 вольт, за которые отвечает L6599. Питание микросхемы 14,7 вольт. При замыкании вывода 6 - ISEN на землю, блок запускается без проблем. В похожих темах обычно виноват конденсатор по входу ISEN, в даташите за номером С28. Но проверен заменой. На всякий случай заменил и саму микросхему L6599. Ну и конечно, проверена обвязка шим.
Подскажите, куда глянуть
L6599.jpg 82.49 КБ Скачано: 1377 раз(а)
|
|
Иван Зенин
Модератор
Сообщения: 6784
|
| valkad-off писал: | | Samsung Lg 32LK451 |
Улыбнуло...
| valkad-off писал: | | В похожих темах обычно виноват конденсатор по входу ISEN |
Улыбныло второй раз... |
|
|
valkad-off
|
| Запарился, исправил. А по конденсатору, имею ввиду по поиску находил похожие темы, и там был неисправен конденсатор С28 |
|
Юрий 72
Передовик
Сообщения: 1397
|
valkad-off, распиши как работает твоя схема на картинке.
Особенно цепи стабилизации. Обратные связи... |
|

|