| Автор | Сообщение |
|
aaalekseyyy
|
Телевизор Philips 42PFL3605/60.
Шасси TPM4.1E LA.
Блок питания 715G3812-P02-H20-003U (подходит так же 715G3812-P02-H20-003D).
Телевизор стоял в дежурном режиме, произошел скачок напряжения в сети, телевизор перестал включаться, диод световой индикации гореть перестал.
Проверил предохранитель – целый.
Методом визуального осмотра вздутых конденсаторов вроде бы как не нашел, обнаружил только сгоревший диод FR107 (D902 на схеме).
Заменил диод FR107, сделал тестовое включение: диод световой индикации загорелся, телевизор включается, работает, но стал сильно шуметь трансформатор инвертера TRF-UU28 (T802 на схеме).
Помогите разобраться, в чем еще причина.
philips_tpm4.1e_la.pdf 235.28 КБ Скачано: 1722 раз(а)
|
|
Иван Зенин
Модератор
Сообщения: 6784
|
|
|
aaalekseyyy
|
| Скажите подробнее где и что надо замерить? |
|
Иван Зенин
Модератор
Сообщения: 6784
|
| К примеру, где на твоей схеме написано 395v, у тебя сколько? |
|
|
aaalekseyyy
|
| На C907 напряжение повышено: 409В вместо 395В. |
|
Иван Зенин
Модератор
Сообщения: 6784
|
|
|
aaalekseyyy
|
С виду не вздутый, тестером короткое замыкание не показывает, ни на корпус, ни между ножками.
Промерил выходные напряжения:
1. ENA - 1,94V
2. DIM - 1,79V
3. 12V - 12,40V
4. 12V - 12,40V
5. GND - 0
6. GND - 0
7. GND - 0
8. 24V - 25,4V
9. 24V - 25,4V
10. S/B - 2,87V
12. 5V - 5,38V
13. 5V - 5,38V
14. POK - не подключен |
|
|
B.B.
|
| aaalekseyyy писал: | | С виду не вздутый, тестером короткое замыкание не показывает, ни на корпус, ни между ножками. | А зубами не пробовал кусать? У конденсаторов меряют емкость и ESR. |
|
vadim3008
Мастер Добрых Дел
Сообщения: 5819
|
| B.B. писал: | | У конденсаторов меряют емкость и ESR. |
автору не понять!  |
|
|
@strannik@
|
| B.B. писал: | | А зубами не пробовал кусать? |
или применить старый дедовский метод!! которым в своё время крону проверяли. |
|
|
aaalekseyyy
|
Емкость и ESR мне замерить нечем.
Если только просто поменять конденсатор на новый и повторить замеры.
Наверное завтра куплю такой конденсатор и так и сделаю.
ДОБАВЛЕНО 28/09/2015 20:48
Почитал на форумах, вроде для этого БП излишнее жужжание это его болезнь, и что даже есть официальный бюллетень Philips для его устранения, типа там добавить конденсатор 1 мкФ и заменить один резистор на выходе оптопары IC804 (EL817MA). Никто не в курсе??? |
|
|
Илья78
|
| Да есть такая билютень. Пару раз пригодилась. |
|
|
aaalekseyyy
|
Сегодня впаял конденсатор 1 мкФ между 3 и 4 ножками оптопары IC804 (EL817MA), согласно официальному бюллетеню Philips, и случилось чудо: трансформатор инвертора T802 (TRF-UU28) перестал жужжать вообще.
Такого эффекта я не ожидал, надеялся, что жужжание уменьшится хотя бы в 2 раза, но что бы исчезло вообще, просто не ожидал.
Вопрос решен.

|
|
Иван Зенин
Модератор
Сообщения: 6784
|
| Ты просто заглушил импульсы управления динамической подсветкой (DIM). С тем же успехом можно было просто её (оптопару) выпаять. |
|
|
aaalekseyyy
|
Ну да, все шумы пошли в землю. Так можно как в пословице: "Вместе с мусором выкинуть и ребенка ...". Может быть последовательно конденсатору впаять какое-нибудь сопротивление, для ограничения тока через конденсатор???
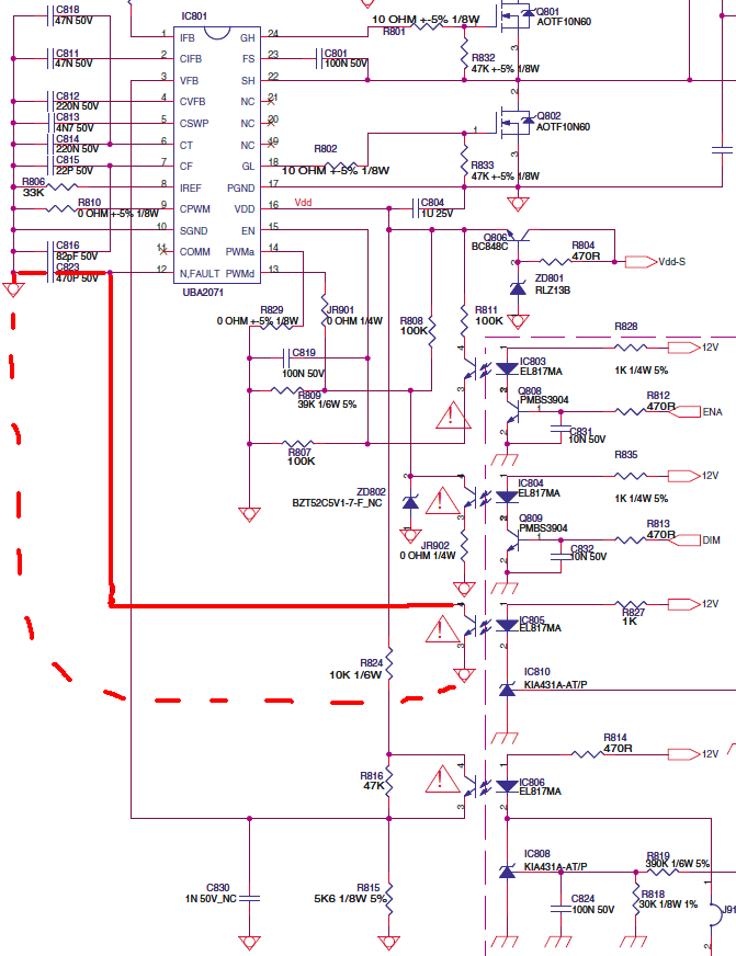
На оригинальной схеме есть аналогичный пример: 3 и 4 ножки оптопары IC805 (EL817MA) так же закорочены конденсатором C823 (470P 50V).
1.png 113.2 КБ Скачано: 1570 раз(а)
|
|
Иван Зенин
Модератор
Сообщения: 6784
|
| Абсолютно не аналогичный пример. Это оптопара обратной связи по 12v. |
|
|
aaalekseyyy
|
Совершенно ясно, что причина жужжания трансформатора инвертора T802 (TRF-UU28) кроется в работе оптопары IC804 (EL817MA).
Если трансформатор инвертора T802 (TRF-UU28) сильно жужжит,то происходит срыв частоты импульса,иным словом перегруз.
Впаянный конденсатор 1 мкФ снимает эти вопросы.
ДОБАВЛЕНО 30/09/2015 12:27
Вот я и думаю, что, что бы, кроме пользы, не нанести вред, может быть ограничить ток через впаянный конденсатор 1 мкФ каким-нибудь сопротивлением. |
|
|
aaalekseyyy
|
| Тут меня на другом форуме поправили, надо было впаевать конденсатор не 1 мкФ, а 0,1 мкФ. |
|
|
aaalekseyyy
|
| Думаю что вопрос решен. Телевизор вот уже 10 дней работает нормально. |
|