| Автор | Сообщение |
|
Vladvo
|
THOMSON
модель: 40M71NH20
панель экрана: LTA400WT-L17
T-CON: 4046HDCP2LV0.
инвертор: SSI_40014A01 REV 0.1
питание: JSK4338-007A
материнская плата: 40-MT01TI-MAC2XG
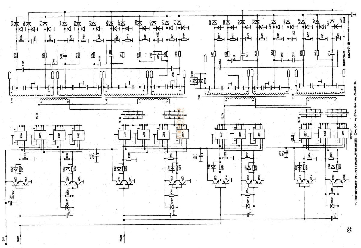
Здравствуйте товарищи, какую группу разнополярных SMD транзисторов Q215 и Q216 в схеме ниже,
следует приобрести для инверторной платы SSI_40014A01 REV 0.1,
маркировка которых на sot-23 корпусе видна как ZG и ZH
KEC(Korea Electronics)
--------------------------------------------- sot-23 ----------------------------------------
Q215 NPN KTN2222AS ZG 40-75V 0,6A 300MHz
Q216 PNP KTN2907AS ZH 60V 0,6A 200MHz
или
NXP Semiconductors (Philips)
---------------------------------------------- sot-23 -------------------------------------
Q215 NPN PBSS4320T ZGW 20V 2-3A 100MHz
Q216 PNP PBSS5320T ZHW 20V 2-3A 100MHz
И еще вопрос, в плате стоят нулевые сопротивления в частности J 76 (в схеме не показаны, кроме J 29 рядом с ключами Q307, фото платы ниже) , можно ли их просто перемыкать без замены или они там в качестве предохранителей?
| IMAG0114.jpg |
| Описание: |
|
| Размер файла: |
221.71 КБ |
| Просмотрено: |
184 раз(а) |

|
| sem2107.jpg.3194b7c2bef0965428fe81839132e8d6.jpg |
| Описание: |
|
| Размер файла: |
258.16 КБ |
| Просмотрено: |
215 раз(а) |

|
PBSS5320T ZHW.png 109.23 КБ Скачано: 167 раз(а)
PBSS4320T ZGW.png 91.51 КБ Скачано: 181 раз(а)
KTN2907 ZH.png 90.76 КБ Скачано: 172 раз(а)
KTN2222AS ZG.png 102.7 КБ Скачано: 175 раз(а)
|
|
|
SyM
|
| нулевые сопр-я не являются предохранителями. |
|
|
Vladvo
|
| SyM писал: | | нулевые сопр-я не являются предохранителями. | . Это понятно, но они там в качестве джамперов или несут некую стабильность обводки элементов? Перемкнуть то можно или что то сгорит?
Дополнение к схеме;
sem2107_1_194.jpg 48.16 КБ Скачано: 183 раз(а)
|
|
|
bugs2005
|
|
|
B.B.
|
| Vladvo, тему дополни основными блоками, согласно правил этого раздела. |
|
|
Vladvo
|
| bugs2005 писал: | https://radikal.ru/lfp/s54.radikal.ru/i144/1208/d8/cbca90320cd9.gif/htm
1P и 2F.
Те, что в секции APFC стоят.(по ссылке вверху).
Думаю., что найдешь. |
В схеме по указанной ссылке изображены транзисторы разной проводимости, а по даташит оба n-p-n.
Но как вариант аналога для KTN2222AS учту, спасибо. |
|
|
Vladvo
|
Заказал в чип-дип:
резисторы (SMD) 0.25Вт 0 Ом
транзисторы PNP MMBT2907ALT1G, 60 В, 0.6 А, [SOT-23]\ON Semiconductor
транзисторы NPN MMBT2222A, 40В, 600мA [SOT-23-3]\Nexperia
По ходу дела и результатам, отпишусь... |
|
|
Vladvo
|
| Установил заказанные элементы и три инверторных ключа, уже неделя безотказной работы телевизора, клиент доволен. Да еще заводская недоработка; плата слабо контачит с лампами из за нехватки пару мм расстояния до выводов ламп (проявляется при наклоне телевизора в сторону экрана и потерей изображения, лампы болтаются, люфт 5 мм) вылечил притягиванием ламп полосками стеклоткани с отверстиями под лампы на расстояние 10 -11 мм до шасси и фиксацией скотчем самих полосок к шасси и последующим креплением платы осторожно дабы винтами не придавить плату до раскола ламп. Спасибо откликнувшимся. Всем удачи. |
|
|
SyM
|
| Vladvo писал: | | SyM писал: | | нулевые сопр-я не являются предохранителями. | . Это понятно, но они там в качестве джамперов или несут некую стабильность обводки элементов? Перемкнуть то можно или что то сгорит?
Дополнение к схеме; | Можно.Ну ты уже и сам понял :] |
|
|
Vladvo
|
ДОБАВЛЕНО 18/08/2021 10:32
| SyM писал: | | Vladvo писал: | | SyM писал: | | нулевые сопр-я не являются предохранителями. | . Это понятно, но они там в качестве джамперов или несут некую стабильность обводки элементов? Перемкнуть то можно или что то сгорит?
Дополнение к схеме; | Можно.Ну ты уже и сам понял :] |
В Чип-дип эти резюки по 2 руб, установил так эстетичней смотрится, а вот предохранителя на 7 ампер не было в продаже, да и цены на подобные от 200 руб, вот его перемкнул проволокой 0,16 мм подпаяв по торцам.
ДОБАВЛЕНО 18/08/2021 10:35
Если по заводской недоработке крепления ламп вопросов не возникнет, то считаю тему закрытой. Всем спасибо. |
|