| Автор | Сообщение |
|
wolk
|
Cpu - MT8222TMMU
Flash - 25L6405
Eeprom - 24C32
Panel – LC420WUE
Inverter (backlight): 715G3474-2
Power Supply (PSU): 715G3474-2
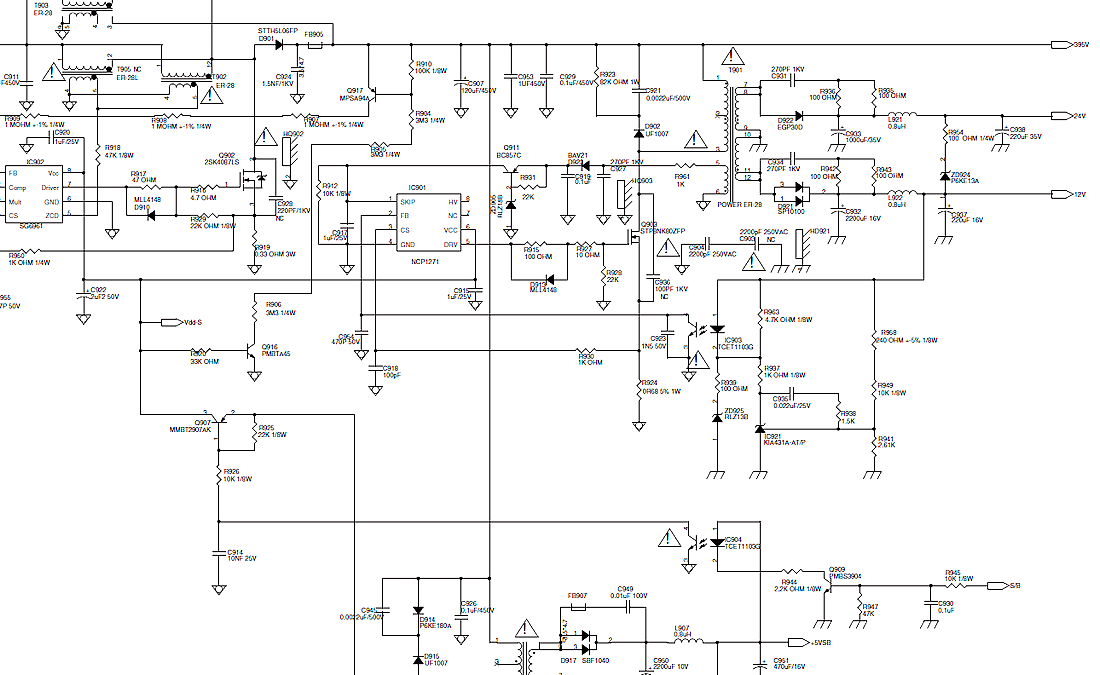
При включении ТВ отсутствуют 12 и 24v. Индикатор светится белым цветом, как и должно быть.Забрал БП с собой. При принудительном включении на сетевом есть 400v. 5v в наличии. Нет 12 и 24v. Блок нагружен по всем выходным источникам. Питание на NCP1271 12v есть.Кстати на плате стоит NCP1219A. Я так понял, это аналог. Погрешил на нее. Заменил на NCP1271. Всю обвязку микросхемы проверил.Заменил IC903. IC923.На полевик с микросхемы сигнала нет. Уже не знаю, куда еще копать. Кто нибудь даст дельный совет? Заранее спасибо.
| .png |
| Описание: |
|
| Размер файла: |
232 КБ |
| Просмотрено: |
756 раз(а) |

|
.png 143.62 КБ Скачано: 354 раз(а)
|
|
Иван Зенин
Модератор
Сообщения: 6784
|
| Токовый датчик на полевике смотрел? |
|
|
wolk
|
| Целый. И полевик не пробит. |
|
serega-64
Старший модератор
Сообщения: 10180
|
Проверяй не тока ее обвязку, а ВСЕ в этом узле, почиткай про условия запуска ИБП. Данная микра запускается автогенератором, внешнего "пинка" с + банки нет, значит смотри параметрический стаб. или подай внешнее питание согласно стабилитрону в базе 911-го, про токовый рез. не забудь.
Вня, респект, опередил пока по клаве буцкал.
ДОБАВЛЕНО 04/09/2016 18:48
Лит на второй ноге от оптрона проверь, ну и сам оптрон, эту цепь проверь, минуса не должно быть, по крайней мере при запуске. |
|
Иван Зенин
Модератор
Сообщения: 6784
|
| По 1-ой ноге цепь проверь. |
|
|
wolk
|
| Я же писал, что оптрон заменил.По 2 ноге оптрона лита по схеме нет |
|
serega-64
Старший модератор
Сообщения: 10180
|
=По 2 ноге оптрона лита по схеме нет=
Не донес мысль, звиняюсь, я имел ввиду 2 ногу шимки.
Дык ты делать то будешь чё? Я ж говорил, что надо делать, для информации - при замене шимки на другую, даже с теми же бкофками были случаи нестарта шим, вот и грю про внешнее питание по 1 ноге шим. |
|
|
wolk
|
По 2 ноге шимки стоит керамика. Я ее проверил.
ДОБАВЛЕНО 04.09.2016 18:23
Поставил на плату родную NCP1219A. У NCP1271 Сопротивление между 1 и землей 24ома. Неужели брак попался? |
|
Иван Зенин
Модератор
Сообщения: 6784
|
|
serega-64
Старший модератор
Сообщения: 10180
|
=Поставил на плату родную NCP1219A.=
Ну и ...? |
|
|
wolk
|
Подал на эмитер Q911 18v. Сразу его выбило.
ДОБАВЛЕНО 04.09.2016 18:42
Со старой микрой так же нет запуска. |
|
semvictor
Фанат форума
Сообщения: 3099
|
| wolk, ничего про питание мс не упомянуто...Оно есть или нет?Что на коллекторе-эмитттере Q907? |
|
serega-64
Старший модератор
Сообщения: 10180
|
=Сразу его выбило.=
Кого "его" то и при кокой микробе? Учись логично высказывать мысль, соблюдая хронологию событий, а то так нихера не понятно. |
|
|
wolk
|
| Транзистор естественно.Пробой Б\база-эмитер. |
|
serega-64
Старший модератор
Сообщения: 10180
|
semvictor, =ничего про питание мс не упомянуто...Оно есть или нет?=
Ну тут до этого рано, у ТС в БПшнике запуска нет, без ослика в таком случае туго. |
|
|
wolk
|
| Про питание микросхемы я писал. Есть 12v. При принудительном включении. |
|
semvictor
Фанат форума
Сообщения: 3099
|
| serega-64, Не...не рано... |
|
Иван Зенин
Модератор
Сообщения: 6784
|
| Есть там питание, PFC работает. |
|
serega-64
Старший модератор
Сообщения: 10180
|
wolk, =Со старой микрой так же нет запуска.=
Ну тут тока одно - возможно померла, предистории поломки аппарата нет.
=При принудительном включении на сетевом есть 400v. 5v в наличии=
Вот это прокомментируй подробно. Почему при наличии дежурки нет команды на вкл., а токмо принудительно? |
|
semvictor
Фанат форума
Сообщения: 3099
|
| Иван Зенин, Вань,а про стабик в базе Q911 и про исправность новой мс тоже ничего... |
|