ESpec - мир электроники для профессионалов


LCD LED LG 32LA621V-ZD не выходит из дежурного режима

  Список форумов » LCD-телевизоры и плазменные панели
На страницу Пред.  1, 2
Следующая тема · Предыдущая тема
АвторСообщение
sergeyiv3 
Новичок
Сообщения: 13
 
Сообщение #21 От 15/01/2017 21:32 цитата  

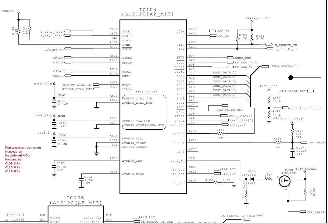
Иван Зенин, можно еще вопрос? Вот проц на схеме, КЗ мне искать на R183 и R184?

  IC105.JPG  105.2 КБ  Скачано: 565 раз(а)
Иван Зенин 
Модератор
<B>Модератор</B>
Сообщения: 6783
Иван Зенин
 
Сообщение #22 От 15/01/2017 21:35 цитата  

С109, С110, С111.
elek2008 
Бывалый
Сообщения: 43
 
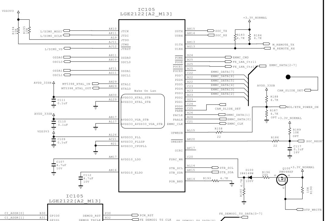
Сообщение #23 От 13/10/2024 12:30 цитата  

Иван Зенин писал:
С109, С110, С111.

Спасибо огромное, Иван!!!
Очень помогло при точно таких же признаках.
Скидую прозвон проца с на пряжениями на указаных кондерах.

  MCU.jpg  157.82 КБ  Скачано: 147 раз(а)

Перейти: 
Следующая тема · Предыдущая тема
На страницу Пред.  1, 2
Показать/скрыть Ваши права в разделе

Интересное от ESpec


Другие темы раздела LCD-телевизоры и плазменные панели

CAT


Rambler's Top100 Рейтинг@Mail.ru liveinternet.ru