| Автор | Сообщение |
|
klientik
|
Model: 47LM620S
Power Supply (PSU): EAX64427101 (1.4)
MainBoard: EAX64307906 (0)
Инвертор: UC3843BD1
схема http://archive.espec.ws/section315/file33384.html
Подскажите советом, нет подсветки, изображение есть. Подсветка появлялась раньше с задержкой, задержка увеличивалась пока полностью не пропала. Электролиты все проверены.
Светодиоды проверил, по всем 6 линейкам ток потребления одинаковый, все светятся.
напряжения на uc3843bd
1 - 6.2v
2 - 1.6v
3 - 0.14v
4 - 2.3v
6 - 0v
7 - 11.9v
8 - 5v
Led+ Относительно корпуса 49.5v, при рабочем инверторе должно быть 67.2v написано на плате.
на 6 выходе осциллографом ничего нет, 3843 менялась. |
|
Иван Зенин
Модератор
Сообщения: 6784
|
| На разъём питания команда включения инвертора приходит? (Кстати, в схеме указана UC2843BD1) |
|
|
klientik
|
| Приходит конечно, и регулировка яркости тоже, да в схеме указана 2843, но по факту стоит 3843, я так понял они одинаковые, но я ставил и ту и другую не работает. |
|
Иван Зенин
Модератор
Сообщения: 6784
|
| Я думаю, что обрывается диодик в стринге, просто ты не успеваешь отследить этот момент. |
|
|
svdok
|
klientik, писал: | Цитата: | | Светодиоды проверил, по всем 6 линейкам ток потребления одинаковый, все светятся. | Ты вскрыл матрицу и если мы правильно поняли, то ты проверил все линейки, видел свечение всех светиков? Что-то не понятно излагаешь! |
|
|
klientik
|
| Нет, я матрицу не вскрывал, я подал на каждую линейку по 60v и сравнил их по току, ток на всех 6 линейках одинаковый, если бы сгорел-подгорел-обгорел хоть 1 светодиод ток изменился бы. |
|
Иван Зенин
Модератор
Сообщения: 6784
|
| klientik писал: | | ток на всех 6 линейках одинаковый |
Какой?
ДОБАВЛЕНО 04/02/2017 22:34
| Цитата: | | если бы сгорел-подгорел-обгорел хоть 1 светодиод ток изменился бы. |
Ответ неверный. Никто не| klientik писал: | | сгорел-подгорел-обгорел | Просто обрывается под штатным током (а не тем, которым проверяешь ты). |
|
|
svdok
|
klientik, цетирую из ниже приведенного источника : | Цитата: | | Если у LG 47LM620S нет изображения, но есть звук и телевизор управляется с пульта, вероятна неисправность в цепях подсветки панели LC470EUE SEF4. Могут быть неисправны светодиоды или преобразователь питания - LED-драйвер. | И т.д. http://tel-spb.ru/remont-tv-lcd/lg-47lm620s Если смотреть по распайке шлейфов на белый и чёрный разъём, то там 12 линеек в последовательно- параллельном включении. А на схеме всего два выхода + и -, т.е. жесткий контроль по току потребления. Понимаешь к чему мы тебя подвигаем? |
|
Иван Зенин
Модератор
Сообщения: 6784
|
| Ну да, если лампочка не горит, то либо нет напряжения, либо она перегорела... |
|
|
svdok
|
klientik, И ещё - через плоский четырёх-проводный шлейф с платы T-CON на управление подсветкой в блок формирования напряжения подсветки подаются 3 сигнала регулировки, включения и ещё какой-то. Какие у тебя там напряжения? То есть хотелось бы понять, как реализован и работает динамический диминг.
Всё, извините, понял что на этом шасси всё с майна заходит. Вопрос снят. Просто панель универсальная и в разных телевизорах управление подсветкой устроено по своему. |
|
|
klientik
|
| понял, буду разбирать с смотреть визуально на светодиоды. |
|
|
klientik
|
| но всё-же разве надпись на плате 67.2v не означает что на led+ должно быть именно 67 вольт? а не 50 которые идут с транса при неработающем инверторе, ведь на 6 выходе pwm даже не появляется импульсов, а значит и ток через диоды не проконтролируешь. или я не прав? |
|
|
B.B.
|
klientik, не парь людям мозг. Разбирай панель и все станет на свои места. Увидишь там и оборваные и замкнутые и еле светящиеся.
Создай только правильный ток. |
|
|
klientik
|
| Не парю мозг, разобрал панель, проверил все 60 светодиодов по отдельности, и по стрингам разным током, все светятся идеально одинаково с одинаковым током потребления каждый, напрашивается вопрос, вы всегда начинаете ремонт лж с проблемами подсветки с разборки панели? |
|
Иван Зенин
Модератор
Сообщения: 6784
|
Всегда. Другого не бывает (если только сам не внёс дефект). Ну или ещё майн не даёт команду включения...
ДОБАВЛЕНО 05/02/2017 13:58
| klientik писал: | | на 6 выходе осциллографом ничего нет |
Там три с половинй детали. Сложно разобраться? |
|
|
klientik
|
| так все 4 детали проверены, понять бы условия запуска этого pwm контроллера. |
|
|
svdok
|
klientik, я не настойчиво спросил, но ты не ответил - | Цитата: | | на управление подсветкой в блок формирования напряжения подсветки подаются 3 сигнала: - регулировки, включения и ещё какой-то. Какие у тебя там напряжения? | Теперь конкретнее : - Сколько вольт на контактах 1,2,17,18,22,23,24 разъёма Р201 - с майна?
Стринги соединены по две последовательно - это 30 вольт + ещё также = 60 вольт, потом параллельно по три таких сборки - образуют панель.И ты все соединения проверил? А ещё лучше задублировал бы разъёмы - проводками. Шлейфы прозвони. Где-то у тебя в панели обрыв. Эти разъёмы не надёжные.
ДОБАВЛЕНО 05/02/2017 17:37
klientik, писал: - понять бы условия запуска этого pwm контроллера.
Так я тебя давно спросил, что на контактах управляющих сигналов. А алгоритм вот такой -


|
|
|
klientik
|
1 - 3.4, 2 - 24.5, 17 - 11.9, 18 - 3.5, 22 - 1.02, 23 - 1.2, 24 - 0. я проверил подавая минус на каждый из 6 минусов, светятся участками все, ну и все вместе тоже..
ну вот в моем случае не работает буст, подав на лед+ 67 вольт все работает.
ДОБАВЛЕНО 05/02/2017 17:06
Подскажите может как принудительно запустить буст конверетер?
 |
|
|
svdok
|
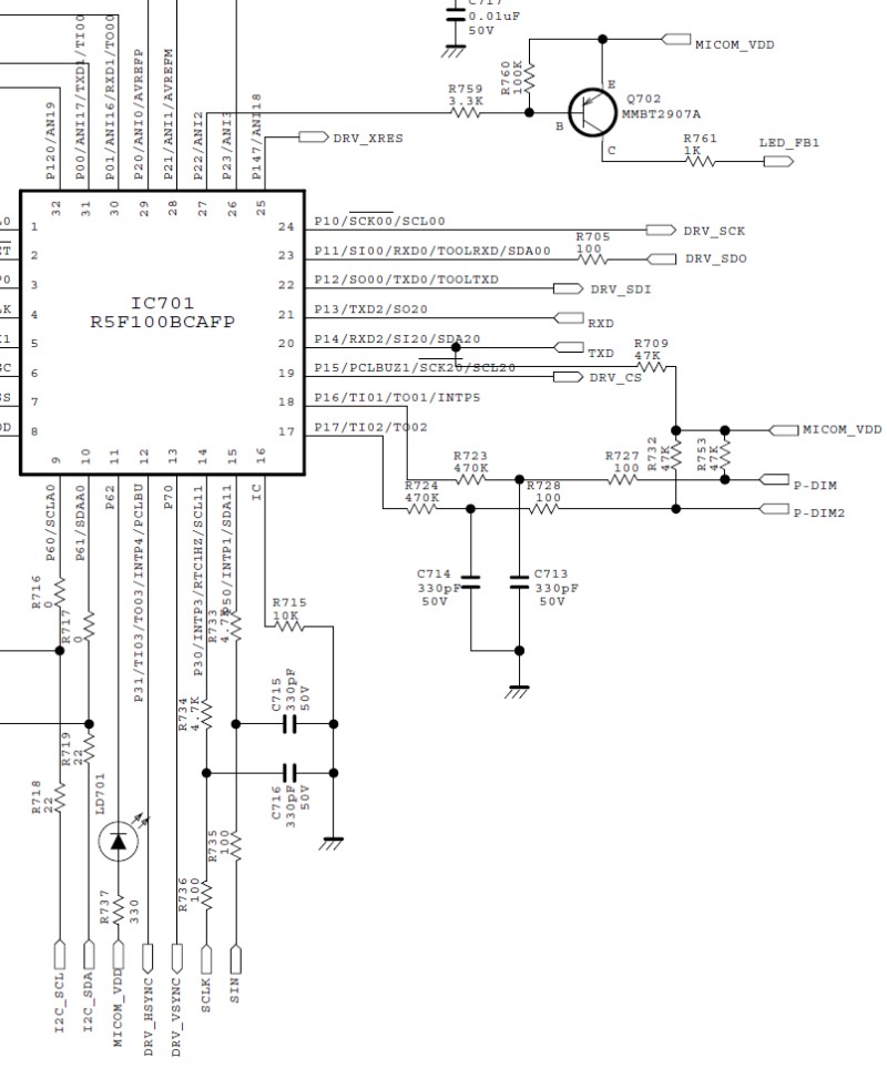
Погружайся с головой в схему LED driver + MICOM - замеряй все питания приходящие на AAT2430 & R5F100. Какое напряжение MICOM-VDD ? Управление шестью цепочками светодиодной подсветки - динамическое. Ты всё таки посмотри повнимательнее - второй шлейф на черный разъём идёт из T-CONa?
А по поводу управления UC3843, так ей не дает включится низкое напряжение на 2 ноге, всё из-за сигнала LED_FB1 - он формируется в MICOMe через Q702 и драйвером по 64 выв. AAT2430. А с низу на схеме MICOMa - сигналы по шлейфу из T-CONa, вот как-то так.
Micom1.jpg 95.59 КБ Скачано: 448 раз(а)
|
|
|
klientik
|
| напряжения питания aat2430 и r5f100 проверял, micom-vdd 3.5v, 6 цепочками управляет 2430 через полевики все рабочие, на чёрный разьём с ткона ничего не идет только с майна. а мне кажется запуск 3843 должен быть именно при низком уровне на 2 ноге судя по примерам схем включения этой микрухи. |
|