| Автор | Сообщение |
master_tv
Завсегдатай
Сообщения: 717
|
MAIN:17MB60-4.1
Модуль питания 17PW82 - 2 V.1
В модуле питания изначально сгорели ключи Q813 и Q814 7N60, а также Q857, Q858 (BC858). После замены этих элементов, а также низкоомных резисторов в затворах ключей, выяснил что еще задело шим NCP1392. Заменил и теперь получаю следующую картину: при включении ТВ нормально входит в дежурку, напряжения при этом в норме. Но при попытке запуске в раб режим, напряжение на инвертор вместо 24В, 22 и затем в момент зажигания подсветки падает на долю секунды и из-за этого ТВ входит снова в дежурку. Проблема точно в БП, так как когда была возможность, подставлял с донора БП и ТВ нормально работал. Уже прокопал всю обвязку ключей и шимки, менял оптрон,TL431, низкоомный токовый резистор, прозвонил все элементы тестером и неисправности не выявил. Также была заменена для проверки еще одна шимка (правда из той же партии). БП ничего не просаживает, проблема точно в нем, так как когда была возможность, подставлял с донора БП и все нормально запускалось. Просьба помочь советом, может у кого-то было подобное
Схему нашел здесь: https://elektrotanya.com/vestel_17pw82-2_sch.pdf/download.html |
|
|
den7777777
|
|
iv-9
Фанат форума
Сообщения: 6359
|
А PFC нормально запускается при переходе в РР?
Проверить нормальную подачу питания Vсс1 - Vcc2 с первички ДР - с С801 через ключ РР. Также R976, R1130, D894 в обвязке NCP1392. |
|
Витькан
Завсегдатай
Сообщения: 610
|
| master_tv писал: | MAIN:17MB60-4.1
Модуль питания 17PW82 - 2 V.1
Но при попытке запуске в раб режим, напряжение на инвертор вместо 24В, 22 и затем в момент зажигания подсветки падает на долю секунды и из-за этого ТВ входит снова в дежурку...
БП ничего не просаживает, проблема точно в нем... |
1. Какое напряжение на шине +400v после запуска? Возможно, пониженное напряжения по линии +24В объясняется, недостаточным напряжением на полумосте Q813 - Q814. А ШИМка работает на максимальном "заполнении", но все равно, "не вытягивает".
2. RC цепочка R971 - С878 исправная? |
|
master_tv
Завсегдатай
Сообщения: 717
|
den7777777, диоды живые
iv-9, pfc запускается. Напряжение 380В и держится при включении. Vcc1 и Vcc2 15,26В. В обвязке NCP цепочка целая.
Витькан, RC цепочку проверял заменой |
|
foxter-x
Передовик
Сообщения: 1503
|
| БП на стол, нагрузить и измерять, что где не так. |
|
Витькан
Завсегдатай
Сообщения: 610
|
| master_tv писал: |
Витькан, RC цепочку проверял заменой |
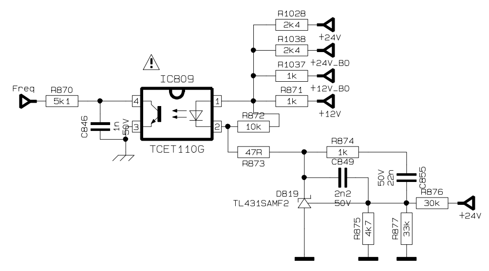
Обвязку оптрона и ТЛ-431 проверял?
Может конденсаторы С849, С855 начали слегка подтекать...
Может резисторы слегка уплыли в делителе на ТЛ-431 - R876, R875, R877
А может и с другими тоже беда в данной цепочке.
Насколько помню, источник ведь, даже на холостом ходу выдает пониженное напряжение, поэтому, возможно, в цепи обратной связи и есть проблема (оптрон+тл431+обвязка).
А электролиты по линиям +24В живые?

FEEDBACK.png 54.59 КБ Скачано: 250 раз(а)
|
|
master_tv
Завсегдатай
Сообщения: 717
|
| Оказалось NCP1392D брак. Ставил NCP1392D, прочитал, что с буквами D и B в конце - это одно и то же. Было из одной партии 2шт и обе брак. Купил и поставил NCP1392B и все заработало. |
|