| Автор | Сообщение |
|
Evgen_535
|
MainBoard: 5800-A8M280-0P10 Ver.00.07
Panel: T320HVN01.V2
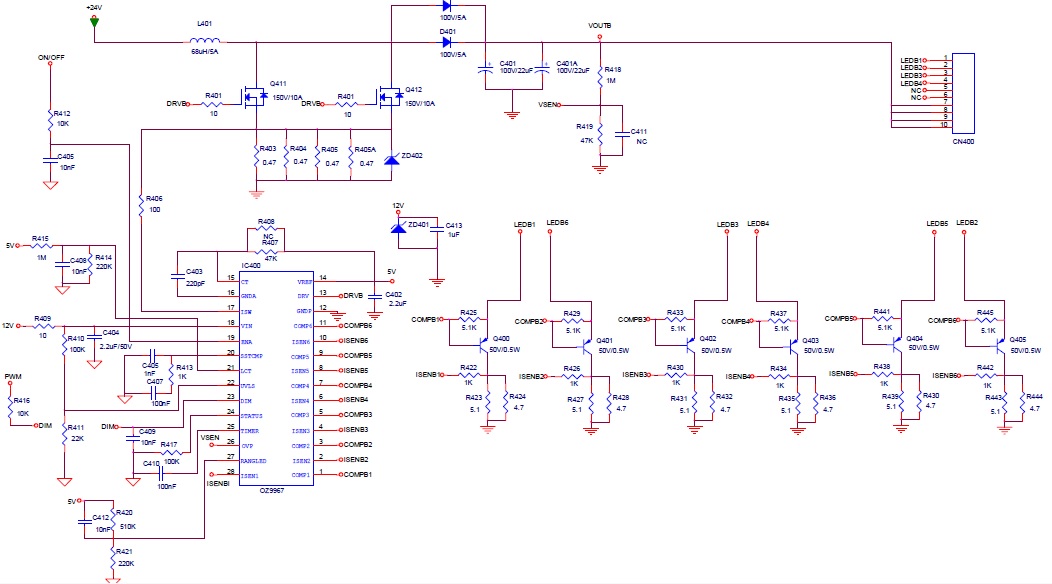
LED driver: OZ9967GN
LED линейка: samsung_2012csr320_v8_7030_40_rev1.0_120521
Пришел телевизор с проблемой не горит часть подсветки. Разобрал, в телеке торцевая подсветка с одной стороны, состоит из 40 диодов. В драйвере задействовано 4 канала питающие по 10 диодов.
При включении телевизора вспыхивают все, и сразу же гаснут 30 диодов, 10 горят. Напряжение на них 60v 80ma. Переставляю в разъеме диоды местами, повторяю включение 10 гаснут 30 горят, Убавляю ток на 2-х каналах до 40ma, путем снятия резистора R423 из цепи ISEN соответствующего канала, ничего не меняется.
Возможно дело в диодах, но данную led линейку не нашел, диоды на перепайку будут ехать очень долго. Поэтому хотелось бы запустить пока еще работающую подсветку, но как?
OZ9967.jpg 138.66 КБ Скачано: 413 раз(а)
|
|
iv-9
Фанат форума
Сообщения: 6349
|
| Почему на 2х каналах снимаешь 5R1, а не на всех? |
|
|
Evgen_535
|
| Каждый канал работает независимо друг от друга, поэтому попробовал с начало снизить ток на одном, безрезультатно потом еще на одном и тоже самое. И поэтому другие каналы оставил в покое. |
|
iv-9
Фанат форума
Сообщения: 6349
|
| Уменьши на всех, чтоб не сомневаться. |
|
tutu7
Завсегдатай
Сообщения: 705
|
| А почему бы не проверить светодиоды в каналах с помощью ЛБП.Напряжение светодиода и его ток я думаю измерить не составит большого труда,а уж как судьбу поиметь при известных неизвестных я думаю учить не надо. |
|
|
Evgen_535
|
С телевизором пока приостановили работу, человек задумался о покупке нового. Спасибо за отклик.
ДОБАВЛЕНО 03/05/2019 23:58
светодиоды 6в*10шт=60в нет такого ЛБП у меня. |
|
tutu7
Завсегдатай
Сообщения: 705
|
| Матрас по любому потрошить , на планке каждый светик проверяется без демонтажа. |
|
zuboka
Передовик
Сообщения: 1048
|
| Диоды все под замену и забыть о проблеме... |
|
tutu7
Завсегдатай
Сообщения: 705
|
С телевизором пока приостановили работу, человек задумался о покупке нового.Да не хило живем,а то тут по ящику распинаются про санкции какие то.  |
|
|
Evgen_535
|
| Это лучший вариант, но где оперативно брать эти диоды, я вот долго ищу именно такие на али, но как быть уверенным что там не отбраковка? Где бы их купить? |
|