| Автор | Сообщение |
|
vavan80
|
Добрый день.
Состав LCD TV Toshiba 40LV655PR
Main Board - PE0772
V28A001020A1
Cpu - MST 6B885GL-LF-3
Flash - atmel 26DF161A
Eeprom - 24C08W
Блок питания DPS - 276AP A
TCON SYNC60C4LV0.3
Invertor SSI_400_14A01
на наклейке надпись INV40N14A
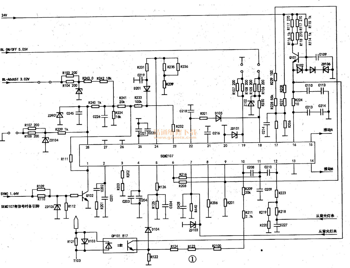
собран на IC SEM2107 и 14 транзисторных сборках AO4614
На инверторе SSI_400_14A01 короткое по питанию 24В. КЗ на ключах AO4614 : Q310,Q311,Q312. Поменял ключи, подсветка появилась, через два часа телевизор выключился. Пробило те же ключи, заменил ШИМ SEM2107 и ключи, телевизор проработал 4 дня и снова сгорели те же ключи. В данный момент ситуация такая что ключи сгорают сразу при включении. Управление ключами целое, сопротивление в трансформаторах одинаковое, в высоковольтной части диоды, емкости, резисторы целые. Может кто что посоветует, панель разбирать смотреть на лампы ? Спасибо.
| SEM2107 выходной каскад_1.jpg |
| Описание: |
|
| Размер файла: |
279.29 КБ |
| Просмотрено: |
3348 раз(а) |

|
| SEM2107_1.jpg |
| Описание: |
|
| Размер файла: |
244.86 КБ |
| Просмотрено: |
2725 раз(а) |

|
|
|
n max
Модератор
Сообщения: 17580
|
| Пульсации по 24в смотреть или ключи откровенно китайские тогда заменить аналогами серии IRF |
|
|
vavan80
|
| Емкости которые на инверторе исправны, посмотрю в блоке питания. Попробую заменить AO4614 на IRF7389 , только они 30-ти вольтовые, запас небольшой. |
|
Иван Зенин
Модератор
Сообщения: 6784
|
| Резисторы в затворах проверены? |
|
|
vavan80
|
| Иван Зенин писал: | | Резисторы в затворах проверены? |
Да, конечно. |
|
|
CBP
|
| Принесли TOSHIBA 40lv655 дефект тот же . Посмотри видио [ ssi 400 14a01 repair ] и пропаяй ВЕСЬ инвертор. Мне помогло. |
|
|
faradiyremark
|
Был такой же случай, обязательна пропайка всех элементов(но мне не помогла, ключи всеравно пробивались) смотреть нужно в сторону смд транзисторов q213,215.
У меня q215 звонился как сдвоенный диод. замена на аналогичный решила проблему. |
|
|
Kamrad
|
Ключи выбивают микротрещинки на нулёвках :

|
|