| Автор | Сообщение |
|
subs
|
Добрый день!
Прошу помочь советом с ремонтом БП.
Описание аппарата:
PHILIPS 42PF5331/10
Шасси LC4.41E-AA
PSU 310432842742
Main 3139 123 6117.3 Wk551.3
Бывший владелец говорит что ребенок многократно щелкал ON/OFF на ТВ после чего он перестал включатся.
При подключении к сети щелкают подряд два реле, через несколько секунд еще раз. Подсветка не загорается. Индикаторы на передней панели показывают 1 длинный и 2 коротких красных сигнала. C помощью Ser.Manual и старой темы на форуме определил что это код ошибки №2 - "+12V from PSU error".
Демонтировал БП и сейчас занимаюсь отдельно им.
Что сделано:
1. Визуальный осмотр не определил повреждений платы, деталей, эл-лит. конденсаторов. Легкое пожелтение возле 5601 и полевика 7610 оба из цепи PFC 400V.
2. Проверены предохранители плавкие и восстанавливающиеся - все ОК.
3. Проверены ESR-тестером электролит. конденсаторы. Заменены 4 мелкоёмких; остальные - ОК. Поведение блока не изменилось.
4. При включении через лампу 100W загорается на полную долю секунды, дальше горит вполнакала с легким мерцанием несколько секунд пока не сработает защита.
5. Просмотрел темы на espec.we, monitor.net.ru. Десяток. По результатам попробовал запустить блок питания в автономе и измерить напряжения в ожидании и работе. Подключил схему с резистивных делителей в разъем СN11, подбросил две 100W лампы на Vs и Va но по-факту разницы не заметил что также подтверждают результаты замеров напряжений.
6. Измерены напряжения в
- ожидании,
- условно рабочем режиме (с подключенным делителем и лампами)
- после ухода в защиту
Результаты в таблице ниже.
7. Согласно замеров, по Servive Manual и советов на форумах, первая из причин ухода напряжений в STANDBY POWER. Дальше идут мои домыслы, прошу исправить или дополнить.
Напряжение 9V_STBY на диоде 6504 нестабильно и занижено. Измерив и сравнив напряжения на катоде (постоянное) и аноде (переменное) увидел что на анод из трансформатора напряжение не поступает. Следовательно, на катод последнее попадает откуда-то с обратной стороны. Отсюда следует факт №1 "С трансформатора 5500 не выходит 9в переменного тока.".
Также есть проблема с отсутствием напряжением +25V_HOT. Мультиметр показывает на аноде диода 6503 0,1В переменного тока; на катоде 20В постоянного. Отсюда факт №2 "С трансформатора 5500 не выходит необходимый переменного ток 25В ."
Объединяя факты №1 и №2 делаю вывод что проблема в трансформаторе 5500 или его управлении. Но порядок с напряжением +5V_STBY_SW, выходящим из этого же трансформатора показывает что с управлением все должно быть ок. Снимаю осциллограмму на истоке PWM контроллера 7500 - отклонений в генерации не вижу (как по даташиту) см. изображение ниже.
Все обмотки проверил на отсутствие обрыва. На КЗ проверить сложно - сопротивление от сотен мОм до пары Ом.
Далее я зашел в тупик. Один контролер обеспечивает 3 разных напряжения с одного трансформатора передавая сигнал управления по лишь одному проводу. Не пойму как может быть порядок с одним напряжением и непорядок с двумя другими.
Подробная схема http://monitor.espec.ws/files/lc4.9e_ab_smps_193.pdf
Service Manual http://archive.espec.ws/section324/file28648.html
Упрощенные схемы:
[/b]


| photo_2020-09-04_23-27-43+.jpg |
| Описание: |
|
| Размер файла: |
216.26 КБ |
| Просмотрено: |
320 раз(а) |

|
| 2020-09-04_235139.png |
| Описание: |
|
| Размер файла: |
226.06 КБ |
| Просмотрено: |
557 раз(а) |

|
2020-09-04_234329.png 13.79 КБ Скачано: 312 раз(а)
2020-09-04_235200.png 152.03 КБ Скачано: 338 раз(а)
2020-09-05_000632.png 154.26 КБ Скачано: 472 раз(а)
|
|
goga_tv
Фанат форума
Сообщения: 4857
|
| Цитата: | | Отсюда факт №2 "С трансформатора 5500 не выходит необходимый переменного ток 25В (50В учитывая однополупериодный выпрямитель)." |
исходя из твоего "опуса" делаю вывод, что к электронике ты имеешь опосредственное отношение...
Поэтому вопрос : относительно какой земли ты измеряешь 25 вольт? |
|
iv-9
Фанат форума
Сообщения: 6352
|
Очень много букафф, трудно осилить. Из практики - этот PSU довольно надежен. Лично у меня ремонты данного PSU с такой ошибкой сводились к замене 8-10 "люмях" - электролитических СМД конденсаторов : 47,0 - всегда плохой (основная проблема), 22,0 и 2 по 2,2 тоже, три-четыре 100,0 вверху и еще один рядом (на фото внизу). Все под замену. Еще проверить высоковольтный , по-моему 10,0х450 в stby-части. После этого ТВ устойчиво запускается и работает. Проверять БП, включая его через лампу 100Вт - мазохизм и создание загадок самому себе.
  |
|
|
subs
|
| goga_tv писал: | | Цитата: | | Отсюда факт №2 "С трансформатора 5500 не выходит необходимый переменного ток 25В (50В учитывая однополупериодный выпрямитель)." |
|
Спасибо, исправил.
| goga_tv писал: | | Цитата: | | Поэтому вопрос : относительно какой земли ты измеряешь 25 вольт? |
|
Относительно "горячей". Согласно названия напряжения и схемы выводов трансформатора.
ДОБАВЛЕНО 05/09/2020 11:49
| iv-9 писал: | | Очень много букафф, трудно осилить. |
Согласен. "Лучшее враг хорошего". Учту
| iv-9 писал: | Из практики - этот PSU довольно надежен. Лично у меня ремонты данного PSU с такой ошибкой сводились к замене 8-10 "люмях" - электролитических СМД конденсаторов : 47,0 - всегда плохой (основная проблема), 22,0 и 2 по 2,2 тоже, три-четыре 100,0 вверху и еще один рядом (на фото внизу). Все под замену. Еще проверить высоковольтный , по-моему 10,0х450 в stby-части. После этого ТВ устойчиво запускается и работает. Проверять БП, включая его через лампу 100Вт - мазохизм и создание загадок самому себе. |
Благодарю, сейчас попробую. |
|
|
subs
|
| iv-9 писал: | Лично у меня ремонты данного PSU с такой ошибкой сводились к замене 8-10 "люмях" - электролитических СМД конденсаторов : 47,0 - всегда плохой (основная проблема), 22,0 и 2 по 2,2 тоже, три-четыре 100,0 вверху и еще один рядом (на фото внизу). Все под замену. Еще проверить высоковольтный , по-моему 10,0х450 в stby-части.
|
Все указанные СМД конденсаторы заменил на новые. Не СМД выбраковал уже до этого. Состояние БП не изменилось. |
|
Витькан
Завсегдатай
Сообщения: 610
|
Очень много написано, здоровья не хватает, чтобы осилить и понять...
subs, Ты пишешь, что на анодах диодов 6503 и 6504 ничего нету? А что при этом на аноде 6505?
Получается, что TNY256P (Шимка обратноходового) Вообще не пашет? Есть ли какие-то напряжение на 5-ой ноге TNY256P, то есть на Drain? (там вольтаж доходит до удвоения выпрямленного сетевого)
Она хоть пытается раскачивать транс (дроссель) ?
Сопротивления обмоток смотрел? они не в обрыве? Диоды целые? |
|
|
subs
|
| Витькан писал: | Очень много написано, здоровья не хватает, чтобы осилить и понять...
subs, Ты пишешь, что на анодах диодов 6503 и 6504 ничего нету? А что при этом на аноде 6505?
Получается, что TNY256P (Шимка обратноходового) Вообще не пашет? Есть ли какие-то напряжение на 5-ой ноге TNY256P, то есть на Drain? (там вольтаж доходит до удвоения выпрямленного сетевого)
Она хоть пытается раскачивать транс (дроссель) ?
Сопротивления обмоток смотрел? они не в обрыве? Диоды целые? |
Хороший вопрос. Действительно, и на 6505 тоже нет ничего. Я и не догадался проверить. Диоды целые. Обмотки не оборванные.
На 5й ноге ШИМ 306В по мультиметру. По форме вот: http://monitor.espec.ws/files/photo_2020-09-04_23-23-50__611.jpg |
|
Витькан
Завсегдатай
Сообщения: 610
|
subs, Ну так значит TNY256P качает транс? Так? Значит убедись в правильности мониторинга напряжений, на вторичной обмотке транса (дросселя) 5500.
Смотреть напряжение на вторичке нужно относительно "вторичной" низковольтной земли, которая изолирована от первички.
Если ты все делаешь правильно и на вторичке ничего нету - то либо это обрыв обмоток, либо короткое замыкание. Обратноходовый источник не боится КЗ, и может качать первичку, при том что КЗ на вторичке.
Вообщем. проверь правильность измерений. Затем ищи обрыв или КЗ. Может где разрушена пайка?
Может диоды уже устали? попробуй диоды заменить...
Чтобы не было напряжения на аноде любого диода - достаточно одного КЗ и все ляжет... |
|
iv-9
Фанат форума
Сообщения: 6352
|
| Лампочку убрал? БП подсоединен к блокам штатно полностью ? |
|
|
subs
|
| iv-9 писал: | | Лампочку убрал? БП подсоединен к блокам штатно полностью ? |
Да лампочку я использую только при первом включении и первых пусках при сильной перепайке на случай КЗ. А так все измерения проводятся без лампы.
Блок питания ремонтирую отдельно от других блоков. Сейчас нет нормальных дежурок, значит рано подключать к блокам или запускать в автономе подавая сигнал включения. |
|
goga_tv
Фанат форума
Сообщения: 4857
|
| subs писал: |
Блок питания ремонтирую отдельно от других блоков. Сейчас нет нормальных дежурок, значит рано подключать к блокам или запускать в автономе подавая сигнал включения. |
не такой простой этот блок , как iv-9 говорит. Но во многом он прав. Обычно емкостями дело начинается и заканчивается. Тебе обратили внимание на высоковольтную емкость в первичке ДР.
Чтобы включить этот блок "на столе" нужно распаять целую гребенку с резисторов , убирающих защиты, это описано не однажды , и если ты изучал темы по ремонту, должен это знать.
Что касается дежурки, то нагрузи блок ДР по 9ти вольтам только тогда появятся "нормальные" вторичные напряжения. Это филипс с его заморочками , разработчики пытались максимально уменьшить потребление ТВ в ДР, поэтому "намутили". Человеку , не сталкивающемуся с этими блоками , сложно понять логику работы. |
|
iv-9
Фанат форума
Сообщения: 6352
|
goga_tv, один раз в практике пришлось делать на столе, вешать гребенку и т.д., а так везло - ремонт за полчаса заменой емкостей. Без всяких автономов.  |
|
|
subs
|
| Витькан писал: | subs, Ну так значит TNY256P качает транс? Так? Значит убедись в правильности мониторинга напряжений, на вторичной обмотке транса (дросселя) 5500.
Смотреть напряжение на вторичке нужно относительно "вторичной" низковольтной земли, которая изолирована от первички. |
Относительно "вторичной" и делал замеры +5V_STBY_SW и 9V_STBY. Но смущало отсутствие напряжения на анодах по мультиметру. Сейчас же разобрался что так и должно быть - импульсы видны только осциллографом. На слабой нагрузке очень малый коэффициент заполнения и мультиметр не успевает или же показывает среднее значение, которое стремятся к нулю. И только уже на конденсаторе сглаженное напряжение можно измерить мультиметром.
| Витькан писал: | Если ты все делаешь правильно и на вторичке ничего нету - то либо это обрыв обмоток, либо короткое замыкание. Обратноходовый источник не боится КЗ, и может качать первичку, при том что КЗ на вторичке.
Вообщем. проверь правильность измерений. Затем ищи обрыв или КЗ. Может где разрушена пайка?
Может диоды уже устали? попробуй диоды заменить...
Чтобы не было напряжения на аноде любого диода - достаточно одного КЗ и все ляжет... |
По этому совету очень плотно поработал. Максимально изолировал блок дежурки и проверил всю схему: элементы/номиналы, соединения, дорожки.
Текущее состояние. По совету | goga_tv писал: | | нагрузи блок ДР по 9ти вольтам только тогда появятся "нормальные" вторичные напряжения | нагрузил блок и действительно напряжения поднялись. Обратная связь работает, частота импульсов Истока контроллера увеличивается. Но два из трех напряжений при этом завышенные:
9V_STBY - 11.5В
25V_HOT - 32В
+5V_STBY_SW в норме - 5,4В
В чем может быть ещё причина нестабильности, если одно из напряжений ОК? Транс выпаивал и тестировал на КЗ, обрыв, индуктивность и т.д...
Гребенку распаивал ещё вначале ремонта но она не включила блок (напряжения с гребенкой указал в 3-й колонке таблицы первого сообщения темы http://monitor.espec.ws/files/2020-09-04_234329_197.png.
2020-09-06_152000+.png 185.36 КБ Скачано: 318 раз(а)
|
|
iv-9
Фанат форума
Сообщения: 6352
|
Так и не понял. То есть, попытавшись что-то увидеть мультиметром непосредственно на вторичных выводах импульсного тр-ра до диодов и, естественно, ничего не узрев, "очень плотно" ремонтировал на столе исправный Stby без нагрузок? Еще и в цепи стабилизации полез. Мазохизм какой-то с фантазиями. Очень далек от понятий работы импульсного БП.
Поменял указанные конденсаторы - подключай блок в ТВ штатно и проверяй. |
|
Юрий 72
Передовик
Сообщения: 1397
|
| Там еще после емкостей бывает mc33067 дохлая. |
|
|
subs
|
| iv-9 писал: | | "очень плотно" ремонтировал на столе исправный Stby без нагрузок? Еще и в цепи стабилизации полез. Мазохизм какой-то с фантазиями. импульсного БП. |
Именно так , если не обращать внимание на нестабильность напряжений даже при нагрузке:
9V_STBY - 11.5В
25V_HOT - 32В
+5V_STBY_SW в норме - 5,4В
| iv-9 писал: | | Очень далек от понятий работы импульсного БП. ... Поменял указанные конденсаторы - подключай блок в ТВ штатно и проверяй. |
Теперь очень близок )). Подключал после замены конденсаторов к ТВ - без изменений.
| Юрий 72 писал: | | Там еще после емкостей бывает mc33067 дохлая. |
Кажется, вначале смотрел туда но точно уже не помню чем закончилось. Считаю нужно сначала наладить все напряжения дежруного питания и далее переходить к проблемам запуска. Так же? |
|
litam
Передовик
Сообщения: 1014
|
| subs писал: | | Считаю нужно сначала наладить все напряжения дежруного питания |
Если у тебя щёлкают реле,--- причём тут дежурное питание????
25V HOT если в норме,-- PFC запускается???????? На сетевой банке сколько????????
VA , VS появляются ?? |
|
foxter-x
Передовик
Сообщения: 1503
|
[quote="subs"]| iv-9 писал: | | "очень плотно" ремонтировал на столе исправный Stby без нагрузок? Еще и в цепи стабилизации полез. Мазохизм какой-то с фантазиями. импульсного БП. |
| subs писал: | Именно так , если не обращать внимание на нестабильность напряжений даже при нагрузке:
9V_STBY - 11.5В
25V_HOT - 32В
+5V_STBY_SW в норме - 5,4В |
| iv-9 писал: | | Очень далек от понятий работы импульсного БП. ... Поменял указанные конденсаторы - подключай блок в . |
| subs писал: | | Считаю нужно сначала наладить все напряжения дежруного питания и далее переходить к проблемам запуска. Так же? |
Очень хочется посмотреть, как ты будешь налаживать все напряжения дежурного питания.
Открой схему и посмотри, по какому питанию из дежурных идет стабилизация, а потом посмотри на свои измерения. |
|
Витькан
Завсегдатай
Сообщения: 610
|
| subs писал: |
Текущее состояние. По совету | goga_tv писал: | | нагрузи блок ДР по 9ти вольтам только тогда появятся "нормальные" вторичные напряжения | нагрузил блок и действительно напряжения поднялись. Обратная связь работает, частота импульсов Истока контроллера увеличивается. Но два из трех напряжений при этом завышенные:
9V_STBY - 11.5В
25V_HOT - 32В
+5V_STBY_SW в норме - 5,4В |
Что-то я упустил. У тебя же блок дежурки вообще не запускался? Что именно ты заменил после чего он начал запускаться?
Как тебе уже подсказали, блок дежурного питания стабилизируется по 5-и вольтам (цепочка с делителями TL431 и Оптрон).
Остальные напряжения, конечно же, будут изменяться в зависимости от нагрузки - это совершенно нормально...
Теперь вопрос, а в чем собственно проблемы та?
И еще, ты нагрузил только одну линию по 9В, а блок формирует несколько напряжений. При том, что в составе телевизора они будут нагружаться одновременно... Вообщем нагружать только одну линию на БП - это не правильно. Отсюда и перекосы...
Ааа. Так ты же пытался измерять мультиметром напряжение на вторичных обмотках импульсного транса... |
|
|
subs
|
| litam писал: |
25V HOT если в норме,-- PFC запускается???????? На сетевой банке сколько????????
VA , VS появляются ?? |
PFC работает - 395В. VA , VS нет
ДОБАВЛЕНО 09/09/2020 11:48
| foxter-x писал: | Очень хочется посмотреть, как ты будешь налаживать все напряжения дежурного питания.
Открой схему и посмотри, по какому питанию из дежурных идет стабилизация, а потом посмотри на свои измерения. |
| Витькан писал: | Как тебе уже подсказали, блок дежурного питания стабилизируется по 5-и вольтам (цепочка с делителями TL431 и Оптрон).
Остальные напряжения, конечно же, будут изменяться в зависимости от нагрузки - это совершенно нормально.. .... И еще, ты нагрузил только одну линию по 9В, а блок формирует несколько напряжений. При том, что в составе телевизора они будут нагружаться одновременно... Вообщем нагружать только одну линию на БП - это не правильно. Отсюда и перекосы... |
Понял, спасибо.
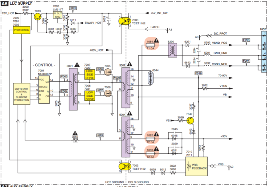
Нашел проблему пока в LLC SUPPLY. Неисправные два транзисторы 7091 7092.
По ШИМ MC34067P поз. 7001 - на https://tel-spb.ru/remont-tv-lcd/philips-42pfl7862d пишут что диагностируется только заменой. Но среди рекомендаций https://elektrotanya.com/repair_guide2_to_philips_plasma_supplies_3104-328-42741_or_3104-328-42742_sm.pdf/download.html нашел также проверить на КЗ 15й вывод и землю. КЗ нет. Дальше посмотрим после замены транзисторов

2020-09-09_114125.png 119.87 КБ Скачано: 314 раз(а)
|
|

|