ESpec - мир электроники для профессионалов


Philips v223v7q БП уходит в защиту

  Список форумов » TFT-мониторы

Следующая тема · Предыдущая тема
АвторСообщение
tener 
Участник
Сообщения: 135
 
Сообщение #1 От 23/06/2021 15:18 цитата  

Model: 223V7Q

БП уходит в защиту. Напряжение на вторичке (оно одно +19в) скачет от 0 до 10в.
На плате БП присутствует одно схемотехническое решение, которе я с трудом понимаю:


19в идет через D - S полевика, через резисторы 1.5 ома - на общий. Гейт полевика подключен к 7 выводу контроллера LED подсветки OZ9998, если что.
Нечто похожее я видел на 17" мониках, даже тему создавал на форуме, там подобная хрень типа ограничивала скачок напряжения на вторичке в момент включения. Может и эта так работает.

Выход полевика я отключал (отпаянный контакт перемычки виден на фото), напряжение приходило в норму, но подсветка не появилась - видимо контроллеру не понравилось что на выходе того полевика ничего нет.
Вторичку нагружал лампочкой - работает нормально!
Собственно два вопроса: может кто сталкивался с подобной неисправностью и зачем нужен тот полевик.

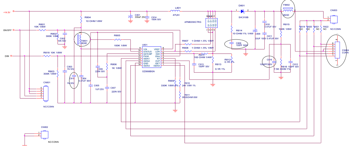
china-na2.jpg
 Описание:
 Размер файла:  441.59 КБ
 Просмотрено:  169 раз(а)

china-na2.jpg


tener 
Участник
Сообщения: 135
 
Сообщение #2 От 24/06/2021 12:31 цитата  

Нашел схемку инвертора (на соседнем форуме) на такой-же микросхеме. Тоже полевик подключен к земле через низкоомный резик. Смотрю и не врубаюсь - это параметрический стабилизатор такой что-ли...


  oz9998bgn_invertor.PNG  132.38 КБ  Скачано: 191 раз(а)
tener 
Участник
Сообщения: 135
 
Сообщение #3 От 28/06/2021 14:03 цитата  

Отдал его без ремонта - нету времени у меня тратить больше часа - двух на один девайс недовольство, огорчение
bugs2005 
Участник
Сообщения: 264
 
Сообщение #4 От 14/08/2021 22:37 цитата  

Брось заниматься девайсами. Чудной

Перейти: 
Следующая тема · Предыдущая тема
Показать/скрыть Ваши права в разделе

Интересное от ESpec


Другие темы раздела TFT-мониторы



Rambler's Top100 Рейтинг@Mail.ru liveinternet.ru