ESpec - мир электроники для профессионалов


Помогите определить ШИМ - Asus MK241H

  Список форумов » TFT-мониторы

Следующая тема · Предыдущая тема
АвторСообщение
Sausage 
Участник
Сообщения: 208
 
Сообщение #1 От 28/04/2012 16:34 цитата  

Asus MK241H

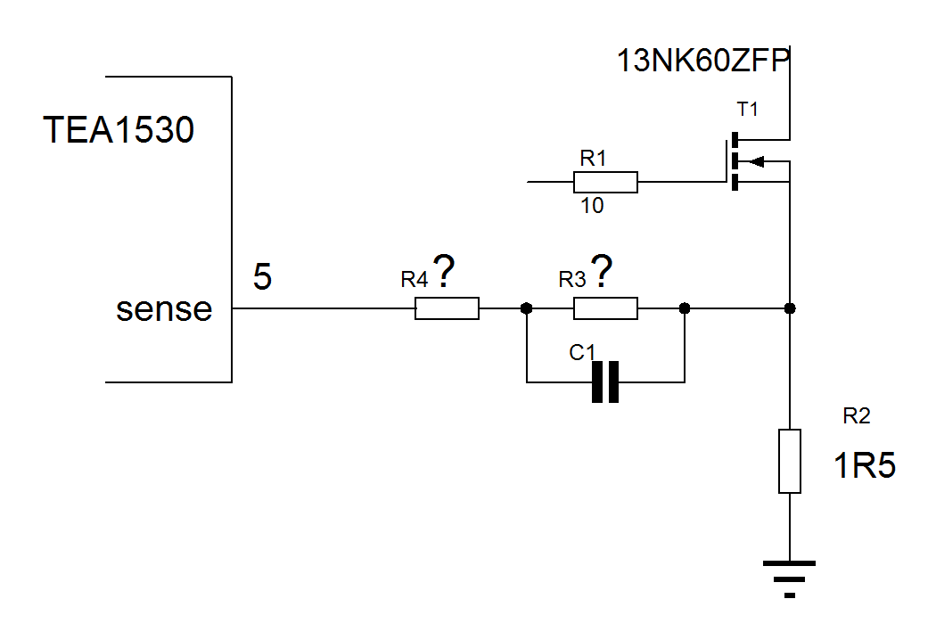
Выгорел полевик P13NK60ZFP, у ШИМки сорвало башню, название невидно. Помогите кто сталкивался.
Номер ноги - выход
1 - Питание МС
2 - GND
3 - идёт на минус диода, с плюса диода на резистор 13к, с резистора прямо к обмотке питания ШИМ, к плюсовой стороне.
4 - через 1к на 3 ногу РС817
5 - сенсор тока
6 - на GATE
7 - NC
8 - Start 10k + 10k на + 310В
Непонятны ещё номиналы до резистора сенсора тока (1,5 Ом). От 5 ноги шима идут последовательно резистор и резистор в паралельном включении с конденсатором.
gavs 
Передовик
Сообщения: 1292
 
Сообщение #2 От 28/04/2012 17:52 цитата  

Sausage, На соседнем форуме давно имеется база этих микросхем, даже с поисковым сервисом.
Sausage 
Участник
Сообщения: 208
 
Сообщение #3 От 28/04/2012 18:31 цитата  

С шимкой разобрался, похожа на TEA1530, а вот с резисторами сенсора тока без схемы наверно неполучится, схема отличается от даташита. Вот кусок схемы:

  sense.GIF  9.87 КБ  Скачано: 617 раз(а)
TE 
Старший модератор
<B>Старший модератор</B>
Сообщения: 10199
 
Сообщение #4 От 28/04/2012 18:58 цитата  

1,5 Ом для R2 слишком большое сопротивление раз в 10 больше. Скачай схему монитора Acer X193W там БП на такой же микросхеме.
Sausage 
Участник
Сообщения: 208
 
Сообщение #5 От 28/04/2012 19:15 цитата  

ТЕ большое спасибо за подсказку!
Да, блин я ошибся, резик на 0,15 Ом

Перейти: 
Следующая тема · Предыдущая тема
Показать/скрыть Ваши права в разделе

Интересное от ESpec


Другие темы раздела TFT-мониторы



Rambler's Top100 Рейтинг@Mail.ru liveinternet.ru