| Автор | Сообщение |
|
jek-1975
|
Есть исправная процессорная плата от Samsung 932BF.
Хочу поставить её взамен неисправной в монитор LG L1932P-SN (см. мою тему о нём _ссылка_).
Проблема в том, что не могу найти схему кнопочного пульта от процессорной платы Samsung. Смотрел в нескольких сервис мануалах - нигде нету. А мне бы хотя-бы ВКЛ-ВЫКЛ сделать для начала...
Распиновка там стандартная для мониторов того времени:
1. LED
2. KEY1
3. KEY2
4. GND
P.S. если схемы BN64-00534B нету, то сойдут и фотографии с двух сторон. (Если я правильно понял, то там две платы - одна на кнопки управления, а другая на кнопку питания со светодиодом). |
|
|
urixxi
|
| P.S. А ты разпиновку шлейфа к матрице, смотрел! |
|
|
jek-1975
|
Конечно! Он даже уже показывает, правда пока с "универсальным китайским" инвертором и компьютерным БП! :-)
Методом научного тыка нашёл кнопку "ВКЛ" - потыкал землёй через 100 Ом резистор в Key1 и Key2, а дальше монитор уже помнит что включенный, даже при перевтыкании питания. Но всё же хотелось бы найти оригинальную схему кнопок.
P.S. Что удивительно, даже яркость регулирует и подсветку включает выключает. (За отсутствием физических кнопок пробую через DDC-CI)
Извините, не удержался, решил добавить фоток этого процесса _матрица_, _общий_вид_ (мать с атлоном 1700 там включена, чтоб БП не уходил в защиту от несеметричной нагрузки, когда нет подсветки) |
|
INTREPID
Модератор
Сообщения: 1470
|
|
|
jek-1975
|
INTREPID, нет - это часть процессорной платы - во всех сервисмануалах такая схема есть!
А нужна схема платы с кнопками. У самсунга все четырёхпроводные "кнопки" подключаются к такой схеме, как вы показали - даже если процессоры разные.
Нашёл пяти-проводную схему - нужна похожая, но четырёх проводная: http://monitor.espec.ws/files/klava_960.rar |
|
INTREPID
Модератор
Сообщения: 1470
|
| jek-1975, я понял, не давал гнусмас этих схем.Карандаш в руки и рисовать. |
|
TE
Старший модератор
Сообщения: 10199
|
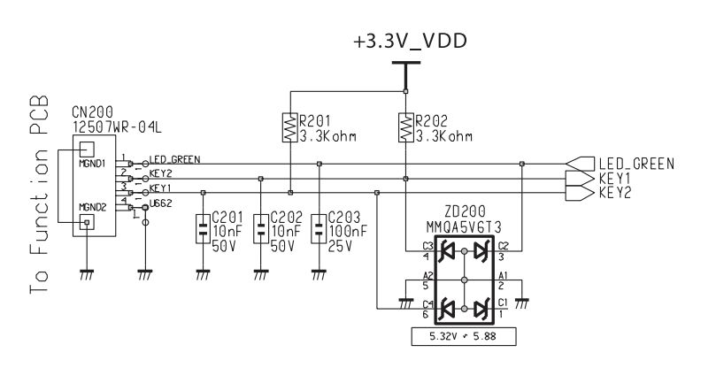
Нарисовал схему клавы 931С LS19MEPSFV. Две платки, отдельно на светодиоды и кнопку Power.

|
|
|
jek-1975
|
TE, большое-пребольшое спасибо!
Тему можно закрывать. (способа, как это сделать самому я не нашёл). |
|