| Автор | Сообщение |
|
ulyanoff1
|
Добрый день! Монитор LG W2361V, матрица LM230WF5, скалер W53/54V (LM89a) , пришел изначально с подпухшими конденсаторами. После замены и прогона вылезла проблема- не работает вход HDMI. Впервые столкнулся с таким проявлением - dvi + vga прошли прогон по три часа без проблем, hdmi при подключении обоих заведомо исправных кабелей, комп как будто определяет монитор, но изображение не появляется - черный экран , затем табличка - переход в энергосберегающий режим. Вот так. Питание 5в в норме без пульсаций.
С elektrotanya был скачан edid для входа hdmi на эту модель. пока не зашивал (и старый не читал.)
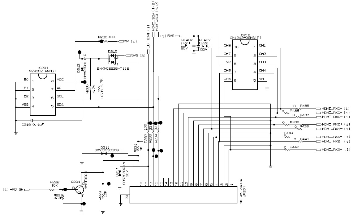
Есть вопрос по одной детальке - на схеме D231. - двунаправленный защитный стабилитрон ?? При диодной прозвонке показывает в одну сторону 0,69 в обратную 0,894. Причем второй там же D211 звонится как 0,00 / 0,815 . Подскажите как проверить его ? Чем заменить ? (прозванивал не выпаивая) Возможно можно вообще без него включить (не хочется спалить TSUM)
Питание на 24С02 8 нога 4,3 вольта.
Проверил - D213,D215,Q201,R230,R226,R222,R229,R231- ок . Под подозрением только D231 (и его пара D211)
Фрагмент схемы ниже
Заранее спасибо!
p/s/ Схему положил тут http://remont-aud.net/load/mnt/lg_w2261v/120-1-0-52089
| sk1.jpg |
| Описание: |
|
| Размер файла: |
578.88 КБ |
| Просмотрено: |
522 раз(а) |

|
Schema hdmi W2261V.jpg 124.7 КБ Скачано: 432 раз(а)
|
|
|
ulyanoff1
|
| Итог - проблему решил снятием и повторной установкой D231, плюс проверкой бп. Исследован APE8840 (стаб на два напряжения), небольшие пульсации на него приходили с инвертора, конденсаторы по питанию просто поменял на другие. Может какой попался с дефектом. После проверки питаний вход hdmi заработал. Склоняюсь что изначально проблема была в бп. Всем спасибо. |
|
|
gaechka2011
|
| монитор LG 27MP55HP так же не определяет по входу hdmi ,V G A работает без проблем, видимых проблем на плате не видно питание в норме. фото платы выложу. на выходных разберу еще раз. |
|

|