| Автор | Сообщение |
sashko65
Фанат форума
Сообщения: 14972
|
а теперь с нуля по подробней.а вдруг он вилку в розетку перевернет?  |
|
meistroisk
Завсегдатай
Сообщения: 551
|
а функция термодатчика какая?
ДОБАВЛЕНО 12/01/2014 01:33
| sashko65 писал: | а теперь с нуля по подробней.а вдруг он вилку в розетку перевернет?  |
вилку))) там колодка, на которой указано куда фазу, куда все остальное. А розетка выдерживает максимум 16А, и грубо 10кват ниодна не потянет.
Я толкую по цветам проводов, синий- рабочий ноль |
|
Petch
Завсегдатай
Сообщения: 874
|
Да, прикольно, элементарнейшую проблему уже две страницы обсуждаем, а ТС-а и след простыл...  |
|
meistroisk
Завсегдатай
Сообщения: 551
|
| alex x писал: |
нет там предохранителя.... ну если только термодатчик! |
то что ты назвал "термодатчиком"- является термопредохранителем, через него не контролируется температура, он сам себе "отдельное государство", сам отключает цепь. Я написал коротко
ДОБАВЛЕНО 12/01/2014 01:48
кстати в электролюксах есть и термодатчик и термопредохранитель совмещенный, крабом еще называется

|
|
|
LIM23
|
фото самой плиты
ДОБАВЛЕНО 13/01/2014 01:41
| meistroisk писал: | | Petch писал: | | В инструкции написано как активировать режимы работы духовки при первом включении или после отключения сетевого питания... Что подсказка должна выглядеть как конкретный тык пальцем в конкретное место? Голову включать не нужно? |
А в этом месте я не понял....сам же писал, что таймер не причем
ДОБАВЛЕНО 11/01/2014 19:37
sashko65, ты в курсе сколько стекло стоит?
ДОБАВЛЕНО 11/01/2014 19:40
оно идет с рамкой и денег стоит как новая панель, а так у человека остались тэны+ новая панелька |
В нашем городе не продают стёкла от плит. Только если на заказ. Тогда выходит стоимость стекла + доставка.... Накладно очень
ДОБАВЛЕНО 13/01/2014 01:44
[quote="meistroisk"]| alex x писал: |
нет там предохранителя.... ну если только термодатчик! |
то что ты назвал "термодатчиком"- является термопредохранителем, через него не контролируется температура, он сам себе "отдельное государство", сам отключает цепь. Я написал коротко
ДОБАВЛЕНО 12/01/2014 01:48
кстати в электролюксах есть и термодатчик и термопредохранитель совмещенный, крабом еще называется[/quo
Такой штуки в своей плите я не видел.
ДОБАВЛЕНО 13/01/2014 01:45
| Petch писал: | Да, прикольно, элементарнейшую проблему уже две страницы обсуждаем, а ТС-а и след простыл...  |
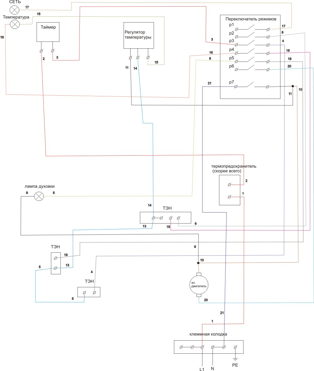
Извиняюсь за долгое отсутствие. На работе был. Потом схему рисовал...
| Рисунок3.jpg |
| Описание: |
|
| Размер файла: |
213.63 КБ |
| Просмотрено: |
327 раз(а) |

|
Рисунок2.jpg 105.42 КБ Скачано: 269 раз(а)
|
|
Petch
Завсегдатай
Сообщения: 874
|
Ну-ка, где это я написал, что таймер не причём? Я писал что не причём отключение от сети (или ты когда панель менял от сети не отключал её?), а это совершенно разные вещи  |
|
sashko65
Фанат форума
Сообщения: 14972
|
| а уне случайно концевика двери духовки нет? и вообще относительно ноля(синий) и таймера (оранж) 220в есть? |
|
meistroisk
Завсегдатай
Сообщения: 551
|
О_о и схему не лень было рисовать и фотографировать Если предохранитель померил, таймер на ручнике- смотри 3 контакт на програмнике. по нулю програмника 7 ряд, часто пропадает контакт, а регулятор температуры тестером прозвонить. тут работы 5 минут без разборки |
|
|
LIM23
|
| Petch писал: | Ну-ка, где это я написал, что таймер не причём? Я писал что не причём отключение от сети (или ты когда панель менял от сети не отключал её?), а это совершенно разные вещи  |
Когда отсоединял провода, устанавливал панель. Конечно же плиту отключал от сети.
ДОБАВЛЕНО 13/01/2014 14:50
| sashko65 писал: | | а уне случайно концевика двери духовки нет? и вообще относительно ноля(синий) и таймера (оранж) 220в есть? |
Концевика духовки нет. Между синим и оранжевым 220 есть
ДОБАВЛЕНО 13/01/2014 15:00
| meistroisk писал: | О_о и схему не лень было рисовать и фотографировать Если предохранитель померил, таймер на ручнике- смотри 3 контакт на програмнике. по нулю програмника 7 ряд, часто пропадает контакт, а регулятор температуры тестером прозвонить. тут работы 5 минут без разборки |
Для меня схему нарисовать было проще. Тем более что в плиту залез впервый раз Ты был прав, отсутствовал контакт 7-го ряда програмника. Устранено небольшим подгибом пластины.
Когда стекло разбилось, часть еды из кастрюли попало на тены варочной поверхности. Немного поискрило, но видимых повреждений и подгораний проводов и контактов не было видно. На 7-м ряду было чуть заметное изменение цвета металла от нагрева.
Благодарю всех за участие и помощь. Плита и духовка раболтают нормально. Результат на фото. Осталось закрыть куском нержавейки 3см. щель у стены. Т.к. варочной панели точно в размер найти не удалось. Цена вопроса 9т.р. и помощь друзей 
Рисунок4.jpg 176.85 КБ Скачано: 315 раз(а)
|
|
meistroisk
Завсегдатай
Сообщения: 551
|
ну вот и славненько  |
|