| Автор | Сообщение |
xarl
Модератор
Сообщения: 21874
|
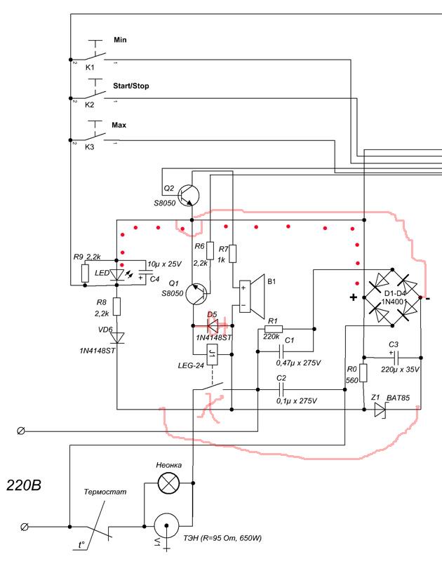
| bkost писал: | | посмотри на диод D5, |
И чем тебе не нравится D5? Включен параллельно обмотке реле катодом (минусом) на плюс источника питания... 

|
|
|
bkost
|
Я не про это, а про то, что на рисунке платы ключ указывает на минус, тогда и на мосту должно быть также

|
|
xarl
Модератор
Сообщения: 21874
|
Мы не понимаем друг друга.

|
|
|
bkost
|
Ну смотри, из статьи: "...1N4148, а у него маркировка общепринятая, т.е. катодом к полоске...", а видим... Полный маразм
diod.jpg 74.65 КБ Скачано: 1034 раз(а)
|
|
xarl
Модератор
Сообщения: 21874
|
| bkost писал: | | Полный маразм |
В чем "маразм"? Диод параллельно обмотке реле -типовая схема включения. |
|
|
bkost
|
| Я про ключ. На твоем рисунке ключ обозначает "+", на родном китайском "-" |
|
xarl
Модератор
Сообщения: 21874
|
Это о D5? На моем рисунке в точности совпадает с рисунком на печатке и с проставленной тобой маркировкой, а также с типовой схемой включения.
Для чего этот диод? |
|
|
bkost
|
Мы сошлись, что маленькие прямоугольнички (ключи) на рисунках диодов указывают на "плюс". На моем рисунке в посте 01/03/2010 18:11 у диода D5 "плюс" получается справа, как ты и нарисовал на своем рисунке. А на последнем фото, сделанном сразу, еще без перепаек, видно, что справа находится "минус" диода (черный ободок). Вот и получается нескладуха. Тогда получается, что ключ указывает на "минус" и мост был правильно впаян, но тогда не понятно подключение кондера С3 - противоположно мосту. И еще, вот схема уже с перевернутым мостом. При старом подключении, загорался светодиод LED, теперь же, он загораться не должен.
И еще, по идее, эмиттеры транз. должны сидеть на земле, а на коллекторе "+"
kos1.jpg 76.87 КБ Скачано: 1016 раз(а)
|
|
xarl
Модератор
Сообщения: 21874
|
| Цитата: | | Мы сошлись, что маленькие прямоугольнички (ключи) на рисунках диодов указывают на "плюс |
Нет, на этом мы не сходились.
Вот так должно быть.
ДОБАВЛЕНО 02/03/2010 17:35
Да, С4 пропустил-надо сменить полярность и Z1 перевернуть.
ДОБАВЛЕНО 02/03/2010 18:19
| bkost писал: | | И еще, по идее, эмиттеры транз. должны сидеть на земле, а на коллекторе "+" |
конечно.
kos1_138_.jpg 48.52 КБ Скачано: 1006 раз(а)
|
|
|
bkost
|
| Вникаю. Насчет С4, он на другой плате, куда еще не касалось жало паяльника. Выходит, он с завода не правильно стоит, но эта байда проработала год и три месяца. Нонсенс? |
|
xarl
Модератор
Сообщения: 21874
|
В схеме не правильно. Внимательнее срисовывай, Вижу схема только путает...  |
|
|
bkost
|
Вот слепил монтажную с твоими замечаниями, дома вечером сделаю принцип.

|
|
xarl
Модератор
Сообщения: 21874
|
| Похоже на правду. В модуле управления наверное должен стоять стабилизатор интегральный... |
|
|
bkost
|
Ну, вроде так. И опять же, вот так стоит диод, а под ним вот так - значек, здесь ключ указывает на "минус". Просто бля..о какое-то
kos3.jpg 99.57 КБ Скачано: 936 раз(а)
|
|
xarl
Модератор
Сообщения: 21874
|
| Фото управления со стороны паек можно? |
|
|
bkost
|
Вот
kos6.jpg 231.53 КБ Скачано: 897 раз(а)
|
|
xarl
Модератор
Сообщения: 21874
|
| В схеме нестыковки. Думаю надо собрать силовую часть и если управление выжило, то должна завестись. |
|
|
bkost
|
| Завтра буду лепить. Думаю, пока без 220В - подам на мост вольт ~28, и при нажатии кнопки "Старт", посмотреть, переключилось ли реле. Логично? |
|
|
bkost
|
xarl,
Смешно. Нашли точно такую же байду, 100% рабочая. Верхнее фото-ее плата. Как видишь, только перевернута пищалка. На моей плате она установлена правильно, т.к. издавала звуки. На рабочей человек не смог ничего сказать по этому поводу. Ну и посмотри на наш долбанный мост и электролит. Все, как на самой первой схеме - полярность кондера противоположна мосту и работает, зараза. Может этот кондер стоит, как гасящее сопротивление? Не знаю, тупо скопировать по рабочей плате, а там видно будет?
forum2.jpg 196.49 КБ Скачано: 1037 раз(а)
|
|
xarl
Модератор
Сообщения: 21874
|
| Сдается мне ты путаешься с маркировкой диодов и что получается на выходах моста... А пищалке какая разница как она подключена? Пищать будет. |
|