| Автор | Сообщение |
|
Notmaster
|
У аппарата следующие проблемы. При включении крутится сразу мотор кассетных дек, постоянно, пока включен в сеть. При нажатии кнопок режима магнитофона ничего не меняется.
Но работает смена режимов самого музыкального центра, т.е. на дисплее меняется TAPE, TUNER, CD, PHONO. Но работает нормально только приемник, меняется волна, работает усилитель УНЧ.
На плате питания вместо Q904 (2SC3402) уже стоял КТ315Г. Вроде бы есть такая информация в сети, но я не уверен в полной замене. Родной пока не купил, на выходных выберусь. Так же смущает стабилизатор M5230L-A, есть уж больно завышенные напряжения на его выходе, против схемных. Из за него же Q902 похоже не выдает положенные 12 вольт.
Саму схему прикладываю от другого аппарата - HCD-H51. Другую, более близкую не нашел. По элементной базе и конфигурации аппарата очень похожи, во всяком случае плата питания в точности.
По симптомам не работает логика, но сначала надо выставить все питания. На блоке питания часть напряжений выше схемных, но такие они сразу на фильтрах питания. Может ли быть такая разница, потому что схема не родная? Ведь все элементы на ней идентичные. Сделал ряд замеров, указал на схеме, лист 19 и 22. Проверил электролиты в обвязке упомянутых транзисторов, все в норме.
Схему закачал в архив, здесь не пускает лимит. Имя файла в поиске - HCD-H51_K_FHB500_K |
|
|
Notmaster
|
| Notmaster писал: | | Попытался вставить фрагменты из схемы с замерами. качество не очень. Если кто решит помочь, просьба взять в архиве . |
| Main board mini.jpg |
| Описание: |
|
| Размер файла: |
275.56 КБ |
| Просмотрено: |
461 раз(а) |

|
| Power Board mini.jpg |
| Описание: |
|
| Размер файла: |
289.8 КБ |
| Просмотрено: |
449 раз(а) |

|
|
|
|
pasha-4
|
| Notmaster, 2SC3402 -это цифровой транзистор |
|
|
Notmaster
|
| Поменял M5230L-A, выровнялись напряжения на выходе с платы питания. Появилось 12 вольт, перестал работать мотор кассетника сразу с включения в сеть. На микросхеме IC201(main board) на вывод 22(VCC) не приходит положенные 5,2 вольта, на транзисторе Q210 (по схеме 2SD773) напряжение на коллекторе-базекак по схеме. Выпаял, транзистор, прозвонил - все в порядке. Ставлю назад - такая же картина. Конденсаторы С203 и С206 поменял - не помогает, напряжение на эммитере 2,1 вольт. Что может еще быть? Поменять Q210? |
|
|
Notmaster
|
| Поменял Q210, стоял не родной (не схемный, хотя у меня схема тоже не его, но пока все совпадало). Появилось управление кинематикой магнитофона, но не стабильное. По нескольку раз делает команду старт-стоп и невпопад. Может ли это быть из за напряжения на эммитере Q210. Оно не 5.2 вольта, а 4.8. Потому как на базе не 5.7 а 5.5. Может ли это иметь важное значение? |
|
pion
Передовик
Сообщения: 1602
|
| Notmaster писал: | | Поменял Q210, стоял не родной (не схемный, хотя у меня схема тоже не его, но пока все совпадало). Появилось управление кинематикой магнитофона, но не стабильное. По нескольку раз делает команду старт-стоп и невпопад. Может ли это быть из за напряжения на эммитере Q210. Оно не 5.2 вольта, а 4.8. Потому как на базе не 5.7 а 5.5. Может ли это иметь важное значение? |
Замени стабилитрон в цепи базы Q210, скорее всего он тоже неисправен. Просадок по питанию не должно быть!
Можно от лабораторника запитать эту цепь, если дефект постоянный. Также датчики на деке могут быть грязными и давать неправильные команды. |
|
|
Notmaster
|
| Да, правда, датчики давали много помех. Почистил все "микрики" на кассетной кинематике и СД. Нашел обломанный край шлейфа с материнки на СД, подрезал дефект. Заработал СД! Магнитофон пока также клацает кинематикой невпопад. Кнопки на морде врут страшно, сопротивления при нажатии килоомы! Поменять их не трудно, если аппарат запустится в принципе. Они правда не четырехногие, как сейчас чаще, а двухногие, но на Али такие есть. Но не долго радовался, пропали 12 вольт и кинематика замолчала. Видать "новая" M5230L-A не выдержала, есть еще одна на замену, буду пробовать. Я читал, что сейчас их настоящие в продаже не найти. Можно ли такие сборки-стабилизаторы из одной партии соединять в параллель, чтобы разбавить нагрузку? И все же, что это за транзисторы типа Q904 (2SC3402)? Я нашел на замену один со старой платы, 2SC3400, а если еще понадобится, то в продаже в городе их нет, с Али ждать больше месяца (. |
|
foxter-x
Передовик
Сообщения: 1503
|
|
|
Notmaster
|
Я правильно понял, смотрю цифровые со встроенными резисторами? Ну и по основным параметрам по ближе.
ДОБАВЛЕНО 10/03/2020 20:12
При одном из подключений на шлейфе дорожка отслоилась и устроила кз (на схеме пометил), сгорел Q210. Поменял. Не знаю что еще могло полететь, но по работоспособности не сильно заметно. Больше всего проблем с магнитофоном. Так же судорожно пытается отработать любую команду, многократно клацает механикой. Разобрал кинематику, проверил/почистил еще раз микровыключатели, все в порядке. После скажем команды стоп, перемотка может несколько раз поднять головы и опустить, и остановиться как вверху, та к и внизу.
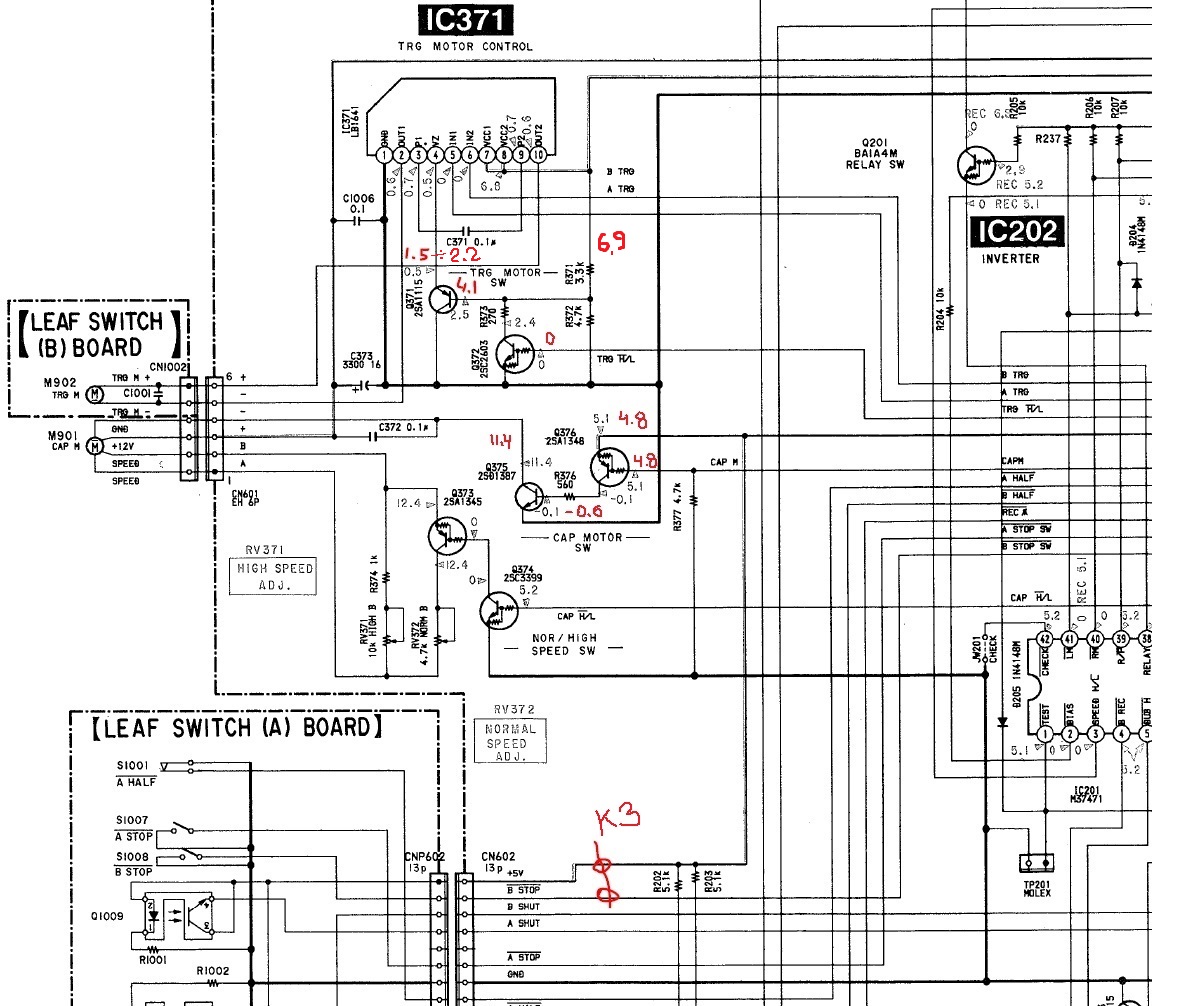
1. Прошу, посмотрите такой момент в схеме : у транзистора Q371 вольтаж сильно не соответствует. Я уже Q371, Q372, R371 и R372, выпаял-проверил, R373 был 170 Ом заменил на 270. Ничего не изменилось в плане этих 4-4,1 вольта с торону 2,5 по схеме. Что еше проверить, поменять ? Драйвер мотора LB164, конденсатор С373 заменил, все осталось.
2. Стабилитрон в цепи базы Q210 поменял, нашел пока на 5.6 вольта, на 5.7 не было. Теперь с транзистора снимается 5.0 вольт против 4.8 ранее. Повторюсь, нужно ли добиваться именно 5.2 вольта, или не обязательно?Тогда стабилитрон на 5.7 и выше ставить?
3.Кинематика кассеты 2 работает только при работе кассеты 1. Это неисправность или бывает такой функционал?
| 4 вольта.jpg |
| Описание: |
|
| Размер файла: |
328.32 КБ |
| Просмотрено: |
353 раз(а) |

|
|
|

|