ESpec - мир электроники для профессионалов


Музыкальный центр Samsung MAX N66G

  Список форумов » Музыкальные центры и усилители

Следующая тема · Предыдущая тема
АвторСообщение
Юрий Евгеньевич 
Заглянувший
Сообщения: 5
 
Сообщение #1 От 07/10/2016 22:28 цитата  

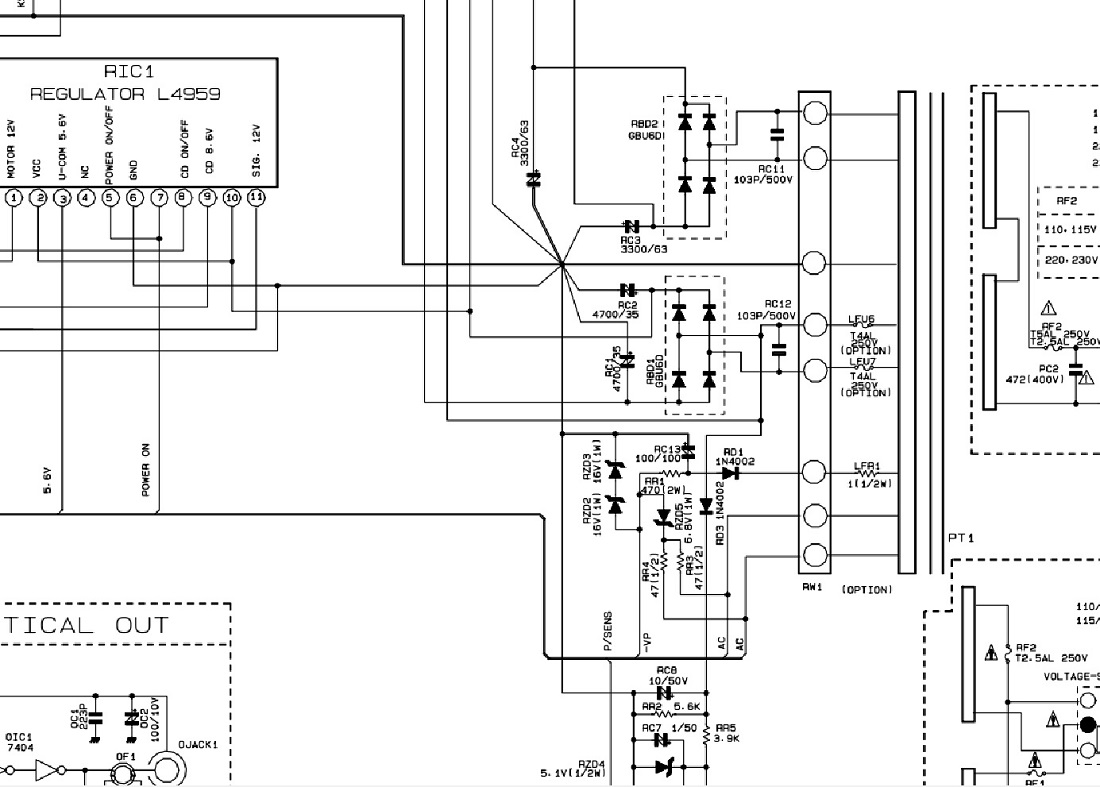
Здравствуйте. Есть МЦ Samsung MAX N66G без УНЧ (STK) и блока питания. STKшку так и не нашёл на рынке поэтому есть задумка поставить две tda7294 но не могу понять какое питание. Помогите запитать сам центр чтоб засветился ну и всё такое, на унч я выведу сам. По схеме я так понимаю надо запитать RIC1 L4959 но на неё с транса выходят несколько питаний и вот тут я в тупике не параметров питания на схеме не объяснений. За раннее спасибо.

  MAX G66M.jpg  172 КБ  Скачано: 573 раз(а)
  Samsung MAX-N66.pdf  1.04 МБ  Скачано: 565 раз(а)
serega-64 
Старший модератор
<B>Старший модератор</B>
Сообщения: 10180
serega-64
 
Сообщение #2 От 07/10/2016 22:33 цитата  

Юрий Евгеньевич, Схему в студию или будем погадать?
Цитата:
По схеме я так понимаю надо запитать RIC1 L4959

Достаточно открыть даташит, там все ясно.
Юрий Евгеньевич 
Заглянувший
Сообщения: 5
 
Сообщение #3 От 07/10/2016 22:49 цитата  

открывал, и как понял на 2 и10 ноги подаётся +35в., но что за питание которое подходит с блока питания на ноги 3 и 7? Но если оно не на микруху тогда что это за питание и какое?
serega-64 
Старший модератор
<B>Старший модератор</B>
Сообщения: 10180
serega-64
 
Сообщение #4 От 07/10/2016 22:54 цитата  

Подавать советую не более 20в, т.к. вых. макс. 12в, грецца будет меньше. 3 пин вых. деж. 5в, на 7 приходит команда вкл. (читаем даташит), там же написано "power on", если уж аббревиатуру не знаем, то какого ....?
Юрий Евгеньевич 
Заглянувший
Сообщения: 5
 
Сообщение #5 От 07/10/2016 22:59 цитата  

Ну хорошо, я так и думал но лучше удостовериться, а что же всё-таки за питание с транса по схеме нижний узел? Я так понимаю там где-то 5в. Но для чего?
serega-64 
Старший модератор
<B>Старший модератор</B>
Сообщения: 10180
serega-64
 
Сообщение #6 От 07/10/2016 23:14 цитата  

Юрий Евгеньевич, АС оба - это накал на индикатор, верхний - это минус 27в - питание индикатора, изучите сначала принцип работы люминисцентного индикатора, хотя бы на основе ИК1901, Накал связан с питанием с минусом 27в. Там есть еще цепь протекта "P/sens", условие обязательно.

ДОБАВЛЕНО 08/10/2016 00:22

Так, -27 связано с накалом через RR3, RR4, RZD5, а вот второй конец обмотки сидит на корпусе в общей связке.
Юрий Евгеньевич 
Заглянувший
Сообщения: 5
 
Сообщение #7 От 07/10/2016 23:26 цитата  

Спасибо, буду учить
Юрий Евгеньевич 
Заглянувший
Сообщения: 5
 
Сообщение #8 От 08/10/2016 00:25 цитата  

Да, спасибо, центр засветился кроме дисплея, подал 18в на RIC1 L4959, в принципе в плате вся схема уже раскидана и как я понимаю мне намотать транс и подать на AC 5в, и на VP относительно общей точки 27....?
serega-64 
Старший модератор
<B>Старший модератор</B>
Сообщения: 10180
serega-64
 
Сообщение #9 От 08/10/2016 00:33 цитата  

Цитата:
относительно общей точки 27..

Переменки надо будет 21-25 вольт, хотя там однополупериодный выпрямитель, то возможно в трансформаторе как то по иному коммутируется или все же 50 вольт переменки.
Или переделать под двухполупериодный мост.

Перейти: 
Следующая тема · Предыдущая тема
Показать/скрыть Ваши права в разделе

Интересное от ESpec


Другие темы раздела Музыкальные центры и усилители



Rambler's Top100 Рейтинг@Mail.ru liveinternet.ru