ESpec - мир электроники для профессионалов


Акустика BBK FSA-7800 нет звука через AUX шину

  Список форумов » Музыкальные центры и усилители

Следующая тема · Предыдущая тема
АвторСообщение
nemax9421 
Бывалый
Сообщения: 54
 
Сообщение #1 От 03/12/2019 14:20 цитата  

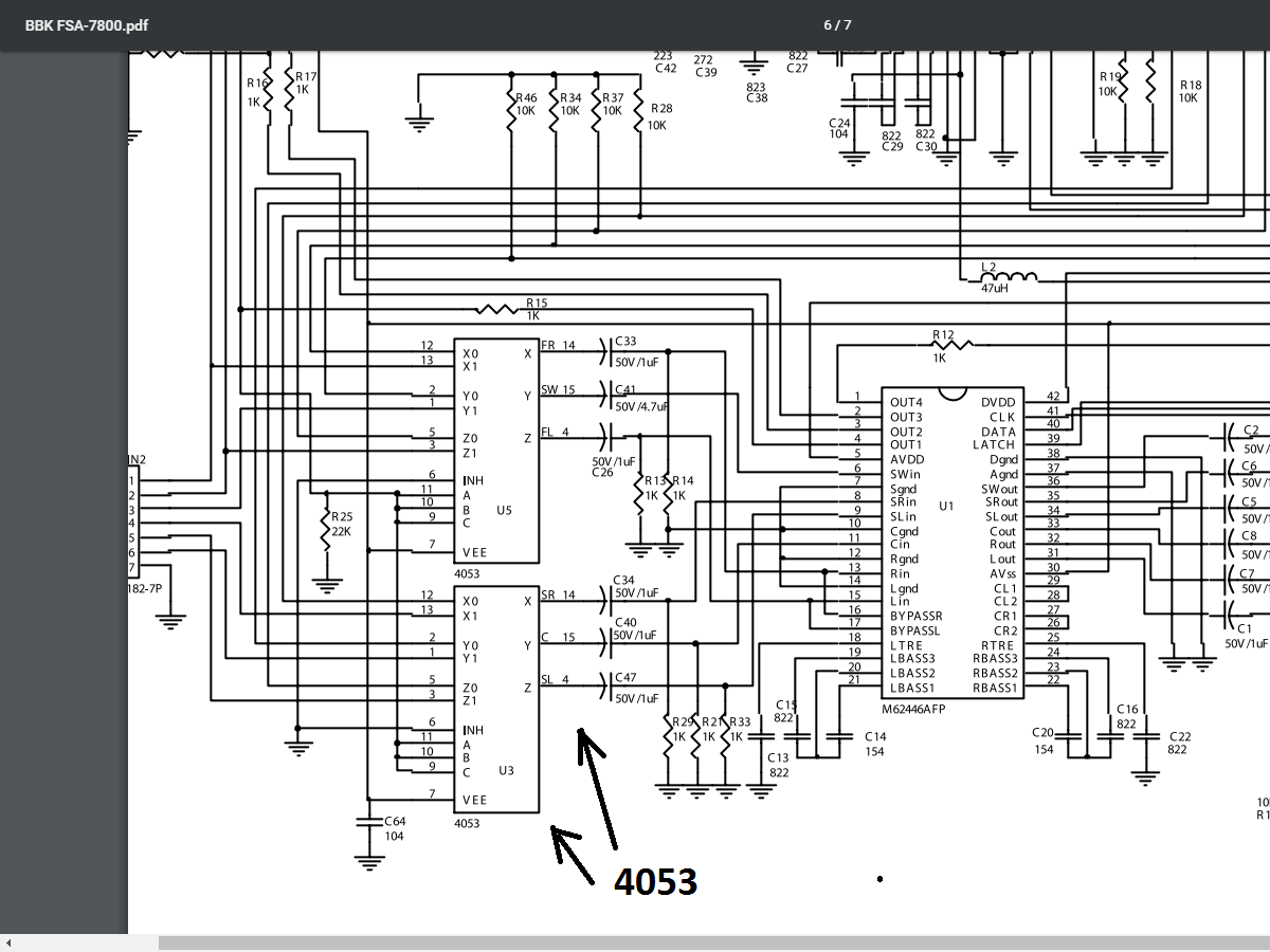
Имеется акустическая система 5.1 BBK FSA-7800
Управление: M62446AFP
Проц: qs7785cf
с проблемой: нет звука через шины AUX, CD, DVD
Все микросхемы УМ исправны, 6 шт TDA 2030 (4шт на 4 сателлита и 2шт на центральный сателлит) и 1шт lm1876t на сабвуфер
Если запускать сигнал через шину 5.1, то все сателлиты, включая сабвуфер, работают. А вот если запускать сигнал через одну из трех шин (AUX,СD, TV) звук на выходе отсутствует
На плате обработки сигнала стоят 3 мультиплексора (1шт CD 4025 и 2 шт 4053) питание на них есть.
Сигнал с ног 14,15,4 мультиплексоров 4053 (в режиме DVD 5.1) есть
Сигнал с 13 и 3 ноги мультиплексора CD4052 (в режиме AUX) есть
Схему прикреплю

  .png  124.93 КБ  Скачано: 321 раз(а)
  2.png  143.46 КБ  Скачано: 294 раз(а)
  BBK FSA-7800.pdf  5.07 МБ  Скачано: 332 раз(а)

Перейти: 
Следующая тема · Предыдущая тема
Показать/скрыть Ваши права в разделе

Интересное от ESpec


Другие темы раздела Музыкальные центры и усилители



Rambler's Top100 Рейтинг@Mail.ru liveinternet.ru