ESpec - мир электроники для профессионалов


Ресивер KENWOOD KRF-X9090D

  Список форумов » Музыкальные центры и усилители

Следующая тема · Предыдущая тема
АвторСообщение
Hitman01 
Заглянувший
Сообщения: 1
 
Сообщение #1 От 27/01/2022 10:00 цитата  

Всем привет. Сталкнулся с такой проблемай. Не работает трансформатор в данном устройстве. Показывает обрыв первичной обмотки.
Вопрос: Кто сталкивался с таким трансформатором и разберал его.
Там стоит термо предохранитель или нет, кто знает?.
Схемы по нему немогу найти.
Данные по трансформатору: L07-3286-15 KENWOOD.
krugliak 
Завсегдатай
Сообщения: 307
 
Сообщение #2 От 27/01/2022 13:39 цитата  

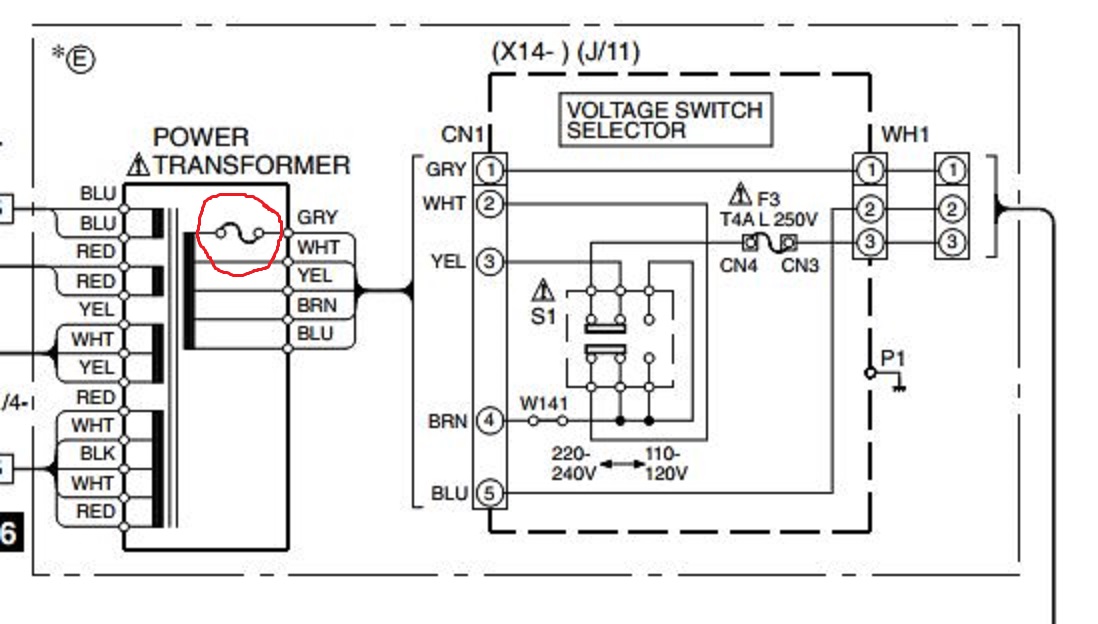
Вот кусочек схемы питания данного ресивера, красным выделил термик в трансе.

  22C1EE4C-44FD-4b5b-B604-DFDB691BBB75.jpg  127.96 КБ  Скачано: 199 раз(а)

Перейти: 
Следующая тема · Предыдущая тема
Показать/скрыть Ваши права в разделе

Интересное от ESpec


Другие темы раздела Музыкальные центры и усилители



Rambler's Top100 Рейтинг@Mail.ru liveinternet.ru