| Автор | Сообщение |
|
юрарезцов
|
| усилитель мистери 4.8.подал напряжение.красный светодиод загорелся и погас. зеленый молчит..но не понятно почему скачут напряжения везде где бы не мерил.пожалуйста подскажите где начинать искать |
|
|
юрарезцов
|
| усилитель мистери 4.8.подал напряжение.красный светодиод загорелся и погас. зеленый молчит..но не понятно почему скачут напряжения везде где бы не мерил.пожалуйста подскажите где начинать искать |
|
birluk
Передовик
Сообщения: 2209
|
| юрарезцов писал: | | усилитель мистери 4.8.подал напряжение.красный светодиод загорелся и погас. зеленый молчит..но не понятно почему скачут напряжения везде где бы не мерил.пожалуйста подскажите где начинать искать | оконечный каскад цел? Резистор RW1 почерневший? Витки на трансформаторе ПН не болтаются? |
|
|
юрарезцов
|
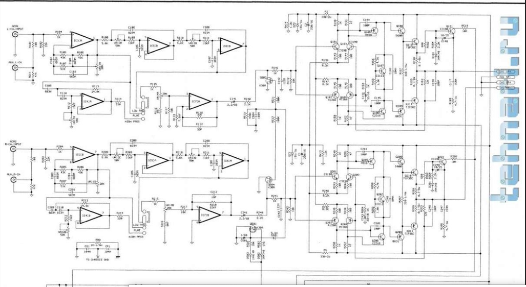
вот похожая схема
ДОБАВЛЕНО 05/02/2023 20:11
резистор цел.транс залит.заменил tl. транзисторы по питанию.обвязку возле tl49 ппроверил
ДОБАВЛЕНО 05/02/2023 20:16
еще схема
| 2023-02-05 185907.png |
| Описание: |
|
| Размер файла: |
400.53 КБ |
| Просмотрено: |
283 раз(а) |

|
| 10.PNG |
| Описание: |
|
| Размер файла: |
205.2 КБ |
| Просмотрено: |
224 раз(а) |

|
|
|
birluk
Передовик
Сообщения: 2209
|
| Ещё раз. Транзисторы оконечного каскада проверены? С ПН сколько Вольт выходит? Tl -ку то зачем менял,от нечего делать? |
|
|
юрарезцов
|
напруга везде скачет не понятно сколько.на 13 ноге tl скачет от 5 вольт и ниже.на мосту тоже от 15 вольт и вниз потом вверх до 15 вольт
ДОБАВЛЕНО 05/02/2023 20:42
усилок на работе завтра сфоткаю покажу что проверено где какие напруги |
|
birluk
Передовик
Сообщения: 2209
|
| юрарезцов писал: | напруга везде скачет не понятно сколько.на 13 ноге tl скачет от 5 вольт и ниже.на мосту тоже от 15 вольт и вниз потом вверх до 15 вольт
ДОБАВЛЕНО 05/02/2023 20:42
усилок на работе завтра сфоткаю покажу что проверено где какие напруги | выпаять транзисторы унч,проверить работу преобразователя напряжения без них. Обратить внимание как припаян резистор rw 1,должен быть припаян одной ногой на +15 Вольт,другой на общий. Усилитель Mystery mk 4.80,верно? |
|
БЕЗЫМЯННЫЙ
Бегущий по граблям
Сообщения: 7608
|
| Вангую: усЕлитель подключен к источнику неспособному прокормить его. |
|
birluk
Передовик
Сообщения: 2209
|
| БЕЗЫМЯННЫЙ писал: | | Вангую: усЕлитель подключен к источнику неспособному прокормить его. | вариант. Возможно тс запитывает его от адаптера польской антенны. |
|
|
юрарезцов
|
| транзисторы обязательно выпаевать для проверки? |
|
БЕЗЫМЯННЫЙ
Бегущий по граблям
Сообщения: 7608
|
юрарезцов, из усЕлителя можно не выпаЕвать а из усИлителя в зависимости от навыков проверки. |
|
birluk
Передовик
Сообщения: 2209
|
| юрарезцов писал: | | транзисторы обязательно выпаевать для проверки? | уже ответили. Усилитель от какого источника питается? Да, и на вопросы принято отвечать. |
|