| Автор | Сообщение |
|
VadMax
|
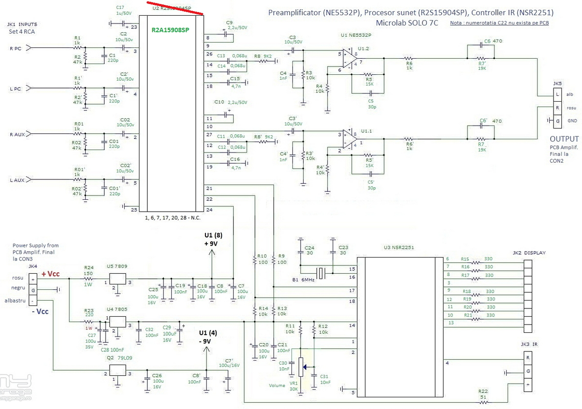
Приветствую. Нужна помощь в известной проблеме: Microlab SOLO 4C внезапно стали играть на 50-60% тише. Ответов как лечить не нашел, хоть это и известная проблема.
Что произошло: Играли отлично, потом положил на полку на +-6 мес. После подключил и обнаружил снижение уровня звука более чем в половину сразу по обоим каналам.
Что проверил и что известно: Кабель исправен, источник сигнала не поменял силу, транс 100% рабочий. УМ 100% рабочий - проверено. Сам ОУ(5532) рабочий– проверено. +-9v есть, 5v есть, электролиты все исправны, с малейшим подозрением заменены (ESR meter). Иглоукалывание на плате показало что у ОУ(5532) есть усиление(хорошо заметное). В правильности проверки следующего не уверен(потому что не разрывал сток дорожки): Сигнал с телефона подавал на один из двух каналов минуя R2A15908SP, до ОУ 5532 – При максимальной громкости с пульта звук на колонки выходит одинаковый. Далее подал сигнал с телефона, все также на один канал из двух, минуя ОУ 5532, до конденсаторов разъема JK5, громкость с пульта на максимум – Канал минуя ОУ играет совсем немного тише.
Вопрос: Где потерялся Звук? Где я могу ошибаться и что я мог не проверить? )
Осциллографа нет.
| 4с3.jpg |
| Описание: |
|
| Размер файла: |
471.92 КБ |
| Просмотрено: |
244 раз(а) |

|
| IMG_20230725_160323.jpg |
| Описание: |
|
| Размер файла: |
942.97 КБ |
| Просмотрено: |
166 раз(а) |

|
| IMG_20230803_061206.jpg |
| Описание: |
|
| Размер файла: |
952.73 КБ |
| Просмотрено: |
234 раз(а) |

|
|
|
|
VadMax
|
Дополнение: Замер напряжения на 2251 производился после включения колонок и составляет 5v. Но! Если изменить громкость пультом, чтобы прочерки на индикаторе сменились на цифры, происходит просадка до 0.2v.
Ближе к ночи буду смотреть почему такое происходит. Посмотрю приёмник ИК, там есть электролит (ранее не обратил внимание на него). |
|
birluk
Передовик
Сообщения: 2209
|
|
|
VadMax
|
| birluk писал: | | VadMax, где,на 14 пине? |
16 пин
| 183.jpg |
| Описание: |
|
| Размер файла: |
256.4 КБ |
| Просмотрено: |
167 раз(а) |

|
|
|
|
VadMax
|
Предварительно нашел проблему. Конденсатор рядом с ИК.
Сейчас шуметь не могу, завтра проверю и отпишусь. |
|
birluk
Передовик
Сообщения: 2209
|
|
|
VadMax
|
Подтверждаю, замена конденсатора у ИК приёмника помогла, громкость вернулась. Был вроде 47mF 16V, поставил 47mF 25V.
Дополнительно заменил r4 и r4-1 с 10 кОм на 4. Громкость немного поднялась, но лишь немного. Для того чтобы при включении каждый раз не накручивать громкость.
Внедрил Bluetooth модуль на вход PC.
Поставил радиатор на 7805.
| IMG_20230812_210216.jpg |
| Описание: |
|
| Размер файла: |
439.93 КБ |
| Просмотрено: |
130 раз(а) |

|
4с4.jpg 127.63 КБ Скачано: 182 раз(а)
|
|