| Автор | Сообщение |
|
MelkonyanArman
|
| Была проблема с дисплеем хотел по бокам с помощью супер клея приклеить, после того как приклеил, начал вставлять шлейфы в коннектор и вдруг током ударило, не снимал аккумулятор, после чего мультиком замерил коннектор акб 1004 ОМ не звенит, на лабороторнике после замыкания кнопки включения потребление 100-150 мА, в чем может быть проблема дайте совет, с чего начинать поиск неисправности по схеме. |
|
rommy
Модератор
Сообщения: 3188
|
Мда уж.
Попробовать подкинуть другой дисплей,может он сдох только.А если нет,тогда там работы будет много,вплоть до замены платы. |
|
n max
Модератор
Сообщения: 17622
|
| Проще найти донора и подкинуть дисп.чтоб определить что умерло дисп или плата,а возможно и то и другое тогда можно повесить на ёлку |
|
|
MelkonyanArman
|
| Мне тоже кажется что возможно дисплей. |
|
n max
Модератор
Сообщения: 17622
|
| Тут только подкидкой можно выяснить.Может быть что и плата до кучи. |
|
|
MelkonyanArman
|
| А может быть из-за Tristar U2 просто у меня айфон очень быстро разряжался АКБ поменял ничего не изменилось |
|
n max
Модератор
Сообщения: 17622
|
| Может,но там только замена при снятом U2 будет невключайка.Неисправнось u2 легко диагностируется по потреблению после кратковременного нажатия кнопки вкл |
|
|
MelkonyanArman
|
А сам дисплей нельзя прозвонить на него нету схем?
ДОБАВЛЕНО 07/11/2019 23:01
Да видимо где-то шлейф порвался так как никак не реагирует на прозвонку 2 шлейфа реагируют а 1 не реагирует никак, попробую купить дисплей, но просто во время разборки платы пальцем 1 конденсатор снес и пытался вернуть обратно, но так как нет микроскопа, маленькие тоже снес, как думаете что сначало сделать вернуть на место конденсатор или дисплей новый подключить? |
|
n max
Модератор
Сообщения: 17622
|
Там один шлейф идёт от тачскрина и он ни как не звониться.
Ну а элементы которые вы снесли тут надо масштаб погрома видеть и смотреть по схеме за что они отвечают |
|
|
MelkonyanArman
|
Щас на схеме покажу примерно в какой области снесены
ДОБАВЛЕНО 07/11/2019 23:59
Но не все которые я выделил 1 тот большой и максимум 2-3 маленьких
ДОБАВЛЕНО 08/11/2019 00:01
Что это означает


|
|
n max
Модератор
Сообщения: 17622
|
| резисторы так точно надо ставить на место т.к. они могут относиться к шине и2с и привести к неработоспособности телефона.Тут микроскоп надо бы заиметь хотя б 10х |
|
rommy
Модератор
Сообщения: 3188
|
MelkonyanArman, телефон в мастерскую лучше.
Есть опыт пайки такого монтажа?Просто чтоб ещё хуже не сделать. |
|
n max
Модератор
Сообщения: 17622
|
Хуже уже сделали.Если чипы с пятаками оторвал то в мастерской тупо поменяют плату.
Там припой очень тугоплавкий.Если ещё тристар полезет менять то будет плохо или плату загреет или пятаки оторвёт.Один хрен плату на выброс нехай тренеруется |
|
|
MelkonyanArman
|
| Подкинул новый дисплей нет изображения, потребление поднялось до 0.40 потом постепенно опустилось до 0.12 |
|
n max
Модератор
Сообщения: 17622
|
| Далее восстановить оторванные чипы там будем посмотреть.Потом смотреть определяемось компом хоть в каком либо режиме рабочем\рекавери\дфу |
|
|
MelkonyanArman
|
|
n max
Модератор
Сообщения: 17622
|
Схема ведь есть по ней видно что где стояло\должно стоять.Далее измеритель емкости и сопротивления по схеме находим номинал снесённой детали сопоставляем с измеренными данными и ставим на своё место.Не вижу проблем.
ДОБАВЛЕНО 09/11/2019 00:42
AOMEKIE 20X стерео микроскоп бинокулярный со светодиодной подсветкой для пайки печатных плат инструмент для ремонта мобильных телефонов слайды минеральные часы Microscopio
Такой на работе стоит в принципе припаять чипы с его помощью можно.Можете заказать к нему сменные глаза(которые чёрного цвета) и будет увеличение 40 крат помню что они немного стоят
ДОБАВЛЕНО 09/11/2019 00:46
Электронные мне как то доверия не внушают на картинке всё красиво а в реалии надо с подсветкой долго танцевать чтоб добиться нормальной картинки +цветность выключать иногда.пол часа секса чтоб сделать одну пайку |
|
|
MelkonyanArman
|
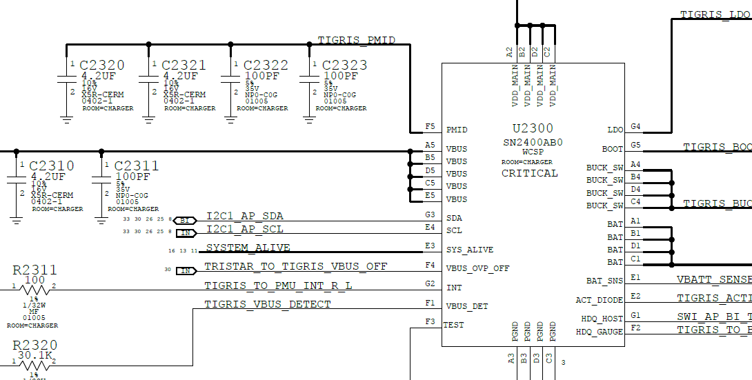
Я бы по схеме смотрел, но в айфоновских схемах непонятно где какое сопротивление и напряжение должно быть, например на этой фотке покажите где сопротивление и где напряжение
Screenshot_8.png 73.44 КБ Скачано: 206 раз(а)
|
|
n max
Модератор
Сообщения: 17622
|
| Сейчас надо вернуть на место снесённые чипы.Допустим с4500 находите по схеме сколько он микрофарад допустим 0.01 берете снесенные чипы и меряете ёмкость тот который покажет 0.01 микрофарад ставите на место с4500 и так далее со всеми чипами.Резисторы обычно черного цвета с одной стороны этим их можно отличить от конденсаторов.Напряжения потом будем мерить когда плата будет восстановлена а то вдруг из-за этих сипов запуска не будет |
|
|
MelkonyanArman
|
Посмотрел под микроскоп вот список снесенных элементов, какой из них важен а какой нет?
C3227_RF
C4114_RF
C3125_RF
R3505_RF
R3504_RF
R3503_RF
R3502_RF
C3120_RF
C3811
C3810
ДОБАВЛЕНО 21/11/2019 10:22
Где все эти элементы купить их али что ли? |
|