| Автор | Сообщение |
viktor_ramb
Сам себе начальник
Сообщения: 23835
|
Имеется неисправный смартфон Lenovo A6010 . Причина его поломки известна и банальна - спаяли неправильно зарядно-сигнальный кабель и включили смартфон заряжать от мощного зарядного устройства на 5 В. После чего телефон перестал включаться, при установке АКБ постоянно включается подсветка и никаких больше реагирований.
Прошу помощи у спецов, знающих этот смартфон, помочь его оживить в некоторой минимально-достаточной степени - возможно вышли из строя контроллер заряда или буфер обмена данными по USB, возможно если их демонтировать, то телефон оживёт. Заменить целиком материнку не проблема, но нужно достать из этого телефона важную информацию из памяти, поэтому и требуется помощь от знающих спецов по оживлению данного смарта. Поскольку опыта в ремонте мобилок очень не много, поэтому буду благодарен любой консультативной помощи в этом вопросе. |
|
|
serzh.borodin.1965
|
| Если NANDa вместе Умерла....Он Утопленник? |
|
viktor_ramb
Сам себе начальник
Сообщения: 23835
|
| serzh.borodin.1965 писал: | | Если NANDa вместе Умерла....Он Утопленник? |
| Цитата: | | ... спаяли неправильно зарядно-сигнальный кабель и включили смартфон заряжать от мощного зарядного устройства на 5 В. После чего телефон перестал включаться, ... |
Если умер проц возможно вместе с NANDой, то инфу восстанавливать будем из других источников, а материнку на этом телефоне просто поменяем на рабочую. Вопрос - есть ли достаточная вероятность что смарт оживёт просто от демонтажа возможно вышедших из строя периферийных элементов. Соответственно впоследствии эти элементы (контроллеры, буферы) можно будет заменить для полного восстановления смартфона, а пока задача минимум просто его оживить . |
|
|
serzh.borodin.1965
|
Добавлю от себя лично.
Lenovo-не уважаю-за Кислую КИТАЕМ сборку.
У меня их уже четыре Штуки.
Самый (типо навороченный-LENOVO S660)
Игрухи (андроидные тянет) (кстати любые)-НО СЕТЬ НЕ ВИДИТ,
Обращался к спецам-проще КУПИТЬ НОВУЮ-МАТЬ-ЕДРО-чем эту КитайЗскую помойку Ремонтить.
Удачи Друже.
ДОБАВЛЕНО 11/05/2018 09:24
viktor_ramb,
Друже-если NAND померла-врятли.
Если ты копаешся в компах,трубах (сотикики)-представь как дохнет ЖЁСТКИЙ ДИСК...
Дорого это обойдётся. |
|
viktor_ramb
Сам себе начальник
Сообщения: 23835
|
Это всё теория. Этот смартфон действительно левоватый, но сейчас не об этом. Имеем что имеем, а хотим оживить по возможности с помощью подсказок - что возможно из периферии могло выйти из строя и заблокировало работу телефона и демонтировать это с определённой вероятностью запустить телефон , пусть скажем без возможности зарядки АКБ или обмена данными через USB - всё это вполне подходящие варианты в моей ситуации.
Если дохлый проц и нанда, то будем менять мать , а восстанавливать потерянную инфу с других источников.
Пока берём фото матери, думаем и подсказываем что можно демонтировать чтобы попытаться достигнуть минимально-достаточного результата по оживлению данного смарта.


|
|
|
serzh.borodin.1965
|
Попробуйте задать ГРАМОТНЫЙ вопрос на 4PDA
Удачи RAMB. |
|
viktor_ramb
Сам себе начальник
Сообщения: 23835
|
Возможно вышел из строя преобразователь для питания проца при его наличии в этой схеме. Я не владею информацией по данному смартфону поэтому и прошу консультативной помощи у знающих схему этого телефона спецов .
ДОБАВЛЕНО 11/05/2018 09:49
| serzh.borodin.1965 писал: | Попробуйте задать ГРАМОТНЫЙ вопрос на 4PDA
Удачи RAMB. |
Насколько я понял там только помощь в ПО, по железу там ничего нет ... |
|
|
serzh.borodin.1965
|
Схемы нет и НЕ БУДЕТ. (КитайЗские Умельцы)
Схемы у Китайзских Хакеров-+ну Компьютеров-Роботов-которые-схемы (по уровню) сложные-собираются Автоматом.
Удачи Друже.. |
|
viktor_ramb
Сам себе начальник
Сообщения: 23835
|
| serzh.borodin.1965 писал: | Схемы нет и НЕ БУДЕТ. (КитайЗские Умельцы)
Схемы у Китайзских Хакеров-+ну Компьютеров-Роботов-которые-схемы (по уровню) сложные-собираются Автоматом.
Удачи Друже.. |
Схема есть и неважно кто её собирает. Другое дело что она может быть недоступна. Но есть специалисты с головой, которой не нужны конкретные чертежи - по аналогии с другими известными и изученными девайсами можно выдать рекомендации по решению стоящей задачи. Множество электроники было отремонтировано в последнее время именно такими и подобными методами. |
|
|
serzh.borodin.1965
|
Благодарю Вас За Науку.
Я-что Знаю-вам ответил.
С Уважением Евгений. |
|
Роман Гордеев
Фанат форума
Сообщения: 6359
|
viktor_ramb, кроме фото хорошо бы потребление выложить "до" и "в момент" вкл., напряжение на конт. с АКБ и без нее при попытке зарядки.
Не помню точно в этой модели - FAN54015 вроде контроллер питания дохнет(на 5405 не менять!) |
|
|
Андрей127
|
| viktor_ramb писал: | | спаяли неправильно зарядно-сигнальный кабель и включили смартфон заряжать от мощного зарядного устройства на 5 В. |
Это что же получилось, интересно? Переполюсовка или же 5V "заехало" в линию данных DP, DM? Для обоих случаев предусмотрена защита.
Подсветка загорается на постоянной основе, стоит вставить АКБ без участия кнопки включения?
FAN54015 - чарджер, который на первом фото над коннектором АКБ; кстати, между ним и контроллером питания PM8916 в данном случае не предусмотрено дополнительных плюшек, вроде таймера сброса. |
|
n max
Модератор
Сообщения: 17587
|
На данном этапе лучше слить данные с флешки,а потом уж ремонтировать.Для этого плата не нужна,достаточно выпаять флешку и слить бинарник прогером потом из него выдернуть пользовательские данные(сейчас это не проблема).Дабы не загубить их окончательно в процессе ремонта.
Далее мерять ток как тут уже писали и напряжение на кнопке вкл.Там будем думать
ДОБАВЛЕНО 13/05/2018 22:41
Если загрузчик лоченный то при замене проца получите невключайку(на хуавеях так это 100%-на леново стопроцентно утверждать не буду)и достать оттуда инфу уже не выйдет по усб(будет определяться как 9008),надо джитаг юзать. |
|
viktor_ramb
Сам себе начальник
Сообщения: 23835
|
Андрей127, | Цитата: | | Это что же получилось, интересно? Переполюсовка или же 5V "заехало" в линию данных DP, DM? |
Не переполюсовка, скорее всего питание и общий попали на сигнальные выводы. Можно неправильную комбинацию высмотреть - неправильно спаяный шнур пока никто не распаивал.
Андрей127, | Цитата: | | Подсветка загорается на постоянной основе, стоит вставить АКБ без участия кнопки включения? |
Именно так. |
|
|
Андрей127
|
Управляет включением драйвера подсветки (на первом фото шестиногий) контроллер дисплея, плюс контакт включения как то завязан с КП. Возможно:
1. неисправен драйвер подсветки;
2. неисправен процессор, который управляет через шину преобразователем напряжения на дисплей плюс полностью отвечает за изображение;
3. неисправен КП, у которого контакт также завязан с включением драйвера.
Снять драйвер ET5119A и проверить сигнал включения особого труда не составит. Совет n max актуален, только придется сдергивать флеш с компаунда.
ДОБАВЛЕНО 15/05/2018 16:40
Можно воспользоваться схемой от Lenovo A6000. Там многое идентично(контроллер заряда отличается). |
|
n max
Модератор
Сообщения: 17587
|
Если дали 5 вольт на сигнальные входы усб то проц скорее всего накрылся.В бюджетных девайсах защиту по усб не ставят.
Тут только сливать данные с еммс-потом плату с мусор |
|
|
Андрей127
|
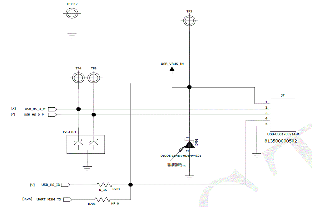
Да, конечно не проходят линии через КП, чарджер-свитч и т.п., но относительно массы защищены супрессорной сборкой. Да и по питанию стоит стабилитрон. Конечно, если плюс-минус подали в DP и DM, то сборка могла не уберечь.
2.gif 26.53 КБ Скачано: 565 раз(а)
|
|
n max
Модератор
Сообщения: 17587
|
| При хорошей мощности б.п. эти стабилитроны выгорают на раз |
|
viktor_ramb
Сам себе начальник
Сообщения: 23835
|
| n max писал: | | При хорошей мощности б.п. эти стабилитроны выгорают на раз | Выгорают в КЗ или в обрыв с "капец процу" ?
ДОБАВЛЕНО 16/05/2018 23:57
Стабы удалить, думаю, не проблема, но если коротец не устраниться,то дальнейшие действия будут нецелесообразны.
Далее менять мать , а инфу восстанавливать иными методами. |
|
n max
Модератор
Сообщения: 17587
|
| В обрыв,а потом конец процу. |
|