| Автор | Сообщение |
|
Mochow
|
n max, Замерил общий ток (не хочется резать дорожку) При отключенном динамике -120ма ;при подключенном динамике без звука--160ма ; при средней громкости ,настроен на станцию-170ма ; Без динамика нагрев 40-50 град.
ДОБАВЛЕНО 05/01/2019 18:28
n max, Замерил общий ток (не хочется резать дорожку) При отключенном динамике -120ма ;при подключенном динамике без звука--160ма ; при средней громкости ,настроен на станцию-170ма ; Без динамика нагрев 40-50 град. |
|
|
Mochow
|
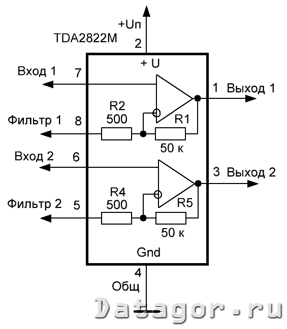
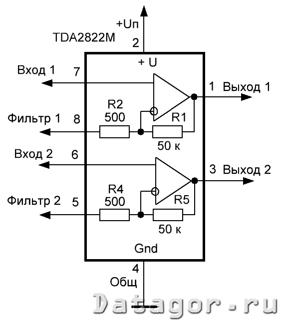
Даю более подробную схему 2822м и еще накопал китайский конструктор с теми же микрухами,но В УНЧ включены другие емкости не 0,01 а 0,1мкф, тем более параллельно динамику,зачем? Пишут собрали работает нормально[img][/img]
ДОБАВЛЕНО 05/01/2019 19:04
и еще
| 2003.png |
| Описание: |
|
| Размер файла: |
256.83 КБ |
| Просмотрено: |
246 раз(а) |

|
2822м.png 27.8 КБ Скачано: 213 раз(а)
2822м.png 27.8 КБ Скачано: 194 раз(а)
|
|
n max
Модератор
Сообщения: 17632
|
| Mochow писал: | n max, Замерил общий ток (не хочется резать дорожку) При отключенном динамике -120ма ;при подключенном динамике без звука--160ма ; при средней громкости ,настроен на станцию-170ма ; Без динамика нагрев 40-50 град.
ДОБАВЛЕНО 05/01/2019 18:28
n max, Замерил общий ток (не хочется резать дорожку) При отключенном динамике -120ма ;при подключенном динамике без звука--160ма ; при средней громкости ,настроен на станцию-170ма ; Без динамика нагрев 40-50 град. |
Т.е. при нулевой громкости подключение\отключение динамика меняет ток потребления на 40мА такого быть не должно тут надо усилок смотреть и его обвязку.
Хотя возбуд может быть и при неправильной разводке печатной платы.
В китайском конструкторе кандёры могут быть такие,которые есть в наличии--там проще работает хоть как то и пойдёт гостов на конструкторы нет,потом пользователь сам дорабатывает своё детище.
Хотя смотрю конструкторы у китайцев стоят почти так же или дороже чем готовые изделия для создания которых предназначен этот конструктор |
|
|
Mochow
|
Посмотрел даташит --ток покоя до 9ма,откуда тогда такой ток покоя 120 ма? Даю даташит--
ДОБАВЛЕНО 05/01/2019 20:21
n max, Да конструкторы китайские дороговаты,об этом же пишет и тот кто покупал и собирал. Обвязку несколько раз проверял,там я подключил единственный провод соединяющий 5ногу с кнденсатором 10мкф,который поставил снаружи 8 ноги,но он проходит в середине микрухи и на расстоянии 5 мм,не думаю чтоб от него был возбуд.Попробовать экранировать этот провод?
datasheet.pdf 362.56 КБ Скачано: 188 раз(а)
|
|
n max
Модератор
Сообщения: 17632
|
Это врят ли.Вобще то тут осцил нужен для анализа чтоб посмотреть что этот усилок выдаёт без сигнала на входе.
А без осцила тут пьесу на десяток страниц напишем с догадками и способами их ркешения |
|
|
Mochow
|
| Понятно,но попробую с внешней стороны провод этот провести,если не поможет верну схему в прежнее состояние...... |
|
n max
Модератор
Сообщения: 17632
|
| Тут пробовать привести схему в состояние как в даташите т.к. рекомендует производитель микросхемы.А изготовители устройств как обычно начинают экономить удаляя лишние детали |
|
|
Mochow
|
| Переподключил провод с внешней стороны подальше,без результата,проверил правильность подключения конденсатора к 8 ноге,+ к 8 ноге,отключил выводы 3,5,6,8 совсем от всего,Отключил R4-150 ом,замерил ток покоя (динамик тож отключен) ---100ма !!! Вместо 6-9 ма.Внутреннее замыкание! Только в мусор! Вот и не тянула динамик.Закажу новую микру 2822м тогда посмотрим. |
|