| Автор | Сообщение |
|
Median
|
Уважаемые Мастера! я прошу дать совет - магнитола принимает кассету, включает воспроизведение на несколько секунд, потом через реверс несколько секунд в другую сторону и выкидывает кассету. Ошибка на дисплее не индицируется... шум работы ЛПМ ровный и без щелчков-тресков. Магнитолу приобрел видимо "с хранения"
Резиновые прижимные ролики и пассик в отличном состоянии, мое впечатление что в ЛПМ что то просто тормозит - отчего то же срабатывает выброс кассеты.
Непосредственный осмотр ЛПМ мне идей не добавил.. ЛПМ чистый а магнитола следов "вторжения" до меня не имеет.
На что именно посоветуете обратить внимание? смазка? датчик?
ВАЖНО - я просто радиолюбитель со стажем, магнитолу приобрел для себя, ремонтом не занимаюсь - только свое. Живу от Пензы в ста километрах и совет привезти магнитолу на ремонт или найти Мастера у себя прозвучит не очень в помощь.. именно так мне посоветовали сегодня на аналогичном, вашему, форуме... заранее благодарю отзывчивых. |
|
Серж66
Фанат форума
Сообщения: 5771
|
ВАЖНО - я просто радиолюбитель со стажем
стажем тут не пахнет.[/b] |
|
|
Median
|
| Серж66 писал: | ВАЖНО - я просто радиолюбитель со стажем
стажем тут не пахнет.[/b] |
Возможно я неуклюже представился, это не проблема - мне под 60, личный позывной UN7PJP (с времен СССР), и еще - стаж не определяет опыт ..увы. Зато определяет подход к делу.
Потому я и обратился к вам на форум за помощью советом.
Стаж не при чем. |
|
serega-64
Старший модератор
Сообщения: 10180
|
| Median писал: | | На что именно посоветуете обратить внимание? |
Контроллер не видит датчик(и) вращения подкассетников ЛПМ.
ДОБАВЛЕНО 07/02/2014 21:27
Или возможно датчики не видят вращение. |
|
|
Median
|
Да вполне возможно.. я покрутил уже все, что крутится, на предмет торможения :-)) и похоже все таки электроника..
Сегодня же продолжу поиск причины.
Спасибо !!! для меня ценно ваше мнение..я вообще то понимаю что готового рецепта не будет, но вы дали важное - направление поиска.
ну а что в итоге станет - изложу здесь обязательно, возможно еще кому пригодится. |
|
Серж66
Фанат форума
Сообщения: 5771
|
| Median, у радиолюбителя есть логическое мышление, в начале мышление потом вопрос, а тебя наоборот в начале вопрос потом мышление. |
|
jurij+
Фанат форума
Сообщения: 30510
|
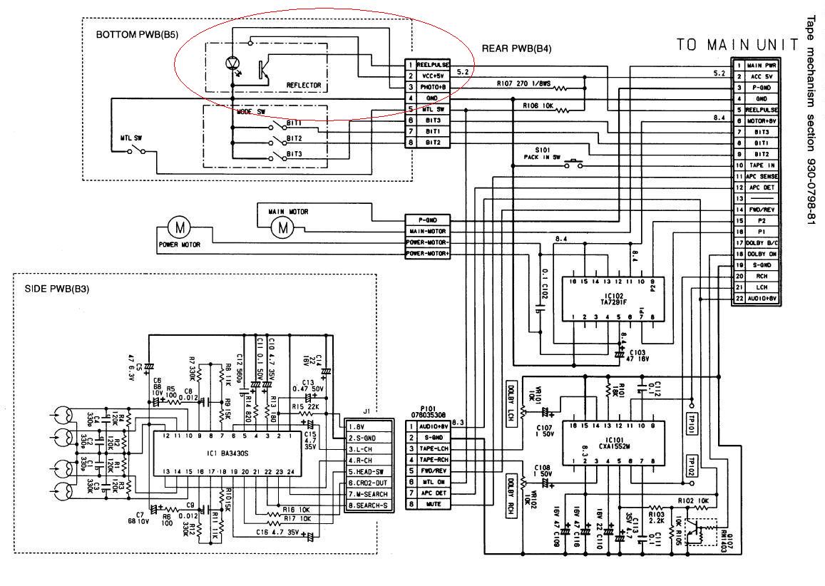
Возмите любой мануал "кларика" с подобной мехой.
Там всё будет рассписано и показано.
Вот возможная схема вашей мехи.
Проверить работу оптоузла.

12.JPG 166.64 КБ Скачано: 373 раз(а)
|
|
|
axtro
|
Median, прежде чем изучать работу фотодатчиков и и пр. рекомендую внимательно осмотреть разъем ЛПМ, особенно ту часть, которая находится на основной плате. Почти у ВСЕХ Кларионов тех лет был стандартный, легко устранимый дефект - кольца в местах пайки разьемов  |
|
|
IVA18
|
| Добрый день!Читал вашу проблему.У меня тоже clarion. Тоже включает на секунду одну сторону,потом другую сторону,потом выбрасывает кассету. Напишите, решили вы эту проблему?Если да, просьба,поделится опытом. Если не трудно.Можно ли как обмануть этот оптоузел. |
|
serega-64
Старший модератор
Сообщения: 10180
|
=Можно ли как обмануть этот оптоузел.=
А нахера? Тады уж проще выбросить протягу и не парится, а рекомендаций в теме выше крыши и вряд ли тебе Median ответит. |
|
|
IVA18
|
Я уже и так и эдак, ни чего не получается.Подключил AUX через FM-играет, но в паузе между песнями слышно эфир. А к проигрывателю кассет не получается. Не исправен датчик движения. Кассету вставишь, пока она в одну сторону, потом другую сторону звук идет через AUX на колонки, потом ее выбрасывает и дальше играет FM. Магнитола clarion PU 1646А.Не могу найти на нее схему.
ДОБАВЛЕНО 24/04/2015 18:05
Я уже и так и эдак, ни чего не получается.Подключил AUX через FM-играет, но в паузе между песнями слышно эфир. А к проигрывателю кассет не получается. Не исправен датчик движения. Кассету вставишь, пока она в одну сторону, потом другую сторону звук идет через AUX на колонки, потом ее выбрасывает и дальше играет FM. Магнитола clarion PU 1646А.Не могу найти на нее схему. |
|
serega-64
Старший модератор
Сообщения: 10180
|
=Подключил AUX через FM-играет, но в паузе между песнями слышно эфир.=
Нужно делать переключение, а не микширование.
Датчик можно проверить, заменить, но обойти ни как. |
|
стопыч
Фанат форума
Сообщения: 3167
|
| serega-64 писал: | | вряд ли тебе Median ответит. |
UN7PJP
IVA18, по радио можно позвать. Собирай трансивер.
синал с фототранзюка есть? Свето "светит"? |
|