| Автор | Сообщение |
|
grandiv
|
Здарова. Усилитель Mystery mr 2.75 во время работы замкнули правый канал ( кратковременно). После появились посторонние шумы ввиде свиста и шипения ( причем шум идет только вовремя работы автомобиля). На предельных нагрузках пропускается хлопок или щелчок, как его там. Поменял выходные TIP35c и TIP36c оба канала (да бы недорогие), не помогло. Напряжения нормальные. Что посоветуете.
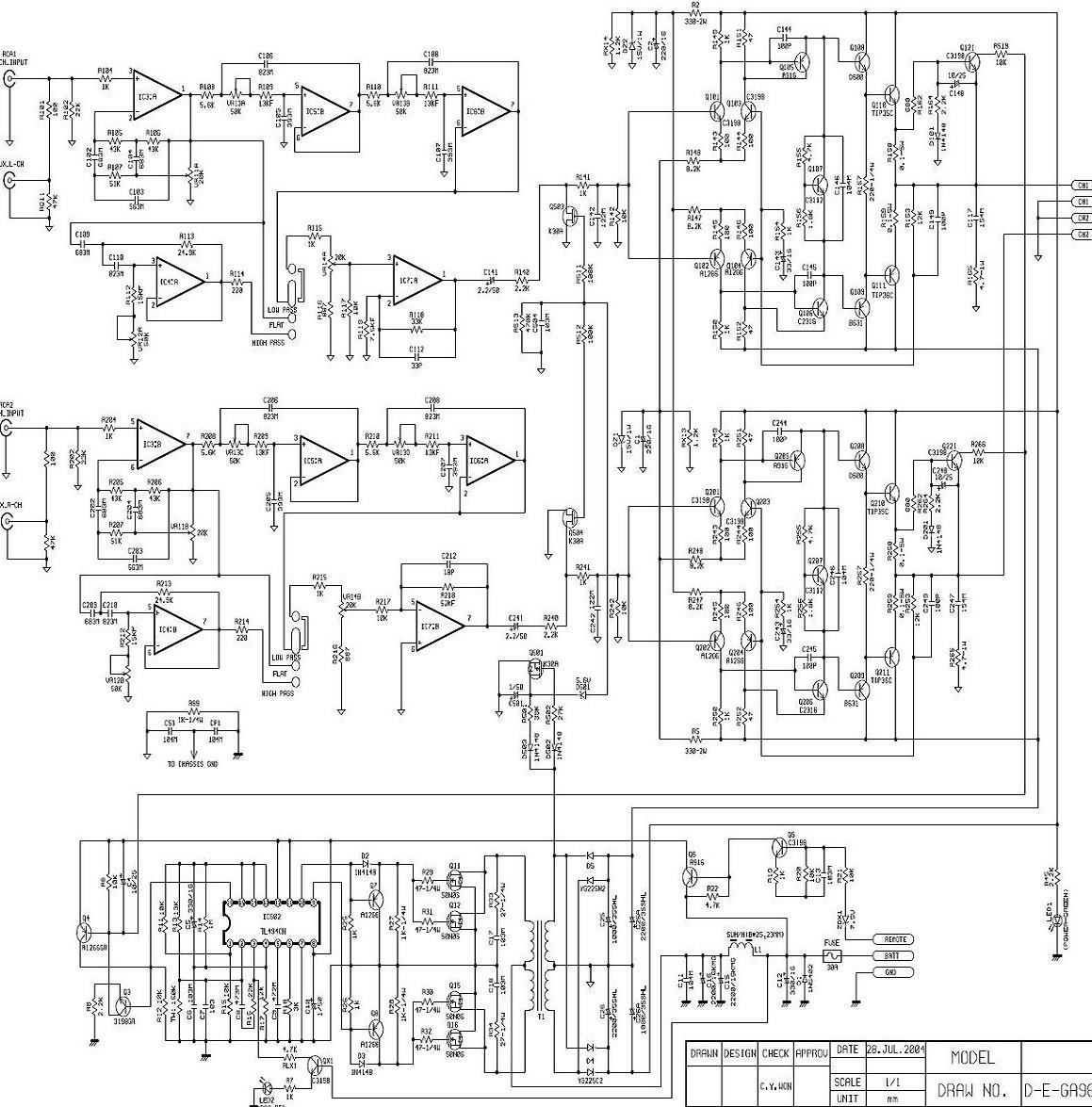
| схема7.jpg |
| Описание: |
|
| Размер файла: |
232.14 КБ |
| Просмотрено: |
2117 раз(а) |

|
|
|
|
Alexasha
|
| У тебя есть исправный канал, приборы в руки и сравнивай. Или сразу к мастеру. |
|
roges
Передовик
Сообщения: 1197
|
| grandiv, возможно, по входу правого канала оборвана "земля". Попробуй, для начала, поменять кабель (головн. уст-во - усилитель) |
|
|
ЭдуардБагдасаров
|
|
|
grandiv
|
| раньше все нормально было. подключили напрямую (без усилителя)- все отлично. |
|
|
ЭдуардБагдасаров
|
|
|
GreeLuha
|
| Скорее всего, в магнитоле дело. На фирменных магнитолах Pioneer, Sony, JVC для защиты проводов и дорожек от прогорания при неправильном подключении, между общим проводом "землей" и общим проводом на выходе под усилитель на плате стоит SMD-перемычка. При ее сгорании будет идти фон на усилителе. Замените ее тоненькой перемычкой (жила не толще 0,2мм) и должен фон исчезнуть. |
|