| Автор | Сообщение |
|
alfik777
|
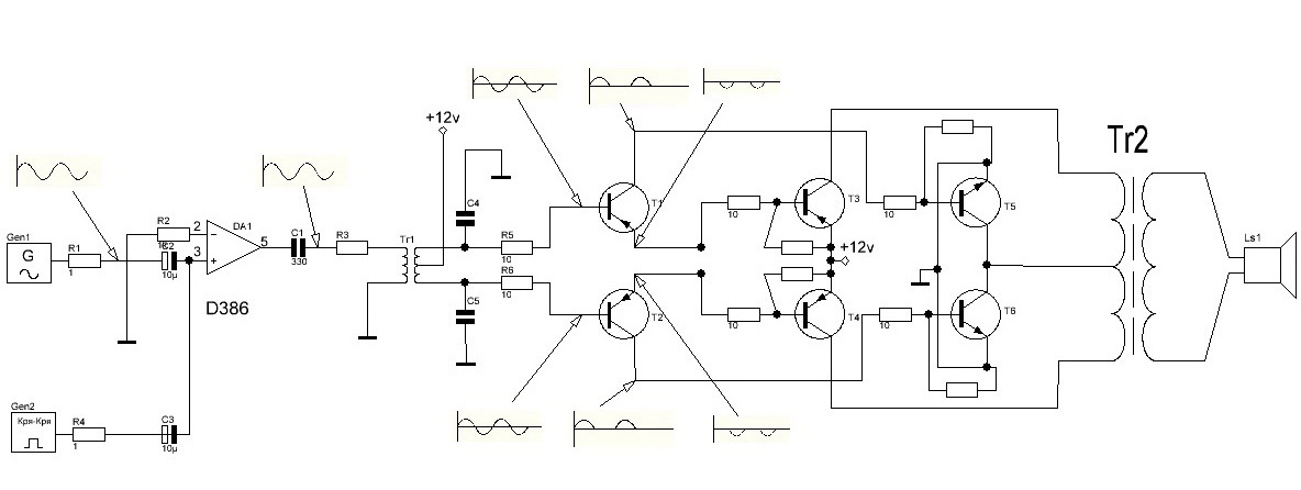
СГУ новое, но... задача была подключить внешний источник сигнала. В общих чертах вырисовал схему, сигнал с кнопок крякалок приходит через RC на вход усилителя D386, туда же через RC заводится сигнал с тангенты (микрофона). Звуки крякалки субъективно работают нормально. При подаче низкого уровня внешнего сигнала -тишина, при подаче большой амплитуды- как будто "прорывает" и идет звук искаженный .Тоже самое с родного микрофона-тангенты. Подаю генератор, на выходе DA1, на базах T1,T2 линейно изменяющаяся красивая синусоида на всем диапазоне уровня сигнала. На коллекторах T1,T2 положительная полуволна, на эмиттерах - отрицательная. Эти же сигналы на базах выходных транзисторов. Но на выходе тишина пока не дашь большой входной сигнал, т.е. как работа ключа или компаратора - добавляешь, добавляешь входной сигнал -на выходе нет сигнала, и вдруг сразу полная мощность с искажениями. Повторюсь, звуки крякалки вроде нормально идут, но там постоянно полная мощность, т.е. грешить на выходные транзисторы не хочется. Кто что посоветует, подскажет ?
diagramm_karaul.jpg 75.54 КБ Скачано: 524 раз(а)
|
|
igorasrex
Завсегдатай
Сообщения: 635
|
| alfik777 писал: | | Эти же сигналы на базах выходных транзисторов. |
Какой амплитуды сигналы, в вольтах, до того как звук достаточно громкий, что-бы появится в выходном динамике? А на коллекторах выходных транзисторов, в это время, есть эти полу-периоды, или ничего? В этой схеме не так много элементов. Нужно их всех проверить на исправность. |
|
|
alfik777
|
| igorasrex писал: | | alfik777 писал: | | Эти же сигналы на базах выходных транзисторов. |
Какой амплитуды сигналы, в вольтах, до того как звук достаточно громкий, что-бы появится в выходном динамике? А на коллекторах выходных транзисторов, в это время, есть эти полу-периоды, или ничего? В этой схеме не так много элементов. Нужно их всех проверить на исправность. |
До момента "всплеска" - на базах транзисторов раскачки от 0 до ~ 3в , при этом на эмиттерах отрицательная полуволна , на коллекторах положительная амплитудой ~ 1,3 в. На коллекторах выходных при малых входных уровнях сигнала какая-то ерунда непонятная, при добавлении уровня (2- 3в на базах раскачки) появляются полуволны амплитудой до 10в. Форма этих полуволн на всех 4-х выходных одинаковая и их частота удвоенная. |
|
igorasrex
Завсегдатай
Сообщения: 635
|
А может все-таки, она только так и может работать?
А если ты уверен что она не впорядке, то надо бы измерить напряжение во всех точках без сигнала, и если будет перекос, может это упростит выявление неисправного транзистора или сопротивления, а может и конденсатора. 15 запчастей проверить не так уж и много времени понадобится с выпайкой одной, двух ножек. |
|
|
alfik777
|
| Нет, ну так не должно работать, хрип ужасный. Напряжения во всех точках без сигнала замерял, никаких перекосов, сопротивления прозванивал, конденсаторы по питанию - как могут повлиять? - к тому же аппарат совсем новый, рано конденсаторам выделываться . Микросхему усилителя от безисходности уже поменял- естественно, без толку:-( |
|
igorasrex
Завсегдатай
Сообщения: 635
|
| А обрывов нету? Сколько напряжение на базах Т1 и Т2 без сигнала? И правильно ли ты снимал осциллограммы сигналов? Непонятно те 12 вольт которые через вторичку Тр1 идут на их базы куда делись? |
|
|
sasaa
|
| А кто её склепал,эту КАРАУЛ СГУ?Доки какие нибудь есть?Вообще производитель предусматривал работу от микрофона,или только тональные сигналы? |
|
|
alfik777
|
| igorasrex писал: | | А обрывов нету? Сколько напряжение на базах Т1 и Т2 без сигнала? И правильно ли ты снимал осциллограммы сигналов? Непонятно те 12 вольт которые через вторичку Тр1 идут на их базы куда делись? | Не поняли друг друга, в предыдущих постах я писал о напряжении сигнала, постоянка через вторичку никуда не делась, на базах и эмиттерах +12в. |
|
igorasrex
Завсегдатай
Сообщения: 635
|
| alfik777 писал: | | Не поняли друг друга, в предыдущих постах я писал о напряжении сигнала, постоянка через вторичку никуда не делась, на базах и эмиттерах +12в. |
Возможно. Но на нарисованых тобой сигналах не видно этой постоянки, по этому и спросил правильно ли ты снимал осциллограммы? |
|
|
alfik777
|
| sasaa писал: | | А кто её склепал,эту КАРАУЛ СГУ?Доки какие нибудь есть?Вообще производитель предусматривал работу от микрофона,или только тональные сигналы? | На коробке вообще написано USA, но наверняка китайцы делают, хотя email в домене gmail. Как бы это не местные умельцы... Конечно предусмотрена работа с микрофона... и оно работало...-(
| IMG_20160318_224632.jpg |
| Описание: |
|
| Размер файла: |
357.71 КБ |
| Просмотрено: |
263 раз(а) |

|
|
|
serega-64
Старший модератор
Сообщения: 10180
|
Господа, эта схема не будет работать в режиме линейного усиления, схемотехника построена так, что возможен тока ключевой режим (гляньте в гуглях простецкую схемку УНЧ), а заявленная возможность работы с микрофоном - этт у производителя от лукавого.
ДОБАВЛЕНО 19/03/2016 00:57
alfik777, =и оно работало..=
Не верю (пока не услышу)! Даже теоретически невозможно. |
|
|
alfik777
|
| Но она работала, нормально работало с микрофона - перед разборкой проверял |
|
|
sasaa
|
| Понятно,обычная китайская игрушка,с брелочками и т.п.А фото можно посмотреть-плата,монтаж и т.д.? |
|
blek1
Передовик
Сообщения: 1212
|
А транзисторы не греются?Я усилители на транзисторах мало ремонтировал.Но которые встречал с хрипами-то либо перереходная ёмкость(тут ещё будет и приглушенный звук).
Либо обрыв резисторов по току покоя(транзюки греются бешенно) в любом случае где хрипы только встечались обрывы у резисторов.Проверь может дорожка где -трешина. |
|
|
alfik777
|
| sasaa писал: | | Понятно,обычная китайская игрушка,с брелочками и т.п.А фото можно посмотреть-плата,монтаж и т.д.? | Ну может и игрушка, но ценник не игрушечный, да и лопатит - рядом не стой:-) Sorry за качество фото.
ДОБАВЛЕНО 19/03/2016 10:23
| blek1 писал: | | А транзисторы не греются?.....Проверь может дорожка где -трешина. |
На холостом ходу транзисторы холодные, греются почти равномерно все 4 когда уже идет сигнал. Дорожки все целые, сама плата более- менее , пайка конечно "китайская", но всё уже перезвонил вдоль и поперек:-(
| plata_niz1.jpg |
| Описание: |
|
| Размер файла: |
476.7 КБ |
| Просмотрено: |
272 раз(а) |

|
| plata_verh1.jpg |
| Описание: |
|
| Размер файла: |
376.12 КБ |
| Просмотрено: |
280 раз(а) |

|
| plata_verh2.jpg |
| Описание: |
|
| Размер файла: |
332.13 КБ |
| Просмотрено: |
293 раз(а) |

|
| plata_verh3.jpg |
| Описание: |
|
| Размер файла: |
347.28 КБ |
| Просмотрено: |
276 раз(а) |

|
|
|
|
alfik777
|
| Не знаю хорошо это плохо, но обнаружил неожиданно, что вторичная обмотка выходного транса соединена с первичной. Понять не могу -это отдельная обмотка или одна и та же- только разматывать, но это конец..-( Такое возможно вообще? |
|
|
alfik777
|
Прошло 3 года и вот снова встал подобный вопрос. Есть СГУ, рабочее, нужно подключить внешний звуковой сигнал. Да, в основном они для этого не подходят, но в этих вариантах все гораздо проще и лучше. Собственно, схема простая. Так как нет смещения на транзисторах имеем "ступеньку" . Вопрос -как убрать ? Понимаю, что нужно как-то дать смещение, но сложность в том, что коллекторы сидят на "земле" и радиатором служит корпус . Может это бред, но единственное, что приходит в голову -это дополнительный отрицательный источник питания, и через делители подавать минус на средний вывод трансформатора TR1. Не хочется опять изобретать велосипед, возможно есть не очень сложные пути решения ?
AMP1.jpg 55.32 КБ Скачано: 273 раз(а)
|
|