ESpec - мир электроники для профессионалов


Конвертер CVBS to RGB на tda8361A

  Список форумов » Мастерская Самоделкина

Следующая тема · Предыдущая тема
АвторСообщение
-Johnson- 
Бывалый
Сообщения: 34
 
Сообщение #1 От 25/03/2016 21:57 цитата  

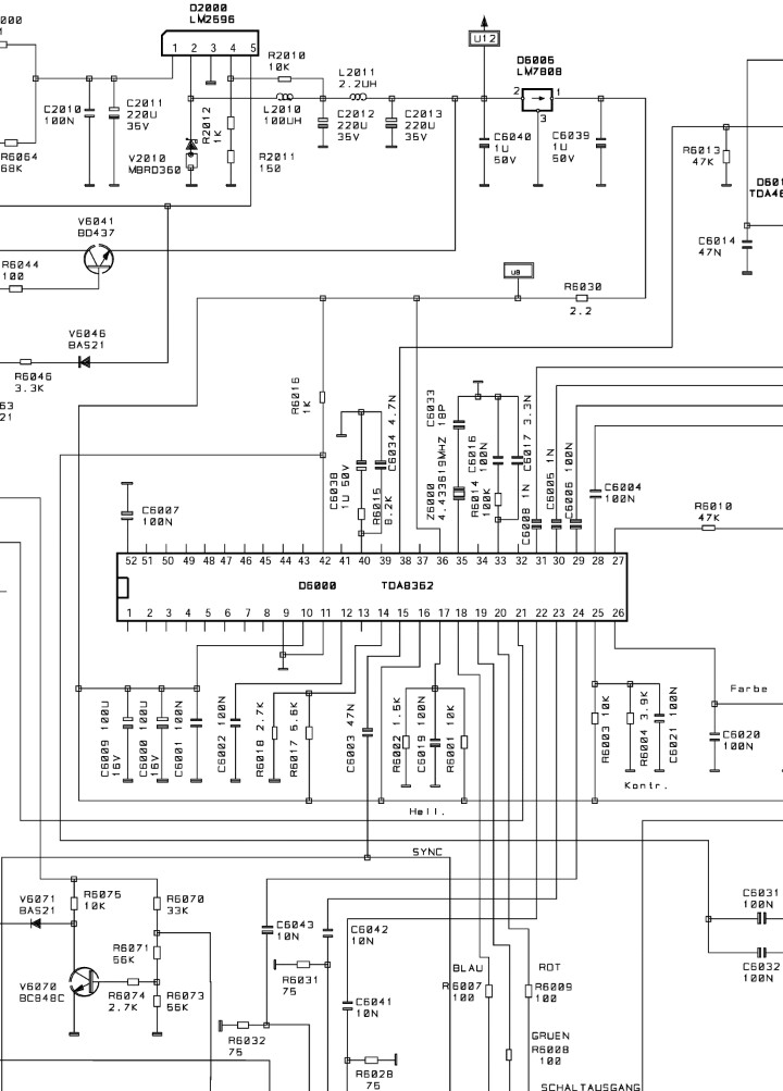
Всем привет! Есть работающий конвертер собственного изготовления на тда8362 в паре с Ila4661, также работает и на тда8361, схема блаупункта без лишних каскадов и HC + кварц на нтсц + 1кОм на плюс и 43ногу + 100н на 8ногу и землю, 21 на землю, 39 через 2,2н на землю, короче рабочая 100%.
Решил переделать на 8361А , коих до хрена лежит без дела.
Для этого:
Отключил 9ногу, 42ногу, 14ногу
Посадил 41 на землю.
Включаю, темный экран, батарейкой подаю обратный импульс на 14ногу , экран полностью заливает белым, далее в течении нескольких минут (2-3) изображение проявляется как фотография в проявителе, плавно, становится нормальным. За это время напряжения на ргб выходах понижаются с 2,7в до 1,2в.
Что еще нужно сделать?

  Screenshot_2016-03-25-20-22-54_com.adobe.reader_1458932353582.jpg  133.33 КБ  Скачано: 775 раз(а)
goga_tv 
Фанат форума
Сообщения: 4857
goga_tv
 
Сообщение #2 От 26/03/2016 01:06 цитата  

-Johnson-, сложно тебе переделать будет... В 8361А система АББ , которую сложно обмануть. Нужно КИГ заводить дабы такой байды как у тебя не получалось. Тебе че , 8361 без буквы выслать???
-Johnson- 
Бывалый
Сообщения: 34
 
Сообщение #3 От 14/02/2017 21:42 цитата  

Нужны еще 8361 без букв. Паянные но рабочие подойдут тоже. Предлагайте.

Перейти: 
Следующая тема · Предыдущая тема
Показать/скрыть Ваши права в разделе

Интересное от ESpec


Другие темы раздела Мастерская Самоделкина



Rambler's Top100 Рейтинг@Mail.ru liveinternet.ru